Mega torcione
Moderatori:
carloc,
g.schgor,
BrunoValente,
IsidoroKZ
19 messaggi
• Pagina 1 di 2 • 1, 2
0
voti
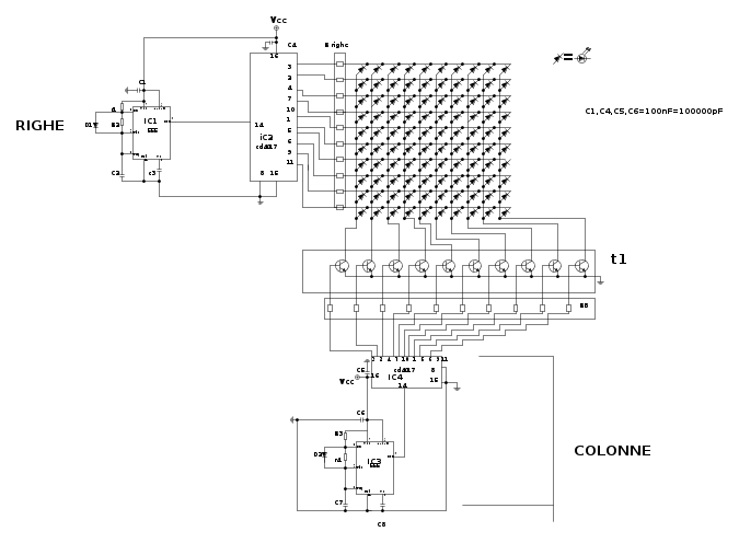
Come da titolo vorrei sottoporvi questo mio progetto che è un mix di due progetti e precisamente: Costruzione "cannone" a led da 15W di luca1995 e Un orologio con PIC16F84 e PCF8573, parte II di darwinne. I miei problemi (per me insormontabili) sono: 1) come si calcolano le resistenze che pilotano i transistor (all porpouse= per usi generali tipo bc107/8/9 bc517/47) (vedi colonne); 2)come posso calcolare il valore delle resistenze (vedi colonne). I diodi (1n4148)in parallelo ai pin 6 e 7 dei 2 ne555 serve ad avere un duty cicle inferiore al 50%. Dal calcolatore ELECTRODROID di IERO vengono fuori i valori riportati nel post successivo. Grazie a tutti.
1
voti
Non sono sicuro di vedere il nesso con il titolo...
Quanto vale la tensione di alimentazione? Quanta corrente desideri far scorrere nei led?
I led, tra l'altro, forse sono messi al contrario...
[modo OT]
simtrix, hai disegnato tutto il circuito con la versione di FidoCadJ per Android? Complimenti!
[/modo OT]
Quanto vale la tensione di alimentazione? Quanta corrente desideri far scorrere nei led?
I led, tra l'altro, forse sono messi al contrario...
[modo OT]
[/modo OT]
Follow me on Mastodon: @davbucci@mastodon.sdf.org
-

DarwinNE
31,0k 7 11 13 - G.Master EY

- Messaggi: 4420
- Iscritto il: 18 apr 2010, 9:32
- Località: Grenoble - France
0
voti
come tensione di alimentazione userei una semplice batteria da 9 volt, i led massimo 15 mA. perché una batteria da 9 volt e non da 12 tipo antifurto? i led essendo accesi solo per 1/20 di secondo non assorbirebbero una corrente elevata come lasciare in modo continuo. (lo schema é stato fatto con fidocadj per android smartphone con schermo da 3 pollici).
3
voti
Vedo che non risponde nessuno quindi lo faccio io.
1 - I diodi led sono al contrario
2 - un CD4017A non fornisce abbastanza corrente per accendere un LED, un CD4017B è già molto meglio, ma si tratta pur sempre di pochi mA. Se scegli LED ad alta luminosità, dovresti poter già ottenere un effetto con 3 o 4 mA. Puoi provare a tirarne un 5 o 6, tirando un po' il collo all'integrato, ma è a tuo rischio e pericolo.
Ora, se utilizzi dei LED con caduta di tensione
, puoi approssimare il valore di
tramite:
dove
è la caduta tra la tensione di alimentazione e l'uscita del CD4017B a livello alto. Ci sono dei grafici per determinarla in qualche datasheet, probabilmente è dalle parti di 1,5V per una corrente di 5mA,
è la tensione di saturazione dei transistor di colonna (dalle parti di 0,4V o anche meno).
Se non sbaglio i conti, con una tensione di alimentazione di 9V, dei led con tensione di ginocchio a 2V, una corrente di lavoro dalle parti di 5mA, dovresti avere delle resistenze di riga dalle parti di
.
3 - Per le resistenze sulla base dei transistor di colonna, devono essere tali da saturarli, con una corrente di collettore di 5mA, dovrebbero bastare tranquillamente delle resistenze da
utilizzando dei BC547 come transistor bipolari.
4 - Non capisco la logica del circuito, con i due oscillatori che girano indipendentemente. Se non sono sincronizzati, puoi ottenere un po' di tutto, da un punto che si muove in diagonale ad una serie di strisciate orizzontali o verticali non sincronizzate. Non sono sicuro che sia quello che cerchi. Non è che un collegamento in "cascata" dei CD4017 possa fare il caso tuo?
5 - Ovviamente, sai bene che avrai un solo LED acceso per volta su tutto lo "schermo".
1 - I diodi led sono al contrario
2 - un CD4017A non fornisce abbastanza corrente per accendere un LED, un CD4017B è già molto meglio, ma si tratta pur sempre di pochi mA. Se scegli LED ad alta luminosità, dovresti poter già ottenere un effetto con 3 o 4 mA. Puoi provare a tirarne un 5 o 6, tirando un po' il collo all'integrato, ma è a tuo rischio e pericolo.
Ora, se utilizzi dei LED con caduta di tensione
, puoi approssimare il valore di
tramite:
dove
è la caduta tra la tensione di alimentazione e l'uscita del CD4017B a livello alto. Ci sono dei grafici per determinarla in qualche datasheet, probabilmente è dalle parti di 1,5V per una corrente di 5mA,
è la tensione di saturazione dei transistor di colonna (dalle parti di 0,4V o anche meno).Se non sbaglio i conti, con una tensione di alimentazione di 9V, dei led con tensione di ginocchio a 2V, una corrente di lavoro dalle parti di 5mA, dovresti avere delle resistenze di riga dalle parti di
.3 - Per le resistenze sulla base dei transistor di colonna, devono essere tali da saturarli, con una corrente di collettore di 5mA, dovrebbero bastare tranquillamente delle resistenze da
utilizzando dei BC547 come transistor bipolari.4 - Non capisco la logica del circuito, con i due oscillatori che girano indipendentemente. Se non sono sincronizzati, puoi ottenere un po' di tutto, da un punto che si muove in diagonale ad una serie di strisciate orizzontali o verticali non sincronizzate. Non sono sicuro che sia quello che cerchi. Non è che un collegamento in "cascata" dei CD4017 possa fare il caso tuo?
5 - Ovviamente, sai bene che avrai un solo LED acceso per volta su tutto lo "schermo".
Follow me on Mastodon: @davbucci@mastodon.sdf.org
-

DarwinNE
31,0k 7 11 13 - G.Master EY

- Messaggi: 4420
- Iscritto il: 18 apr 2010, 9:32
- Località: Grenoble - France
0
voti
grazie darwinNE per avermi risposto. 1) sapevo che c'erano degli Errori e ringrazio chi li ha corretti 2) so che nella modalità multiplexer i led sono accesi uno per volta, ma se i due ne555 li faccio oscillare ad una frequenza elevata, diciamo 1000 Hz e Duty Cicle del 20%, per effetto della persistenza della retina, i led sembra che siano tutti accesi quando in realtà sono accesi, uno per volta SOLO per 20 ms
- Allegati
-
- NE555.png (34.07 KiB) Osservato 9347 volte
0
voti
Non capisco la logica del circuito, con i due oscillatori che girano indipendentemente. Se non sono sincronizzati, puoi ottenere un po' di tutto, da un punto che si muove in diagonale ad una serie di strisciate orizzontali o verticali non sincronizzate. Non sono sicuro che sia quello che cerchi. Non è che un collegamento in "cascata" dei CD4017 possa fare il caso tuo? bisogna tener presente la tolleranza dei componenti (5% le resistenze e 20% i condensatori, non elettreolitici)
0
voti
[10] Re: mega torcione
1) per ottenere maggiori lumen potrei usare dei portaled in metallo (devo decidere se concavo o convesso) con dietro un foglio di alluminio.(e qui si va nell'illuminotecnica) 2) ho pensato (magari sbagliando); se 1 ne555 (in coppia con il cd4017) oscilla a frequenza elevata cosa ottengo? i led all' uscita, del cd4017, restano accesi per effetto della persistenza della retina. ecco perché ho usato 2 ne555 e 2 cd4017 3) un ne555 da solo, con transistor tipo tip3055 in uscita, e 100 led in SERIE, quanta corrente richiede? di sicuro molto di piú che non metterli in multiplexer. sono aperto a suggerimenti a migliorarmi. 

19 messaggi
• Pagina 1 di 2 • 1, 2
Chi c’è in linea
Visitano il forum: Nessuno e 241 ospiti

Elettrotecnica e non solo (admin)
Un gatto tra gli elettroni (IsidoroKZ)
Esperienza e simulazioni (g.schgor)
Moleskine di un idraulico (RenzoDF)
Il Blog di ElectroYou (webmaster)
Idee microcontrollate (TardoFreak)
PICcoli grandi PICMicro (Paolino)
Il blog elettrico di carloc (carloc)
DirtEYblooog (dirtydeeds)
Di tutto... un po' (jordan20)
AK47 (lillo)
Esperienze elettroniche (marco438)
Telecomunicazioni musicali (clavicordo)
Automazione ed Elettronica (gustavo)
Direttive per la sicurezza (ErnestoCappelletti)
EYnfo dall'Alaska (mir)
Apriamo il quadro! (attilio)
H7-25 (asdf)
Passione Elettrica (massimob)
Elettroni a spasso (guidob)
Bloguerra (guerra)

