Cos'è ElectroYou | Login Iscriviti

ElectroYou - la comunità dei professionisti del mondo elettrico

Riparazione switching: FET che salta ad ogni accensione

Elettronica lineare e digitale: didattica ed applicazioni

Moderatori: Foto Utentecarloc, Foto Utenteg.schgor, Foto UtenteBrunoValente, Foto UtenteIsidoroKZ

1
voti

[41] Re: Riparazione switching: FET che salta ad ogni accensione

Messaggioda Foto Utenteauato » 21 nov 2014, 21:41

Ciao Bruno,
allora è forse proprio il diodo che mi sta facendo impazzire :-P Speriamo sia lui! Acquisto qualche MUR860 su eBay o vedo se c'è qualche ricambio adattabile dalle mie parti.

Lavoro in un azienda di telecomunicazioni, ramo tecnico, ma non occupandomi minimamente di elettronica e circuiti; cioè... in verità, in questa azienda nessuno se ne occupa realmente, nemmeno i più tecnici. In passato ho però studiato l'elettronica e la radiotecnica e sono sempre rimasto affascinato dal mondo della radio.
Chissa' perché sono attratto dagli strumenti da laboratorio... qualcosa di infantile che mi avrà colpito in gioventu' e che mi rende vulnerabile tuttora di fronte a display illuminati, pulsantini e manopole misteriose, oltre che, naturalmente, schemi elettrici ancor più misteriosi. Un po' di anni fa, per mio diletto, acquistai un lotto di strumentazione di misura usata (probabilmente qualche asset aziendale da dismettere), giusto per rivivere quel fascino dell'elettronica e di laboratorio tecnologico che era latente e sopito nella mia mente.
Così, iniziai a riparare e restaurare questi "ferri vecchi" e mi sono appassionato parecchio a questo hobby. Naturalmente, ho dovuto iniziare a documentarmi un po' e poi qualche strumento l'ho regalato, qualcun altro l'ho venduto e qualcun altro ancora, di cui ero divenuto geloso, l'ho tenuto per me. Negli anni ho iniziato ad andare a caccia di questi lotti vecchi e anche di qualche radio radioamatoriale, comprando altra merce simile ed immergendo sempre di più le mani e le braccia in questa "pasta". Ho messo su un piccolo laboratorio personale, ho iniziato a frequentare forum di appassionati di strumentazione, di radioamatori, italiani e anche stranieri. Con alcuni d'oltreoceano ho avuto anche corrispondenza ed interessante scambio di opinioni e di esperienze. Ho vissuto momenti di profonda rabbia e di euforia, di frustrazione e di immensa soddisfazione ma ancora non mi sono stancato.
Oggi, se vedo un lotto di strumenti, vecchi o nuovi che siano, mi emoziono ancora tanto e spesso inseguo, ingenuamente come un bimbo, l'acquisto di qualche pezzo/giocattolo che desidero a tutti i costi e che reputo esclusivo per il mio laboratorio (potendomi permettere qualche spesa). E tutto ciò semplicemente per il gusto di possederlo o per metterlo su uno scaffale ed emozionarmi ancora e ancora ogni volta che il mio sguardo lo incrocia :lol: (lo so.... sono sfaccettature della follia umana :D :D :D ).
Non avendo avuto un'istruzione molto rigorosa in queste affascinanti materie, sono un po' carente in alcuni ambiti, come a volte accade anche a chi è autodidatta e, lo ammetto!, ammiro immensamente chi è capace, grazie alle sue conoscenze e ai suoi studi, di leggere, interpretare e di comprendere l'essenza di questi misteriosi ed incantevoli schemi elettrici.

Perdonami... siccome sono parecchio curioso anche io, sebbene spesso faccia finta di non esserlo, da subito mi vien la "fregola" di sapere cosa faccia il mio interlocutore, tanto per pareggiare il conto :D ad esempio... guardo e riguardo quell'avatar troppo piccolo per farmi scorgere cosa armeggiavi
Avatar utente
Foto Utenteauato
61 5
Frequentatore
Frequentatore
 
Messaggi: 115
Iscritto il: 9 ott 2012, 9:17

1
voti

[42] Re: Riparazione switching: FET che salta ad ogni accensione

Messaggioda Foto UtenteBrunoValente » 21 nov 2014, 22:20

auato ha scritto:
In passato ho però studiato l'elettronica e la radiotecnica e sono sempre rimasto affascinato dal mondo della radio.
..Chissa' perché sono attratto dagli strumenti da laboratorio... qualcosa di infantile che mi avrà colpito in gioventu' e che mi rende vulnerabile tuttora ...

Come ti capisco!
auato ha scritto:... Ho vissuto momenti di profonda rabbia e di euforia, di frustrazione e di immensa soddisfazione ma ancora non mi sono stancato.

Idem
auato ha scritto:Oggi, se vedo un lotto di strumenti, vecchi o nuovi che siano, mi emoziono ancora tanto e spesso inseguo, ingenuamente come un bimbo, ..
.. E tutto ciò semplicemente per il gusto di possederlo o per metterlo su uno scaffale ed emozionarmi ancora e ancora ogni volta che il mio sguardo lo incrocia
.. sono sfaccettature della follia umana ..

E' vero, per fortuna siamo in pochi a soffrire di certe patologie :-)
auato ha scritto:... guardo e riguardo quell'avatar troppo piccolo per farmi scorgere cosa armeggiavi


Mio figlio mi ha immortalato mentre armeggiavo con una vecchia radio a galena francese dei primi anni del secolo scorso.
Colleziono radio d'epoca e mi occupo di elettronica da sempre, è la mia ragione di vita, occupa la maggior parte del mio tempo e dei miei pensieri.
Sono un perito in telecomunicazioni, ho studiato nell'epoca in cui telecomunicazioni significava soprattutto radiotecnica e per lo più a valvole.
Avatar utente
Foto UtenteBrunoValente
39,6k 7 11 13
G.Master EY
G.Master EY
 
Messaggi: 7796
Iscritto il: 8 mag 2007, 14:48

1
voti

[43] Re: Riparazione switching: FET che salta ad ogni accensione

Messaggioda Foto UtenteBrunoValente » 22 nov 2014, 13:41

auato ha scritto:..Lavoro in un azienda di telecomunicazioni, ramo tecnico, ma non occupandomi minimamente di elettronica e circuiti; cioè... in verità, in questa azienda nessuno se ne occupa realmente, nemmeno i più tecnici...

Un'azienda di telecomunicazioni con nessun tecnico..non mi stupisce: se ne parla poco ma è un altro sintomo del degrado che il mondo del lavoro sta subendo.
Sempre più spesso negli ambienti di lavoro dove prima si puntava sulle competenze di alcuni ora si tende a farne a meno, con una certa disinvoltura si tende a preferire dei tuttofare facilmente rimpiazzabili piuttosto che degli specialisti.
Si tira avanti con l'eredità lasciata da chi sapeva e che, nel migliore dei casi, è stato allontanato con un pre-pensionamento, nei peggiori, con un calcio in cu..
Fino a che la macchina è in corsa e procede per inerzia sembra sia tutto a posto, poi, appena inizia a rallentare, ci si trasferisce in Cina.
Avatar utente
Foto UtenteBrunoValente
39,6k 7 11 13
G.Master EY
G.Master EY
 
Messaggi: 7796
Iscritto il: 8 mag 2007, 14:48

0
voti

[44] Re: Riparazione switching: FET che salta ad ogni accensione

Messaggioda Foto Utenteauato » 23 nov 2014, 15:17

Accidenti! E' proprio come dici tu, in tutto! Mi lasci a bocca aperta :-o sembra che tu sia nella mia azienda. Magari lo sei veramente... :D ...anzi no, non è possibile! Dall'avatar mi sembri over 45 :-) (io ne ho 43) e nella mia realtà lavorativa spopolano sempre più gli ingegneri under 30. Incredibile! Tutti ragazzini a fare un po' di scartoffie, qualche controllo qualche grafico. Come dici tu, si campa di know how del passato detenuto da "vecchi mostri sacri" a cui è stato già dato in calcio in c**o! Tra qualche anno arriverà anche il turno nostro (over 40)


Ad ogni modo sono riuscito a procurarmi da un ricambista un BY399 che però non è molto veloce (250ns mentre il RRT rischiesto è <= a 50ns) ed infatti l'alimentatore è partito ed è rimasto acceso almeno per qualche minuto, mentre prima saltava tutto dopo giusto 1/1,5 secondi. Sinceratomi della corretta partenza sono stato un po' frettoloso passando subito dalla 110 alla 220Vac. Dopo un minuto a 220Vac è però saltato anche con il BY399... però c'è stato un notevole passo in avanti rispetto a prima.
Su eBay ho trovato dei MUR860 e attendo di provare con quelli. Proverò ad accendere e tenere per una mezz'oretta con 110Vac, poi la stessa prova la farò a 220Vac.
Spero che arrivino quanto prima in posta prioritaria da un rivenditore romano.
Avatar utente
Foto Utenteauato
61 5
Frequentatore
Frequentatore
 
Messaggi: 115
Iscritto il: 9 ott 2012, 9:17

0
voti

[45] Re: Riparazione switching: FET che salta ad ogni accensione

Messaggioda Foto UtenteBrunoValente » 23 nov 2014, 16:52

auato ha scritto:.. Dall'avatar mi sembri over 45 ..

Diciamo pure under 60..e ci sono dentro fino al collo..il mio turno arriva alla fine di quest'anno.

Non dimenticare di togliere il ponte sul condensatore.
Avatar utente
Foto UtenteBrunoValente
39,6k 7 11 13
G.Master EY
G.Master EY
 
Messaggi: 7796
Iscritto il: 8 mag 2007, 14:48

0
voti

[46] Re: Riparazione switching: FET che salta ad ogni accensione

Messaggioda Foto Utenteauato » 4 dic 2014, 23:28

Ritorno ad aggiornare! Arrivati i diodi ultra fast MUR860, ne monto uno e l'alimentatore è partito e sembra OK. Lo tengo da diverse ore acceso e senza apparenti problemi. Purtroppo sono alle prese, ora, con un nuovo problema: non funziona la scansione orizzontale. Se premo il beam finder o in XY trovo il dot luminoso che mi indica il buon funzionamento ma è come se mancasse la rampa dello sweep.

http://youtu.be/skhalkezGmY?list=UU6QbtcrbwAJ9sZZNorEZCWg

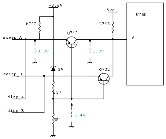
Ciò che ho notato da subito è l'assenza della rampa al pin 9 di U760 (pag. 358 del manuale) mentre la trovo sull'emettitore di Q742 e molto più netta ed ampia su R741 (lato Q712). Inutile dire che Q742/Q732/VR746/R746/R745 sono OK. Quello che non mi torna è la tensione tra base ed emettitore di Q742 +0,55V :?
Avatar utente
Foto Utenteauato
61 5
Frequentatore
Frequentatore
 
Messaggi: 115
Iscritto il: 9 ott 2012, 9:17

0
voti

[47] Re: Riparazione switching: FET che salta ad ogni accensione

Messaggioda Foto UtenteBrunoValente » 5 dic 2014, 12:38

Verifica se sono presenti le tensioni di +8.6V su R742 e di -5V su R743.
Verifica anche se è presente la tensione di +4.7V tra base di Q742 e riferimento.
Avatar utente
Foto UtenteBrunoValente
39,6k 7 11 13
G.Master EY
G.Master EY
 
Messaggi: 7796
Iscritto il: 8 mag 2007, 14:48

0
voti

[48] Re: Riparazione switching: FET che salta ad ogni accensione

Messaggioda Foto Utenteauato » 5 dic 2014, 15:30

Ciao Bruno.

Si, ci sono la due tensioni sulle resistenze e anche sulla base di Q742, solo che è di circa 4/4.1V e non 4.7V.
Ma non è strano che tra B ed E di Q742 ci sia +5.5V (puntale rosso sulla base e nero sull'emettitore)???
Avatar utente
Foto Utenteauato
61 5
Frequentatore
Frequentatore
 
Messaggi: 115
Iscritto il: 9 ott 2012, 9:17

0
voti

[49] Re: Riparazione switching: FET che salta ad ogni accensione

Messaggioda Foto UtenteBrunoValente » 5 dic 2014, 16:23

Intanto, se non sbaglio a capire, stai facendo confusione: nel messaggio precedente hai scritto 0.55V, ora invece scrivi 5.5V #-o ...
Misura le tre tensioni tra base e riferimento, tra emettitore e riferimento e tra collettore e riferimento.
Fai le stesse misure anche su Q732
Avatar utente
Foto UtenteBrunoValente
39,6k 7 11 13
G.Master EY
G.Master EY
 
Messaggi: 7796
Iscritto il: 8 mag 2007, 14:48

0
voti

[50] Re: Riparazione switching: FET che salta ad ogni accensione

Messaggioda Foto Utenteauato » 5 dic 2014, 23:32

Si Bruno, ho sbagliato a scrivere la seconda volta. La tensione tra Base ed Emettitore è +0.5V (puntale rosso sulla base). Ecco le altre tensione rispetto massa:
Base = 3.9V
Emettitore = 3.4V
Collettore = -1.9 (puntale rosso sul collettore)

Noto che siamo lontani dai 4.7V indicati a manuale sulla base (che inoltre non mi sembra possibile perché considerando i valori delle resistenze e dello zener dovremmo essere a circa 4.1V in quel punto). Inoltre c'è una differenza rispetto allo schema elettrico: i due collettori sono direttamente saldati e poi connessi al pin 9 del circuito integrato.
Allegati
sweep.png
Avatar utente
Foto Utenteauato
61 5
Frequentatore
Frequentatore
 
Messaggi: 115
Iscritto il: 9 ott 2012, 9:17

PrecedenteProssimo

Torna a Elettronica generale

Chi c’è in linea

Visitano il forum: Google [Bot], Google Adsense [Bot] e 33 ospiti