Alimentare un PIC con partorire di tensione
Moderatori:
carloc,
g.schgor,
BrunoValente,
IsidoroKZ
29 messaggi
• Pagina 3 di 3 • 1, 2, 3
3
voti
in pratica è un partitore, ma la tensione ripartita la prelevi con un emitter follower.
EDIT: versione che getta via meno corrente:
_______________________________________________________
Gli oscillatori non oscillano mai, gli amplificatori invece sempre
Io HO i poteri della supermucca, e ne vado fiero!
Gli oscillatori non oscillano mai, gli amplificatori invece sempre
Io HO i poteri della supermucca, e ne vado fiero!
0
voti
Fantastico! Mi studio per bene anche questa configurazione, grazie mille!!! A questo punto immagino che la corrente massima assorbibile dal PIC sia circa pari alla massima corrente di collettore del dato transistor, dico bene?
2
voti
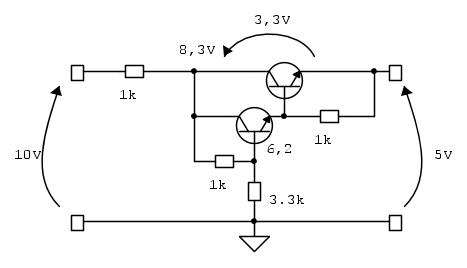
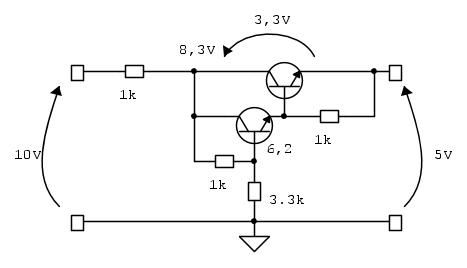
con la configurazione a darlington la corrente è limitata dalla potenza dissipabile dal BJT "sopra", sul quale passa circa tutta la corrente.
i 548 diciamo che mezzo watt senza aletta dovrebbero farcela, hai 3,3V di caduta quindi la corrente massima sarà 500mW/3,3 = (circa) 150mA...tutto a spanne eh, ma tanto a te servono 50mA quindi sei ben sotto, i calcoli spannometrici vanno bene in questi casi :)
i 548 diciamo che mezzo watt senza aletta dovrebbero farcela, hai 3,3V di caduta quindi la corrente massima sarà 500mW/3,3 = (circa) 150mA...tutto a spanne eh, ma tanto a te servono 50mA quindi sei ben sotto, i calcoli spannometrici vanno bene in questi casi :)
_______________________________________________________
Gli oscillatori non oscillano mai, gli amplificatori invece sempre
Io HO i poteri della supermucca, e ne vado fiero!
Gli oscillatori non oscillano mai, gli amplificatori invece sempre
Io HO i poteri della supermucca, e ne vado fiero!
0
voti
Perfetto, grazie infinite obiuan
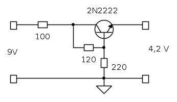
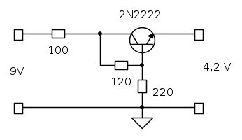
Stamattina ho fatto qualche prova di misurazione sul primo circuito, quello che getta un po' di corrente in più.
Ho trovato un 2N2222 e ho deciso di utilizzare quello perché è capace di lavorare con maggiori potenze, inoltre ho scoperto che l'alimentatore era da 9V e non da 10V.
Il mio circuito è quindi il seguente:
In uscita leggo 4,2 V. A questo punto ho provato a collegare un carico in uscita, precisamente una resistenza da 220ohm, per vedere se la tensione di output rimaneva stabile con un assorbimento di una ventina di mA. Purtroppo la tensione scende vertiginosamente portandosi a 3.2 V! E' normale? E' stata un'idea stupida collegare una resistenza per "simulare" l'assorbimento di 20mA di un PIC?
EDIT:
Ho provato anche col BC548 e con tensioni di alimentazioni diverse, ma collegando il carico la tensione decresce molto in ogni caso.
Stamattina ho fatto qualche prova di misurazione sul primo circuito, quello che getta un po' di corrente in più.
Ho trovato un 2N2222 e ho deciso di utilizzare quello perché è capace di lavorare con maggiori potenze, inoltre ho scoperto che l'alimentatore era da 9V e non da 10V.
Il mio circuito è quindi il seguente:
In uscita leggo 4,2 V. A questo punto ho provato a collegare un carico in uscita, precisamente una resistenza da 220ohm, per vedere se la tensione di output rimaneva stabile con un assorbimento di una ventina di mA. Purtroppo la tensione scende vertiginosamente portandosi a 3.2 V! E' normale? E' stata un'idea stupida collegare una resistenza per "simulare" l'assorbimento di 20mA di un PIC?
EDIT:
Ho provato anche col BC548 e con tensioni di alimentazioni diverse, ma collegando il carico la tensione decresce molto in ogni caso.
2
voti
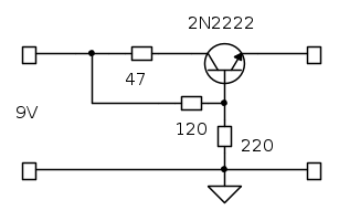
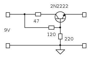
Alimentando la resistenza da 120 in serie a quella di 100
quando attacchi un carico squilibri il partitore .
Consiglierei di alimentarla direttamente dai 9V
e diminuire inoltre la resistenza in serie al transistor
da 100 a 47 Ohm.
quando attacchi un carico squilibri il partitore .
Consiglierei di alimentarla direttamente dai 9V
e diminuire inoltre la resistenza in serie al transistor
da 100 a 47 Ohm.
1
voti
Evita di citare i messaggi quando non serve.
Ti ringrazio, provo immediatamente.
Quindi il circuito risultante sarebbe il seguente?
Ti ringrazio, provo immediatamente.
Quindi il circuito risultante sarebbe il seguente?
0
voti
g.schgor ha scritto:Alimentando la resistenza da 120 in serie a quella di 100
quando attacchi un carico squilibri il partitore .
per la svista tricka._______________________________________________________
Gli oscillatori non oscillano mai, gli amplificatori invece sempre
Io HO i poteri della supermucca, e ne vado fiero!
Gli oscillatori non oscillano mai, gli amplificatori invece sempre
Io HO i poteri della supermucca, e ne vado fiero!
29 messaggi
• Pagina 3 di 3 • 1, 2, 3
Chi c’è in linea
Visitano il forum: Nessuno e 58 ospiti

Elettrotecnica e non solo (admin)
Un gatto tra gli elettroni (IsidoroKZ)
Esperienza e simulazioni (g.schgor)
Moleskine di un idraulico (RenzoDF)
Il Blog di ElectroYou (webmaster)
Idee microcontrollate (TardoFreak)
PICcoli grandi PICMicro (Paolino)
Il blog elettrico di carloc (carloc)
DirtEYblooog (dirtydeeds)
Di tutto... un po' (jordan20)
AK47 (lillo)
Esperienze elettroniche (marco438)
Telecomunicazioni musicali (clavicordo)
Automazione ed Elettronica (gustavo)
Direttive per la sicurezza (ErnestoCappelletti)
EYnfo dall'Alaska (mir)
Apriamo il quadro! (attilio)
H7-25 (asdf)
Passione Elettrica (massimob)
Elettroni a spasso (guidob)
Bloguerra (guerra)









