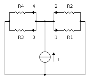
Buongiorno a tutti! Sono uno studente di ingegneria elettronica e al momento mi trovo a preparare l'esame di Teoria dei circuiti, facendo esercizi qua e là! Al momento mi sono "schiantato" contro questo schema:
R1=60ohm, R2=60ohm,R3=60ohm, R4=60ohm e I=10A.
Devo trovare le 4 correnti sulle resistenze; Ho usato la formula del partitore di corrente per ogni I ma i conti non tornano! L'esercizio direi che è molto semplice, ma non riesco a uscirne.. qualcuno può gentilmente mostrarmi la risoluzione così da confrontarla con la mia e vedere l'errore? grazie:)
Partitore di corrente a 4 resistori
Moderatori:
g.schgor,
IsidoroKZ
13 messaggi
• Pagina 1 di 2 • 1, 2
0
voti
0
voti
Ok, quindi ad esempio per trovare la corrente su R1 uso questa formula:

Giusto?

Giusto?
1
voti
ma di dove viene quella formula?
non vedi che IR1 è maggiore di I? ti sembra possibile?
evita di usare formule (magari generalizzando a caso formule che magari sono giuste) e usa il ragionamento
non vedi che IR1 è maggiore di I? ti sembra possibile?
evita di usare formule (magari generalizzando a caso formule che magari sono giuste) e usa il ragionamento
1
voti
Nick1189 ha scritto:Ok, quindi ad esempio per trovare la corrente su R1 uso questa formula:
Se avessi dato una veloce controllata alla formula, avresti notato che non è dimensionalmente corretta, infatti nel membro di sinistra hai una corrente, mentre al membro di destra no..
Quindi, direi che non ci siamo..
Allora, facciamo così..
Prova ad applicare la formula del partitore di corrente per trovare la
in questo circuito:0
voti
per trovare IB ecco:

ma avendo più di 2 resistenze in parallelo, come mi devo comportare?

ma avendo più di 2 resistenze in parallelo, come mi devo comportare?
0
voti
Nick1189 ha scritto:ma avendo più di 2 resistenze in parallelo, come mi devo comportare?
Bè, quelle in parallelo le riduci ad una sola resistenza.
Se fai queste sostituzioni:
=
, e
=
troverai la corrente che scorre su
..giusto?2
voti
Calcoli la tensione del parallelo, moltiplicando la corrente totale per la resistenza equivalente del parallelo e la dividi per la resistenza che ti interessa. Ad esempio per calcolare la corrente sulla resistenza
nello schema con quattro resistenze in parallelo alimentate dal deneratore di corrente I

Oppure per utilizzare la formula da te scritta procedi così
nello schema con quattro resistenze in parallelo alimentate dal deneratore di corrente I
Oppure per utilizzare la formula da te scritta procedi così
13 messaggi
• Pagina 1 di 2 • 1, 2
Torna a Elettrotecnica generale
Chi c’è in linea
Visitano il forum: Nessuno e 114 ospiti

Elettrotecnica e non solo (admin)
Un gatto tra gli elettroni (IsidoroKZ)
Esperienza e simulazioni (g.schgor)
Moleskine di un idraulico (RenzoDF)
Il Blog di ElectroYou (webmaster)
Idee microcontrollate (TardoFreak)
PICcoli grandi PICMicro (Paolino)
Il blog elettrico di carloc (carloc)
DirtEYblooog (dirtydeeds)
Di tutto... un po' (jordan20)
AK47 (lillo)
Esperienze elettroniche (marco438)
Telecomunicazioni musicali (clavicordo)
Automazione ed Elettronica (gustavo)
Direttive per la sicurezza (ErnestoCappelletti)
EYnfo dall'Alaska (mir)
Apriamo il quadro! (attilio)
H7-25 (asdf)
Passione Elettrica (massimob)
Elettroni a spasso (guidob)
Bloguerra (guerra)












