Ho risaldato la resistenza in uscita ho 2.5 V cambio il transistor C548B
Alimentatore tensione variabile
Moderatori:
carloc,
g.schgor,
BrunoValente,
IsidoroKZ
0
voti
0
voti
Quella resistenza non mi sembra nuova..lo sento dall'odore 
-

BrunoValente
39,6k 7 11 13 - G.Master EY

- Messaggi: 7796
- Iscritto il: 8 mag 2007, 14:48
0
voti
Ho cambiato il transistor c548b tutto ok funziona adesso vorrei sistemare i fili e quelle resistenze volanti e il condensatore e anche il transistor C548B vorrei sistemarli su una scheda mille fori cosa ne dite??
1
voti
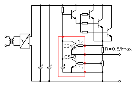
Però attenzione, per come è fatto non conviene mettere su mille fori tutti i componenti, diverrebbe una ragnatela di cavi di collegamento che andrebbero avanti e indietro.
Ti consiglio di mettere su mille fori solo i componenti del riquadro rosso e di lasciare volanti tutti gli altri.
Le resistenze di potenza e quella sulla base dell'MJ3001 andrebbero solo sistemate, con i reofori cortissimi agganciati (saldati) direttamente sui piedini dei transistor di potenza...poi fai come vuoi.
Ti consiglio di mettere su mille fori solo i componenti del riquadro rosso e di lasciare volanti tutti gli altri.
Le resistenze di potenza e quella sulla base dell'MJ3001 andrebbero solo sistemate, con i reofori cortissimi agganciati (saldati) direttamente sui piedini dei transistor di potenza...poi fai come vuoi.
-

BrunoValente
39,6k 7 11 13 - G.Master EY

- Messaggi: 7796
- Iscritto il: 8 mag 2007, 14:48
0
voti
Ok bruno ascolto il tuo consiglio
Dopo aver sistemato il tutto vorrei anche chiudere tutto in una scatola rimanendo fuori solo il dissipatore all'interno della scatola vorrei inserire una ventola che aspira aria dall'interno
e sul dissipatore metterei una ventola che spinge aria su di lei
cosa ne dite ??
2
voti
Assicurati anzitutto che i componenti che scaldano (Transistor di potenza e ponte raddrizzatore) siano ben collegati termicamente al dissipatore: mi pare di capire dalle foto che tra i componenti che scaldano e il dissipatore vi siano di mezzo dei profilati di alluminio che in qualche modo potrebbero essere una ostruzione alla trasmissione del calore..questo però è difficile da valutare.
Insomma, se la conduzione termica è buona allora transistor e dissipatore raggiungono la stessa temperatura e quindi raffreddando il dissipatore si raffreddano anche i transistor, se invece non è buona il dissipatore resta ad una temperatura più bassa di quella dei transistor e, se questo accade, può essere un problema perché anche raffreddando il dissipatore i transistor potrebbero raggiungere comunque una temperatura troppo alta.
Se la conduzione è buona allora dovrebbe essere sufficiente solo una ventola esterna che soffia sul dissipatore..e comunque tutto questo ragionamento lascia il tempo che trova perché per dimensionare correttamente un dissipatore si dovrebbero fare dei calcoli e non si dovrebbe andare a sensazione..e nemmeno a vanvera.
Nel tuo caso è difficile fare calcoli perché non si conoscono le caratteristiche termiche del tuo dissipatore e quindi l'unico ragionamento sensato che si può fare è: "se prima funzionava, allora aggiungendo una ventola andrà sicuramente meglio" e ci si accontenta di quello che viene.
Insomma, se la conduzione termica è buona allora transistor e dissipatore raggiungono la stessa temperatura e quindi raffreddando il dissipatore si raffreddano anche i transistor, se invece non è buona il dissipatore resta ad una temperatura più bassa di quella dei transistor e, se questo accade, può essere un problema perché anche raffreddando il dissipatore i transistor potrebbero raggiungere comunque una temperatura troppo alta.
Se la conduzione è buona allora dovrebbe essere sufficiente solo una ventola esterna che soffia sul dissipatore..e comunque tutto questo ragionamento lascia il tempo che trova perché per dimensionare correttamente un dissipatore si dovrebbero fare dei calcoli e non si dovrebbe andare a sensazione..e nemmeno a vanvera.
Nel tuo caso è difficile fare calcoli perché non si conoscono le caratteristiche termiche del tuo dissipatore e quindi l'unico ragionamento sensato che si può fare è: "se prima funzionava, allora aggiungendo una ventola andrà sicuramente meglio" e ci si accontenta di quello che viene.
-

BrunoValente
39,6k 7 11 13 - G.Master EY

- Messaggi: 7796
- Iscritto il: 8 mag 2007, 14:48
0
voti
Grazie a tutti gli utenti del forum per avermi aiutato a risolvere il problema con l'alimentatore.
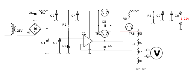
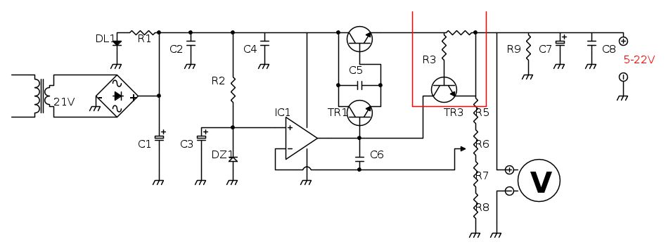
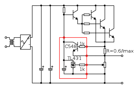
Su un libro ho trovato uno schema di un alimentatore a tensione variabile con circuito di protezione una cosa che vorrei aggiungere al mio trasformatore cerchio in rosso i componente che in questo schema effettuano la protezione.
volevo sapere se dimensionati bene potevo aggiungere i componenti al mio trasformatore per effettuare la protezione contro i corti circuiti grazie a presto una risposta dagli utenti del forum
Su un libro ho trovato uno schema di un alimentatore a tensione variabile con circuito di protezione una cosa che vorrei aggiungere al mio trasformatore cerchio in rosso i componente che in questo schema effettuano la protezione.
volevo sapere se dimensionati bene potevo aggiungere i componenti al mio trasformatore per effettuare la protezione contro i corti circuiti grazie a presto una risposta dagli utenti del forum
0
voti
Così dovrebbe funzionare
La resistenza R devi dimensionarla per la corrente massima a cui vuoi che intervenga la limitazione: devi dividere la costante 0.6 per la corrente in amper e così ottieni il valore di R in ohm, Ad esempio se vuoi che la corrente non superi 5A devi montare una resistenza da 0.6/5 = 0.12ohm.
La resistenza R deve essere grossa e puoi sceglierla di un valore in watt pari al valore in amper della corrente massima, così se Imax=5A devi sceglierla da 5W.
Se vuoi migliorare il circuito puoi sostituire il transistor regolatore della tensione con un TL431 che ti assicura molta precisione e soprattutto molta stabilità termica rispetto al transistor, però non ti permette di scendere sotto 2.5V con la tensione di uscita, invece ora con il transistor dovrebbe scendere fino a circa 0.6V
La resistenza R devi dimensionarla per la corrente massima a cui vuoi che intervenga la limitazione: devi dividere la costante 0.6 per la corrente in amper e così ottieni il valore di R in ohm, Ad esempio se vuoi che la corrente non superi 5A devi montare una resistenza da 0.6/5 = 0.12ohm.
La resistenza R deve essere grossa e puoi sceglierla di un valore in watt pari al valore in amper della corrente massima, così se Imax=5A devi sceglierla da 5W.
Se vuoi migliorare il circuito puoi sostituire il transistor regolatore della tensione con un TL431 che ti assicura molta precisione e soprattutto molta stabilità termica rispetto al transistor, però non ti permette di scendere sotto 2.5V con la tensione di uscita, invece ora con il transistor dovrebbe scendere fino a circa 0.6V
-

BrunoValente
39,6k 7 11 13 - G.Master EY

- Messaggi: 7796
- Iscritto il: 8 mag 2007, 14:48
Chi c’è in linea
Visitano il forum: Nessuno e 33 ospiti

Elettrotecnica e non solo (admin)
Un gatto tra gli elettroni (IsidoroKZ)
Esperienza e simulazioni (g.schgor)
Moleskine di un idraulico (RenzoDF)
Il Blog di ElectroYou (webmaster)
Idee microcontrollate (TardoFreak)
PICcoli grandi PICMicro (Paolino)
Il blog elettrico di carloc (carloc)
DirtEYblooog (dirtydeeds)
Di tutto... un po' (jordan20)
AK47 (lillo)
Esperienze elettroniche (marco438)
Telecomunicazioni musicali (clavicordo)
Automazione ed Elettronica (gustavo)
Direttive per la sicurezza (ErnestoCappelletti)
EYnfo dall'Alaska (mir)
Apriamo il quadro! (attilio)
H7-25 (asdf)
Passione Elettrica (massimob)
Elettroni a spasso (guidob)
Bloguerra (guerra)





