utilizzando questa convenzione
KVL mi viene:
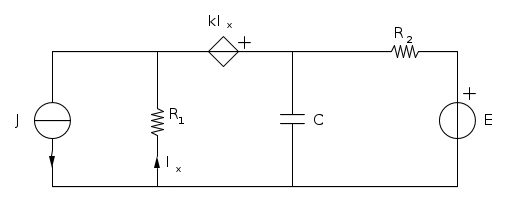
-Vc+kix-R1ix=0 => Vc=6-6=0
ho sbagliato qualcosa?
Calcolare la corrente che attraversa il condensatore
Moderatori:
g.schgor,
IsidoroKZ
33 messaggi
• Pagina 2 di 4 • 1, 2, 3, 4
1
voti
Si, i numeri, dal tuo schema originario:
,
, 
siccome nella maglia di destra non scorre corrente
, con le tue convenzioni


,
, 
siccome nella maglia di destra non scorre corrente
, con le tue convenzioni

Atlant.
Behind every great man is a woman rolling her eyes.
Behind every great man is a woman rolling her eyes.
0
voti
si ho ricontrollato i calcoli ed è giusto come hai fatto tu, quindi adesso calcolo la corrente nel condensatore ic(t=0+) come ti avevo decritto nel post sopra?
1
voti
Ora chiudiamo l'interruttore, il condensatore inizierà a caricarsi o scaricarsi (questo lo scopriremo).
Lo schema da considerare è questo:
Il procedimento generale è scrivere da una parte le leggi di K del circuito, dall'altra le leggi di bibpolo dei vari elementi, sostituire queste nelle K e per sostituzioni successive ricavare l'equazione differenziale che governa l'andamento del transitorio che vuoi studiare.
Pensavo che per semplificare le cose potresti rappresentare la maglia di destra con un generatore equivalente di Thevenin, considerando la tensione ai capi del condensatore, sapresti farlo? Una parte del lavoro la abbiamo già fatta, si tratterebbe solo di calcolare la resistenza equivalente vista dai morsetti del condensatore (guardando verso la maglia di destra ovviamente).
Lo schema da considerare è questo:
Il procedimento generale è scrivere da una parte le leggi di K del circuito, dall'altra le leggi di bibpolo dei vari elementi, sostituire queste nelle K e per sostituzioni successive ricavare l'equazione differenziale che governa l'andamento del transitorio che vuoi studiare.
Pensavo che per semplificare le cose potresti rappresentare la maglia di destra con un generatore equivalente di Thevenin, considerando la tensione ai capi del condensatore, sapresti farlo? Una parte del lavoro la abbiamo già fatta, si tratterebbe solo di calcolare la resistenza equivalente vista dai morsetti del condensatore (guardando verso la maglia di destra ovviamente).
Atlant.
Behind every great man is a woman rolling her eyes.
Behind every great man is a woman rolling her eyes.
2
voti
Ciao, sto avendo solo adesso il tempo di rispondere, comunque io diciamo che ho utilizzato un metodo equivalente.
Eravamo rimasti al calcolo di
che secondo i calcoli era di 3[V], quindi per continuità ho ipotizzato a t=0+ di sostituire il condensatore con un generatore di tensione pari a 3[V].
Dopo di che ho calcolato la soluzione a regime, tenendo conto del fatto che di nuovo a regime costante il condensatore si può considerare un circuito aperto, e quindi vado a calcolarmi la mia
che risulta essere 4[V].
Per la costante di tempo
ho pensato di ricavare
sostituento al condensatore un generatore di tensione di prova
così che
, svolgendo tutti i calcoli
.
Alla fine l'equazione che regola ila tensione sul condensatore dovrebbe essere:
Penso sia tutto esatto(?), però mi sono accorto che l'esercizio mi chiedeva pure di analizzare il comportamento di
, questa corrente come si comporta in funzione del condensatore?
Eravamo rimasti al calcolo di
che secondo i calcoli era di 3[V], quindi per continuità ho ipotizzato a t=0+ di sostituire il condensatore con un generatore di tensione pari a 3[V].Dopo di che ho calcolato la soluzione a regime, tenendo conto del fatto che di nuovo a regime costante il condensatore si può considerare un circuito aperto, e quindi vado a calcolarmi la mia
che risulta essere 4[V].Per la costante di tempo
ho pensato di ricavare
sostituento al condensatore un generatore di tensione di prova
così che
, svolgendo tutti i calcoli
. Alla fine l'equazione che regola ila tensione sul condensatore dovrebbe essere:

Penso sia tutto esatto(?), però mi sono accorto che l'esercizio mi chiedeva pure di analizzare il comportamento di
, questa corrente come si comporta in funzione del condensatore?0
voti
Sta sera ti controllo bene tutto e vediamo cosa succede alla corrente, intanto bravo per l'impegno 

Atlant.
Behind every great man is a woman rolling her eyes.
Behind every great man is a woman rolling her eyes.
0
voti
Ok spud!
si mi viene +4[V]
Cosa vuoi dire? non ti seguo
marco76 ha scritto:Scusa Vfinale è -4V o +4V?O_/
si mi viene +4[V]
E nella formula non compaiono le variabili?
Cosa vuoi dire? non ti seguo
0
voti
Quella è la tensione espressa in funzione del tempo, il suo valore dipende dall'istante in cui la calcoli.
Atlant.
Behind every great man is a woman rolling her eyes.
Behind every great man is a woman rolling her eyes.
33 messaggi
• Pagina 2 di 4 • 1, 2, 3, 4
Torna a Elettrotecnica generale
Chi c’è in linea
Visitano il forum: Nessuno e 52 ospiti

Elettrotecnica e non solo (admin)
Un gatto tra gli elettroni (IsidoroKZ)
Esperienza e simulazioni (g.schgor)
Moleskine di un idraulico (RenzoDF)
Il Blog di ElectroYou (webmaster)
Idee microcontrollate (TardoFreak)
PICcoli grandi PICMicro (Paolino)
Il blog elettrico di carloc (carloc)
DirtEYblooog (dirtydeeds)
Di tutto... un po' (jordan20)
AK47 (lillo)
Esperienze elettroniche (marco438)
Telecomunicazioni musicali (clavicordo)
Automazione ed Elettronica (gustavo)
Direttive per la sicurezza (ErnestoCappelletti)
EYnfo dall'Alaska (mir)
Apriamo il quadro! (attilio)
H7-25 (asdf)
Passione Elettrica (massimob)
Elettroni a spasso (guidob)
Bloguerra (guerra)





