Ciao,
Volevo chiedere se in qualche modo è possibile far accendere un transistor npn, con la semionda 'bassa" di un clock, quindi con 0V, mentre si spenga con la seminionda alta (12v).
Grazie
Pilotaggio NPN
Moderatori:
carloc,
g.schgor,
BrunoValente,
IsidoroKZ
31 messaggi
• Pagina 1 di 4 • 1, 2, 3, 4
0
voti
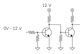
Cosi:
L'ideale è mandare in saturazione il PNP.
O anche cosi:
L'ideale è mandare in saturazione il PNP.
O anche cosi:
0
voti
tanto per chiarire quello che devo fare: devo solo fare accendere alternatamente le due file di led, e in corrispondenza dell'accensione di una delle due file, devo far suonare il buzzer (freq 1hz).
Gia che ci sono ti chiedevo se potevi dargli un occhio, per vedere se cìè qualcosa che non va... prima del test.
Cosa ne pensi?
Grazie
Gia che ci sono ti chiedevo se potevi dargli un occhio, per vedere se cìè qualcosa che non va... prima del test.
Cosa ne pensi?
Grazie
-

MARCO VARONE
10 3 - New entry

- Messaggi: 51
- Iscritto il: 2 ago 2007, 9:10
-

MARCO VARONE
10 3 - New entry

- Messaggi: 51
- Iscritto il: 2 ago 2007, 9:10
0
voti
Ripensando allo schema che ti ho inviato, effettivamente sembrerebbe che comunque, le cadute di tensione sui LED, possano attivare la base del secondo transistor...gisuto?
Posso fare in qualche altro modo? tipo abbassare la resistenza di base del second NPN...?
Scarto già l'ipotesi di usare il PNP, perche ho comprato per sbaglio 100 NPN, quando me ne servivano 10, e vorrei farli fuori un po alla volta....
Posso fare in qualche altro modo? tipo abbassare la resistenza di base del second NPN...?
Scarto già l'ipotesi di usare il PNP, perche ho comprato per sbaglio 100 NPN, quando me ne servivano 10, e vorrei farli fuori un po alla volta....

-

MARCO VARONE
10 3 - New entry

- Messaggi: 51
- Iscritto il: 2 ago 2007, 9:10
0
voti
I LED mettili sul collettore, come il buzzer.
Gli schemi con FidocadJ si racchiudono tra i code fcd, non è necessario allegare il PDF.
Basta copiare il codice dello schema ed incollarlo qui.
Gli schemi con FidocadJ si racchiudono tra i code fcd, non è necessario allegare il PDF.
Basta copiare il codice dello schema ed incollarlo qui.
0
voti
Ma sul collettore sono sempre accesi, attraverso la resistenza di base del secondo npn, e poi attraverso il primo transistor. ... O mi sbaglio?
-

MARCO VARONE
10 3 - New entry

- Messaggi: 51
- Iscritto il: 2 ago 2007, 9:10
31 messaggi
• Pagina 1 di 4 • 1, 2, 3, 4
Chi c’è in linea
Visitano il forum: Nessuno e 87 ospiti

Elettrotecnica e non solo (admin)
Un gatto tra gli elettroni (IsidoroKZ)
Esperienza e simulazioni (g.schgor)
Moleskine di un idraulico (RenzoDF)
Il Blog di ElectroYou (webmaster)
Idee microcontrollate (TardoFreak)
PICcoli grandi PICMicro (Paolino)
Il blog elettrico di carloc (carloc)
DirtEYblooog (dirtydeeds)
Di tutto... un po' (jordan20)
AK47 (lillo)
Esperienze elettroniche (marco438)
Telecomunicazioni musicali (clavicordo)
Automazione ed Elettronica (gustavo)
Direttive per la sicurezza (ErnestoCappelletti)
EYnfo dall'Alaska (mir)
Apriamo il quadro! (attilio)
H7-25 (asdf)
Passione Elettrica (massimob)
Elettroni a spasso (guidob)
Bloguerra (guerra)

