vu meter rgb
Moderatori:
carloc,
g.schgor,
BrunoValente,
IsidoroKZ
37 messaggi
• Pagina 3 di 4 • 1, 2, 3, 4
0
voti
[21] Re: vu meter rgb
...+/-9 V...
"Non farei mai parte di un club che accettasse la mia iscrizione" (G. Marx)
-

claudiocedrone
21,3k 4 7 9 - Master EY

- Messaggi: 15302
- Iscritto il: 18 gen 2012, 13:36
0
voti
[22] Re: vu meter rgb
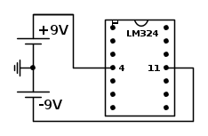
io intendevo dire i limiti minimo e massimo dell'alimentazione. P.S.: il riferimento a massa dei ± 9V dove lo collego?
0
voti
[23] Re: vu meter rgb
simtrix ha scritto:... il riferimento a massa dei ± 9V dove lo collego?
Se utilizzi due pile il riferimento di massa è il link delle due batterie.
Per ottenere, in questo caso, una tensione duale le batterie vanno collegate in serie.
0
voti
[24] Re: vu meter rgb
io l'alimentazione duale a 9 volt ( due batterie collegate in serie) la intendo cosí. la domanda é: la massa la collego qualche cosa (penso cosí) o la lascio libera (penso di no).
0
voti
[29] Re: vu meter rgb
con la sua brava formuletta: Hz=1:(2xpigrecoxRxC) dove é piú facile stabilire la frequenza di taglio che la C allora per trovare il valore incognito del condensatore C faccio cosí C=1:(2xpigrecoxRxHz). ciao a tutti
37 messaggi
• Pagina 3 di 4 • 1, 2, 3, 4
Chi c’è in linea
Visitano il forum: Nessuno e 445 ospiti

Elettrotecnica e non solo (admin)
Un gatto tra gli elettroni (IsidoroKZ)
Esperienza e simulazioni (g.schgor)
Moleskine di un idraulico (RenzoDF)
Il Blog di ElectroYou (webmaster)
Idee microcontrollate (TardoFreak)
PICcoli grandi PICMicro (Paolino)
Il blog elettrico di carloc (carloc)
DirtEYblooog (dirtydeeds)
Di tutto... un po' (jordan20)
AK47 (lillo)
Esperienze elettroniche (marco438)
Telecomunicazioni musicali (clavicordo)
Automazione ed Elettronica (gustavo)
Direttive per la sicurezza (ErnestoCappelletti)
EYnfo dall'Alaska (mir)
Apriamo il quadro! (attilio)
H7-25 (asdf)
Passione Elettrica (massimob)
Elettroni a spasso (guidob)
Bloguerra (guerra)








