No.
Quell'amplificatore (dati costruttore) lavora con tensioni da 2.5 a 5.5V; nel datasheet viene raccomandato, di conseguenza, l'uso di batteria al litio (3.7V) o 4 NiMh da 1.2V ciascuna in serie.
Vorei ricordarti che quel giocattolo ( in Cina montato costa due euro) non e' un HiFi di pregio e che, di conseguenza, non si deve pretendere il massimo delle prestazioni.
Lascia perdere quindi step up o down e metti quanto suggerito dal datasheet.
Sovra scarica batterie al litio
Moderatori:
carloc,
g.schgor,
BrunoValente,
IsidoroKZ
39 messaggi
• Pagina 3 di 4 • 1, 2, 3, 4
0
voti
Scusami, ma allora come fanno i battery pack per smartphone e tablet, che montano 18650 in parallelo + step up, a dare 2 e passa ampere in uscita?
Sarebbe il caso di usare due batterie in serie?
Grazie
Sarebbe il caso di usare due batterie in serie?
Grazie
3
voti
Probabilmente usano step-up diversi da quello citato che comunque, come ho scritto prima, paiono non servire.
Poi mi chiedo a cosa servano 2A; se questo fosse il consumo la batteria durerebbe ben poco.
Poi mi chiedo a cosa servano 2A; se questo fosse il consumo la batteria durerebbe ben poco.
marco
0
voti
Alimentandolo a 3,7v avrei 1,7w invece dei 3w... Però, dato che non devo pretendere il massimo a questo punto cambio integrato...non vorrei sfruttare a metà le casse
Grazie mille per l'aiuto

Grazie mille per l'aiuto

1
voti
Ho realizzato diversi audio portatili in passato, ma dovessi farli oggi mi rivolgerei ai tanti amplificatori , finiti o in scheda, cinesi. In genere sono digitali e quindi con buon rendimento, ottimo per funzionamento a batteria.
Questo, finito, ha amplificatore stereo, radio FM, presa USB e schede per riproduzione MP3, display e telecomando http://www.ebay.com/itm/DC-12V-Blue-Mic ... 2a4796f407 il tutto per meno di 17€.
Se cerchi ci sono, oltre ad altri di quel tipo, anche parecchie schede già pronte o kit con ampli in classe D. Ad esempio questo http://www.dx.com/p/sj2038-mini-hi-fi-2 ... KQfM8nnCSM
Comunque che altoparlanti/casse vuoi abbinare all'amplificatore? Se vuoi avere un suono decente gli altoparlanti non potranno essere tanto piccoli e leggeri, quindi non mi è chiara la ricerca di risparmio di ingombro e peso sugli altri elementi del sistema.
Illustrando meglio il tuo progetto e l'uso che ne vorrai fare, potrai avere consigli più mirati
Questo, finito, ha amplificatore stereo, radio FM, presa USB e schede per riproduzione MP3, display e telecomando http://www.ebay.com/itm/DC-12V-Blue-Mic ... 2a4796f407 il tutto per meno di 17€.
Se cerchi ci sono, oltre ad altri di quel tipo, anche parecchie schede già pronte o kit con ampli in classe D. Ad esempio questo http://www.dx.com/p/sj2038-mini-hi-fi-2 ... KQfM8nnCSM
Comunque che altoparlanti/casse vuoi abbinare all'amplificatore? Se vuoi avere un suono decente gli altoparlanti non potranno essere tanto piccoli e leggeri, quindi non mi è chiara la ricerca di risparmio di ingombro e peso sugli altri elementi del sistema.
Illustrando meglio il tuo progetto e l'uso che ne vorrai fare, potrai avere consigli più mirati
-

FedericoSibona
5.022 3 5 8 - Master

- Messaggi: 3951
- Iscritto il: 19 mar 2013, 11:43
0
voti
Domani posto le foto delle casse e scrivo tutto ciò che serve
Colgo l'occasione per ringraziarvi di tutto ed augurarvi buon anno
Colgo l'occasione per ringraziarvi di tutto ed augurarvi buon anno
1
voti
Allora, eccomi qua
Questo è lo schema di come vorrei costruire questa cassa:
Questo è il caricatore
La batteria
La protezione
Lo step-up
L'amplificatore
E queste sono le casse:
So che questi altoparlanti non sono proprio leggeri, per questo non voglio incrementare ulteriormente il peso con le batterie ni-mh... in più con questo modo avrei la comodità di utilizzare un comunissimo alimentatore da 5v. Tenendo conto che l'uscita micro USB per le emergenze non sia utilizzata, la batteria almeno un'ora dovrebbe durare
Grazie mille ragazzi per l'aiuto che mi state dando

Questo è lo schema di come vorrei costruire questa cassa:
Questo è il caricatore
La batteria
La protezione
Lo step-up
L'amplificatore
E queste sono le casse:
So che questi altoparlanti non sono proprio leggeri, per questo non voglio incrementare ulteriormente il peso con le batterie ni-mh... in più con questo modo avrei la comodità di utilizzare un comunissimo alimentatore da 5v. Tenendo conto che l'uscita micro USB per le emergenze non sia utilizzata, la batteria almeno un'ora dovrebbe durare
Grazie mille ragazzi per l'aiuto che mi state dando

0
voti
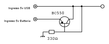
Rivedendo lo schema si potrebbe automatizzare quello switch a due vie che commuta l'alimentazione da batteria ad ingresso micro USB. Per farlo è semplice, servirebbe qualcosa che rilevi la presenza dei 5v sulla porta micro USB...ma cosa? Io avevo pensato ad un semplice mini-relè, ma volevo escludere questa soluzione per via dello spazio occupato e del consumo del relè. Un mio amico mi consiglia di usare questo banale circuito:
Può funzionare? Che scopo ha quel resistore?
Grazie
Può funzionare? Che scopo ha quel resistore?
Grazie

0
voti
Perdonami, ma a me sembra che, nel tuo schema a blocchi, ci siano delle complicazioni notevoli ed inutili, il tutto per risparmiare un hg di peso sui kg che peseranno gli altoparlanti.
Ho anche qualche dubbio che quell'amplificatore riesca a smuovere quei woofer, che potenza nominale e che diametro hanno i woofer?
Se vuoi realizzare un amplificatore stereo dovrai inoltre mettere un woofer ed un midrange/tweeter per ogni canale e non i due woofer su uno ed i midrange sull'altro. E sarà necessaria una rete di crossover.
A mio parere meglio orientarsi su altoparlanti a larga banda che, in applicazioni che devono essere semplici come la tua, assicurano un buon bilanciamento tra bassi e medi/acuti.
Ma tutto ciò dipende da cosa hai già, puoi elencare i componenti di cui sei già in possesso?
Ho anche qualche dubbio che quell'amplificatore riesca a smuovere quei woofer, che potenza nominale e che diametro hanno i woofer?
Se vuoi realizzare un amplificatore stereo dovrai inoltre mettere un woofer ed un midrange/tweeter per ogni canale e non i due woofer su uno ed i midrange sull'altro. E sarà necessaria una rete di crossover.
A mio parere meglio orientarsi su altoparlanti a larga banda che, in applicazioni che devono essere semplici come la tua, assicurano un buon bilanciamento tra bassi e medi/acuti.
Ma tutto ciò dipende da cosa hai già, puoi elencare i componenti di cui sei già in possesso?
-

FedericoSibona
5.022 3 5 8 - Master

- Messaggi: 3951
- Iscritto il: 19 mar 2013, 11:43
2
voti
Reload371 ha scritto:Un mio amico mi consiglia di usare questo banale circuito:
Può funzionare? Che scopo ha quel resistore?
Grazie
Il resistore serve ad accendere il transistor quando non c'è la 5V di alimentazione. Però far passare 2A attraverso un transistor che ne tiene 100m, e far dissipare 0,6*2 = 1,2W a un transistor da 600mW direi che non sono due buone idee.
Inoltre, quel circuito è inutilmente complesso, visto che è equivalente a questo:
che come l'altro, ti da 4,3 V(a spanne) di alimentazione quando non c'è la USB.
Non entro nel merito del resto perché non ho avuto il tempo di leggere tutto il post.
_______________________________________________________
Gli oscillatori non oscillano mai, gli amplificatori invece sempre
Io HO i poteri della supermucca, e ne vado fiero!
Gli oscillatori non oscillano mai, gli amplificatori invece sempre
Io HO i poteri della supermucca, e ne vado fiero!
39 messaggi
• Pagina 3 di 4 • 1, 2, 3, 4
Chi c’è in linea
Visitano il forum: Nessuno e 66 ospiti

Elettrotecnica e non solo (admin)
Un gatto tra gli elettroni (IsidoroKZ)
Esperienza e simulazioni (g.schgor)
Moleskine di un idraulico (RenzoDF)
Il Blog di ElectroYou (webmaster)
Idee microcontrollate (TardoFreak)
PICcoli grandi PICMicro (Paolino)
Il blog elettrico di carloc (carloc)
DirtEYblooog (dirtydeeds)
Di tutto... un po' (jordan20)
AK47 (lillo)
Esperienze elettroniche (marco438)
Telecomunicazioni musicali (clavicordo)
Automazione ed Elettronica (gustavo)
Direttive per la sicurezza (ErnestoCappelletti)
EYnfo dall'Alaska (mir)
Apriamo il quadro! (attilio)
H7-25 (asdf)
Passione Elettrica (massimob)
Elettroni a spasso (guidob)
Bloguerra (guerra)






