Realizzare scritta auguri con LED
0
voti
Beh, lo schema lo hai visto, si tratta di un paio di circuiti integrati cui andranno aggiunti un transistor per ogni lettera e dei led.
Se te la senti.......altrimenti, visto il prezzo, compra quello che hai linkato
Se te la senti.......altrimenti, visto il prezzo, compra quello che hai linkato
marco
1
voti
Due integrati, 6 transistori, un po' di rumenta piccolina. Poi serve un alimentatore. NOn so se lo abbiano fatto con alimentatore non isolato e caduta capacitiva, mi pare un po' alta la corrente richiesta, ci vorrebbe un codensatore da un paio di microfarad.
Per usare proficuamente un simulatore, bisogna sapere molta più elettronica di lui
Plug it in - it works better!
Il 555 sta all'elettronica come Arduino all'informatica! (entrambi loro malgrado)
Se volete risposte rispondete a tutte le mie domande
Plug it in - it works better!
Il 555 sta all'elettronica come Arduino all'informatica! (entrambi loro malgrado)
Se volete risposte rispondete a tutte le mie domande
3
voti
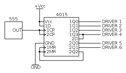
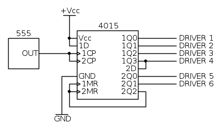
Schema aggiornato con il 4015, mi ero scordato quanto fossero divertenti i circuiti di questo tipo
"Computers, operating systems, networks are a hot mess. They're barely manageable, even if you know a decent amount about what you're doing. Nine out of ten software engineers agree: it's a miracle anything works at all."
@fasterthanlime
@fasterthanlime
0
voti
Mi intrometto
Premetto di conoscere appena le basi di elettronica
Da quello che ho capito da Wikipedia sul 555 si può configurare in diversi modi;
per questo utilizzo la modalità bistabile la escludo, ergo vada collegato come monostabile, corretto? (scusate se ho utilizzato termini sbagliati
)
Grazie infinite componenti di EY
Premetto di conoscere appena le basi di elettronica
Da quello che ho capito da Wikipedia sul 555 si può configurare in diversi modi;
per questo utilizzo la modalità bistabile la escludo, ergo vada collegato come monostabile, corretto? (scusate se ho utilizzato termini sbagliati
)Grazie infinite componenti di EY

-

danielepower
597 4 6 - Sostenitore

- Messaggi: 515
- Iscritto il: 6 dic 2014, 17:58
3
voti
danielepower ha scritto:ergo vada collegato come monostabile, corretto?
Ciao,
la configurazione monostabile non fa al caso nostro perché richiede un evento esterno (trigger) per cambiare di stato. A noi invece serve un sistema che automaticamente cambi lo stato dell'uscita in modo costante e per questo bisogna utilizzare la configurazione astabile, in modo da avere un'onda quadra ad una determinata frequenza.
Vedi:
http://it.wikipedia.org/wiki/Multivibratore
Astabile:
Nessuno dei due stati è stabile ed il circuito passa continuamente da uno stato all'altro. Il circuito si comporta pertanto come un particolare oscillatore a rilassamento, in grado di produrre onde quadre.
Monostabile:
Il circuito ha uno stato stabile (A), se viene sollecitato a passare all'altro stato (B) allora lo mantiene per un ben determinato periodo di tempo, dopodiché ritorna automaticamente allo stato stabile.
Un esempio tipico di monostabile è la luce delle scale, si preme un pulsante e la luce permane per un certo tempo. È però richiesto un intervento manuale per triggerare il primo cambio di stato.
"Computers, operating systems, networks are a hot mess. They're barely manageable, even if you know a decent amount about what you're doing. Nine out of ten software engineers agree: it's a miracle anything works at all."
@fasterthanlime
@fasterthanlime
0
voti
Grazie DonJ
la mia incognita era proprio il trigger
Avevo escluso la modalità astabile proprio perché si aveva all'uscita una frequenza e pensavo non servisse al nostro NE4015...Ho provato a cercare su wikipedia informazioni sul 4015 ma ho trovato un asteroide
..idem su google
Nel caso del tuo esempio il trigger per avere il cambio di stato è dato dal pulsante?
DonJ ha scritto:la configurazione monostabile non fa al caso nostro perché richiede un evento esterno (trigger) per cambiare di stato.
la mia incognita era proprio il trigger
Avevo escluso la modalità astabile proprio perché si aveva all'uscita una frequenza e pensavo non servisse al nostro NE4015...Ho provato a cercare su wikipedia informazioni sul 4015 ma ho trovato un asteroide
DonJ ha scritto:Un esempio tipico di monostabile è la luce delle scale, si preme un pulsante e la luce permane per un certo tempo. È però richiesto un intervento manuale per triggerare il primo cambio di stato.
Nel caso del tuo esempio il trigger per avere il cambio di stato è dato dal pulsante?
-

danielepower
597 4 6 - Sostenitore

- Messaggi: 515
- Iscritto il: 6 dic 2014, 17:58
2
voti
danielepower ha scritto:Ho provato a cercare su wikipedia informazioni sul 4015 ma ho trovato un asteroide..idem su google
![]()
Strano, il mio primo risultato cercando "4015" è questa guida:
http://www.doctronics.co.uk/4015.htm
Quando cerchi degli integrati, di solito la mossa migliore è guardare su datasheetcatalog.com
Ad esempio ho trovato: http://pdf.datasheetcatalog.com/datashe ... CT4015.pdf
danielepower ha scritto:Nel caso del tuo esempio il trigger per avere il cambio di stato è dato dal pulsante?
Esatto, l'elemento esterno che provoca il temporaneo cambiamento di stato del monostabile si dice trigger e in questo caso è proprio il pulsante.
Se applicassimo la configurazione monostabile al circuito in oggetto, per far illuminare le varie lettere - e quindi generare un fronte di salita in uscita dal 555 - dovremmo premere un pulsante collegato al 555, mentre quello che ci serve è che l'integrato produca in autonomia il fronte di salita con frequenza costante.
"Computers, operating systems, networks are a hot mess. They're barely manageable, even if you know a decent amount about what you're doing. Nine out of ten software engineers agree: it's a miracle anything works at all."
@fasterthanlime
@fasterthanlime
2
voti
DonJ ha scritto:Schema aggiornato con il 4015,
Il reset, al posto di prenderlo da 2Q2 potresti prenderlo da 2Q3 cosi` la scritta rimane accesa per piu` tempo. Oppure Q2 puo` andare in AND (con opportune negazioni) con il segnale di clock, e andare all'enable dei driver, in modo che si accende tutta, sta accesa, fa un lampeggio e si spegne. E altre amenita` assortite :)
Una precauzione, non serve con il 555 ma vale la pena tenerla presente. Quando si fa un circuito sincrono il clock deve arrivare "contemporaneamente" ai vari elementi, il che significa che i fronti di salita e di discesa del clock devono essere abbastanza ripidi. Se non lo sono, perche' magari il clock esce da un operazionale usato come oscillatore, il funzionamento della macchina sincrona puo` essere MOLTO caotico. Mi e` capitato recentemente
Per usare proficuamente un simulatore, bisogna sapere molta più elettronica di lui
Plug it in - it works better!
Il 555 sta all'elettronica come Arduino all'informatica! (entrambi loro malgrado)
Se volete risposte rispondete a tutte le mie domande
Plug it in - it works better!
Il 555 sta all'elettronica come Arduino all'informatica! (entrambi loro malgrado)
Se volete risposte rispondete a tutte le mie domande
Torna a Costruzione, riparazione, riutilizzo
Chi c’è in linea
Visitano il forum: Nessuno e 20 ospiti

Elettrotecnica e non solo (admin)
Un gatto tra gli elettroni (IsidoroKZ)
Esperienza e simulazioni (g.schgor)
Moleskine di un idraulico (RenzoDF)
Il Blog di ElectroYou (webmaster)
Idee microcontrollate (TardoFreak)
PICcoli grandi PICMicro (Paolino)
Il blog elettrico di carloc (carloc)
DirtEYblooog (dirtydeeds)
Di tutto... un po' (jordan20)
AK47 (lillo)
Esperienze elettroniche (marco438)
Telecomunicazioni musicali (clavicordo)
Automazione ed Elettronica (gustavo)
Direttive per la sicurezza (ErnestoCappelletti)
EYnfo dall'Alaska (mir)
Apriamo il quadro! (attilio)
H7-25 (asdf)
Passione Elettrica (massimob)
Elettroni a spasso (guidob)
Bloguerra (guerra)







, dopodiché ritorna automaticamente allo stato stabile.