Non conoscendo che cosa ci sia all'interno della portiera della vettura, al punto 11 avevo previsto queste difficolta'; tuttavia visto che ormai su tutte le auto esiste un alzacristalli elettrico, i +12V dovrebbero essere presenti.
Dovrebbe inoltre esistere un pulsante NO tra portiera e carrozzeria che collega al telaio dell'auto e quindi alla massa (telaio),permettendo cosi' l'accensione delle luci interne all'apertura delle portiere; ma questo dipende dal tipo di auto.
Se le cose stanno cosi', non vedo quali siano le difficolta' che incontri o forse non le ho capite dalle tue descrizioni.
Riduttore di tensione da 12V a 4,5V
Moderatori:
carloc,
g.schgor,
BrunoValente,
IsidoroKZ
0
voti
Vi ringrazio per il supporto,sicuro risolviamo alla grande con il vostro aiuto.
Ho smontato il pannello porta,
vedi immagine del connettore centralina:
Leggi le regole del forum; i server esterni non sono ammessi. Secondo avviso.
Ho tensione fissa ai capi di due cavi di alimentazione della centralina vedi i due fili da 2.5mm in primo piano,
quindi nessun problema a prelevare i 12v da collegare alla scheda riduttrice di tensione,questa:
http://www.aliexpress.com/snapshot/6426 ... 9490808242
Circa il contatto porta,funziona con questa logica e non ha tensione ai capi:
continuità a porta aperta,circuito aperto a porta chiusa,
quindi perfetto per i miei scopi.
Difatti io non voglio usare il contatto porta per interrompere il circuito di alimentazione,
avevo il dubbio e oggi l'ho fugato controllando le connessioni direttamente,vedi il mio messaggio sopra.
Il sensore di movimento,andarlo a cambiare non ne vale la pena di sicuro,
l'ho usato dentro il catadriotto rosso e in realtà mi arriverà quello con lente bianca prossimamente e forse potrebbe funzionare meglio,
comunque preferisco collegarlo a sto punto al sensore porta aperta,
fosse solo perché dopo funziona sempre con la porta aperta,
adesso con il sensore di movimento quando funziona ho la selezione per il timeout di spegnimento automatico a 10 o 60sec,
quindi preferisco di netto collegarlo se possibile al sensore porta aperta.
Quindi,il circuito da te proposto sarebbe funzionale al mio utilizzo?
Avendo il contatto di abilitazione (contatto porta) a zero volt e solo come contatto aperto/chiuso,
non lo posso gestire in quel modo indicato nel disegno.
Ho ricontrollato il quote,a me sembra limitato al circuito di cui si discuteva e riferito alla mia domanda precedente,essendo poi che è preceduto da un messaggio non collegato a questo reply non capisco dove sia l'errore nel quote che era stato rimosso.
Circa le immagini esterne,mea culpa non avevo letto e in questo messaggio ho sistemato.
Ah,grazie anche a questo forum ho scoperto il cad semplificato che usate per disegnare schemi,
davvero interessante.
Ho smontato il pannello porta,
vedi immagine del connettore centralina:
Leggi le regole del forum; i server esterni non sono ammessi. Secondo avviso.
Ho tensione fissa ai capi di due cavi di alimentazione della centralina vedi i due fili da 2.5mm in primo piano,
quindi nessun problema a prelevare i 12v da collegare alla scheda riduttrice di tensione,questa:
http://www.aliexpress.com/snapshot/6426 ... 9490808242
Circa il contatto porta,funziona con questa logica e non ha tensione ai capi:
continuità a porta aperta,circuito aperto a porta chiusa,
quindi perfetto per i miei scopi.
Difatti io non voglio usare il contatto porta per interrompere il circuito di alimentazione,
avevo il dubbio e oggi l'ho fugato controllando le connessioni direttamente,vedi il mio messaggio sopra.
Il sensore di movimento,andarlo a cambiare non ne vale la pena di sicuro,
l'ho usato dentro il catadriotto rosso e in realtà mi arriverà quello con lente bianca prossimamente e forse potrebbe funzionare meglio,
comunque preferisco collegarlo a sto punto al sensore porta aperta,
fosse solo perché dopo funziona sempre con la porta aperta,
adesso con il sensore di movimento quando funziona ho la selezione per il timeout di spegnimento automatico a 10 o 60sec,
quindi preferisco di netto collegarlo se possibile al sensore porta aperta.
Russell ha scritto:Intendo qualcosa del genere, dove potrei supporre che il potenziale di quel nodo vada da +12 V a GND (a seconda dello stato della porta), ma dal quale non adrei a prelevare corrente utile per i tuoi LED, ma solo un segnale logico:
Quindi,il circuito da te proposto sarebbe funzionale al mio utilizzo?
Avendo il contatto di abilitazione (contatto porta) a zero volt e solo come contatto aperto/chiuso,
non lo posso gestire in quel modo indicato nel disegno.
Ho ricontrollato il quote,a me sembra limitato al circuito di cui si discuteva e riferito alla mia domanda precedente,essendo poi che è preceduto da un messaggio non collegato a questo reply non capisco dove sia l'errore nel quote che era stato rimosso.
Circa le immagini esterne,mea culpa non avevo letto e in questo messaggio ho sistemato.
Ah,grazie anche a questo forum ho scoperto il cad semplificato che usate per disegnare schemi,
davvero interessante.

Ultima modifica di
marco438 il 6 gen 2015, 14:25, modificato 2 volte in totale.
Motivazione: Eliminato quoting inutile; usa il tasto rispondi e leggi le regole del forum
Motivazione: Eliminato quoting inutile; usa il tasto rispondi e leggi le regole del forum
-

personalweb
0 3 - Messaggi: 23
- Iscritto il: 30 dic 2014, 18:39
0
voti
Per prima cosa, prima di rispondere alle tue domande, ti invito a leggere le regole del forum che stai ignorando dall'inizio. Se le avessi lette avresti trovato ed usato prima FidoCadj, non avresti postato foto da server esterni e non avresti citato per intero tutti i messaggi (schema compreso).
Per il resto, se la parte sensore non ti interessa ( e sinceramente non vedo a cosa possa servire), la cosa mi sembra abbastanza semplice.
In un auto il telaio e direttamente collegato a massa (polo negativo di alimentazione) e il pulsante porta funziona da interruttore collegando a massa l'impianto di illuminazione interna.
Quindi puoi sfruttare i due cavi che hai individuato per alimentare il DC/DC converter e da questo prelevare la tensione positiva necessaria per i tuoi led; il riferimento (massa) la preleverai dal contatto portiera facendo cosi' in modo che i tuoi led si accendano all'apertura delle portiere stesse.
Per il resto, se la parte sensore non ti interessa ( e sinceramente non vedo a cosa possa servire), la cosa mi sembra abbastanza semplice.
In un auto il telaio e direttamente collegato a massa (polo negativo di alimentazione) e il pulsante porta funziona da interruttore collegando a massa l'impianto di illuminazione interna.
Quindi puoi sfruttare i due cavi che hai individuato per alimentare il DC/DC converter e da questo prelevare la tensione positiva necessaria per i tuoi led; il riferimento (massa) la preleverai dal contatto portiera facendo cosi' in modo che i tuoi led si accendano all'apertura delle portiere stesse.
marco
0
voti
Sul regolamento mea culpa,
dell'ultimo quote come detto non capisco il problema,
lo schema è stato citato appositamente perché la mia richiesta era riferita a quel post,
se nel mezzo ci sono altri messaggi chi legge come fa a capire se mi riferisco a quel messaggio o a che altro?
Comunque,basta capire come funziona in questo forum e mi regolo di conseguenza.
Circa il problema in discussione,
quindi diresti che invece di tagliare il positivo della scheda riduci tensione,
vado a tagliare il negativo dei led con il contatto porta?
Cioè così....provo anche il cad elettrico....
Andare a usare il negativo sul contatto porta,collegandolo praticamente in parallelo sui cavi esistenti,
può creare problemi al circuito di bordo?
Si tratta di vettura moderna (Vw anno 2006) quindi zeppa di centraline,per quello avevo dei dubbi su questo genere di soluzione.
E per quello volevo isolare completamente la parte dei led dalla rete di bordo,
anche dal contatto porta,che sia alimentato in positivo o in negativo.
Il contatto porta,sto riguardando gli schemi elettrici della vettura,va a finire in una centralina,
che non so come lo tratti a livello di segnale,non vorrei che a metterlo a massa da un lato crei problemi
da quella parte....
Ovviamente per il benessere delle centraline non vorrei fare prove in essere,
ma avere la sicurezza prima,
nel caso usare un rele allo stato solido a 12V,mi viene in mente quello,
sarebbe un'eresia?

dell'ultimo quote come detto non capisco il problema,
lo schema è stato citato appositamente perché la mia richiesta era riferita a quel post,
se nel mezzo ci sono altri messaggi chi legge come fa a capire se mi riferisco a quel messaggio o a che altro?
Comunque,basta capire come funziona in questo forum e mi regolo di conseguenza.
Circa il problema in discussione,
quindi diresti che invece di tagliare il positivo della scheda riduci tensione,
vado a tagliare il negativo dei led con il contatto porta?
Cioè così....provo anche il cad elettrico....
Andare a usare il negativo sul contatto porta,collegandolo praticamente in parallelo sui cavi esistenti,
può creare problemi al circuito di bordo?
Si tratta di vettura moderna (Vw anno 2006) quindi zeppa di centraline,per quello avevo dei dubbi su questo genere di soluzione.
E per quello volevo isolare completamente la parte dei led dalla rete di bordo,
anche dal contatto porta,che sia alimentato in positivo o in negativo.
Il contatto porta,sto riguardando gli schemi elettrici della vettura,va a finire in una centralina,
che non so come lo tratti a livello di segnale,non vorrei che a metterlo a massa da un lato crei problemi
da quella parte....

Ovviamente per il benessere delle centraline non vorrei fare prove in essere,
ma avere la sicurezza prima,
nel caso usare un rele allo stato solido a 12V,mi viene in mente quello,
sarebbe un'eresia?

Ultima modifica di
personalweb il 6 gen 2015, 15:19, modificato 2 volte in totale.
-

personalweb
0 3 - Messaggi: 23
- Iscritto il: 30 dic 2014, 18:39
0
voti
personalweb ha scritto:.....dell'ultimo quote come detto non capisco il problema,
lo schema è stato citato appositamente perché la mia richiesta era riferita a quel post,
Il problema sta nello spazio che le citazioni occupano sul server.
Quindi meno si cita meglio e'; nel caso in esame bastava citare parte di quanto scritto per richiamare l'attenzione sul post interessato, senza riportare l'intero schema.
Per quanto riguarda invece FidoCadJ, lo scopo del CAD e' quello di poter correggere/modificare gli schemi postati da altri senza doverli ridisegnare ogni volta; quindi se tu fai il disegno in FidoCadj e poi lo posti come immagine, praticamente non serve a niente. Evidentemente, per la troppa fretta, non hai letto fino in fondo le istruzioni.
Tornando al nostro circuito, vedo che hai capito come muoverti; l'unica cosa da fare e' controllare, con un tester, che quanto ho scritto in precedenza risponda a verita'.
Come detto, non tutte le auto sono uguali per cui quanto io teoricamente ho supposto, potrebbe non rispondere al vero; non resta che controllare.
marco
0
voti
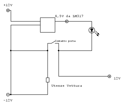
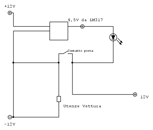
A me non sembra corretto l'ultimo circuito postato da
personalweb nella parte del contatto porta
Metti il codice fidocad come da regolamento in modo che possiamo modificare il circuito senza ridisegnarlo da zero.

Metti il codice fidocad come da regolamento in modo che possiamo modificare il circuito senza ridisegnarlo da zero.

-

danielepower
597 4 6 - Sostenitore

- Messaggi: 515
- Iscritto il: 6 dic 2014, 17:58
0
voti
Post corretto con lo schema,
per quanto mi riguarda io ho un solo dubbio,
sul mettere a massa quel contatto porta che finisce in centralina,
non vorrei che questo potesse creare dei problemi appunto alla rete di bordo o alla centralina stessa.
Per logica anche forse no,essendo un punto a potenziale zero,
ma con le centraline non si sà mai....
per quanto mi riguarda io ho un solo dubbio,
sul mettere a massa quel contatto porta che finisce in centralina,
non vorrei che questo potesse creare dei problemi appunto alla rete di bordo o alla centralina stessa.
Per logica anche forse no,essendo un punto a potenziale zero,
ma con le centraline non si sà mai....
-

personalweb
0 3 - Messaggi: 23
- Iscritto il: 30 dic 2014, 18:39
0
voti
Ho ridisegnato il circuito su fidocad aggiugendo il circuito vettura (presunto)
(dovrebbe venire così o erro?)
Se è corretto come l'ho disegnato: Nel momento che la porta si apre e quindi il contatto porta si chiude ho l'impressione si crei corto circuito

(dovrebbe venire così o erro?)
Se è corretto come l'ho disegnato: Nel momento che la porta si apre e quindi il contatto porta si chiude ho l'impressione si crei corto circuito

-

danielepower
597 4 6 - Sostenitore

- Messaggi: 515
- Iscritto il: 6 dic 2014, 17:58
0
voti
No il +12volt lato contatto porta non ci deve essere,quello sulla parte destro-basso dello schermo,
alimentazione positiva dei led arriva dal convertitore di tensione,
mentre il negativo arriva direttamente dalla massa tagliato dal contatto porta,
io ho interpretato così le indicazioni di Marco.
Il mio dubbio che è legato solo all'integrità della rete di bordo esistente,non per altro...
è sul fatto che adesso il contatto porta mi risulta un contatto neutro,
solo un contatto on-off che invia la continuità a un pin delle centralina,
dopo facendo la modifica vado a mettere a massa quel contatto e su questo ho delle remore,
su cosa possa comportare a livello di centralina questa modifica.
Per quello io cercavo un sistema,rele allo stato solido,integrato o altro,
che mi permetta di tenere isolato il contatto porta dal resto del circuito aggiuntivo,
il contatto porta mi serve solo per abilitare il resto del circuito ma deve rimanere a potenziale nullo,per me...
alimentazione positiva dei led arriva dal convertitore di tensione,
mentre il negativo arriva direttamente dalla massa tagliato dal contatto porta,
io ho interpretato così le indicazioni di Marco.
Il mio dubbio che è legato solo all'integrità della rete di bordo esistente,non per altro...
è sul fatto che adesso il contatto porta mi risulta un contatto neutro,
solo un contatto on-off che invia la continuità a un pin delle centralina,
dopo facendo la modifica vado a mettere a massa quel contatto e su questo ho delle remore,
su cosa possa comportare a livello di centralina questa modifica.
Per quello io cercavo un sistema,rele allo stato solido,integrato o altro,
che mi permetta di tenere isolato il contatto porta dal resto del circuito aggiuntivo,
il contatto porta mi serve solo per abilitare il resto del circuito ma deve rimanere a potenziale nullo,per me...
Ultima modifica di
personalweb il 6 gen 2015, 15:30, modificato 1 volta in totale.
-

personalweb
0 3 - Messaggi: 23
- Iscritto il: 30 dic 2014, 18:39
Chi c’è in linea
Visitano il forum: Nessuno e 69 ospiti

Elettrotecnica e non solo (admin)
Un gatto tra gli elettroni (IsidoroKZ)
Esperienza e simulazioni (g.schgor)
Moleskine di un idraulico (RenzoDF)
Il Blog di ElectroYou (webmaster)
Idee microcontrollate (TardoFreak)
PICcoli grandi PICMicro (Paolino)
Il blog elettrico di carloc (carloc)
DirtEYblooog (dirtydeeds)
Di tutto... un po' (jordan20)
AK47 (lillo)
Esperienze elettroniche (marco438)
Telecomunicazioni musicali (clavicordo)
Automazione ed Elettronica (gustavo)
Direttive per la sicurezza (ErnestoCappelletti)
EYnfo dall'Alaska (mir)
Apriamo il quadro! (attilio)
H7-25 (asdf)
Passione Elettrica (massimob)
Elettroni a spasso (guidob)
Bloguerra (guerra)



