Cos'è ElectroYou | Login Iscriviti

ElectroYou - la comunità dei professionisti del mondo elettrico

Carica di un condensatore elettrolitico in un multivibratore

Elettronica lineare e digitale: didattica ed applicazioni

Moderatori: Foto Utentecarloc, Foto Utenteg.schgor, Foto UtenteBrunoValente, Foto UtenteIsidoroKZ

0
voti

[1] Carica di un condensatore elettrolitico in un multivibratore

Messaggioda Foto Utentefrancofra » 19 gen 2015, 10:42

buongiorno e complimenti per il sito =D> questo è il mio primo post quindi spero mi vogliate dare una mano...

il problema riguarda un circuito multivibratore di cui ho letto il funzionamento in questo articolo:


http://digilander.libero.it/nick47/mltv.htm

in un condensatore elettrolitico non si dovrebbero rispettate le polarità?come fa la Resistenza2 (R2) collegata alla VCC +12V ad essere collegata al (-) del condensatore e caricarlo,visto che anche l altro terminale (il +) del condensatore è giustamente collegato al + della batteria tramite la R3? in pratica non riesco a capire...entrambi i terminali del condensatore sono collegati al polo positivo!come fa a caricarsi il condensatore elettrolitico??? :!:

grazie a tutti!!! :)
Avatar utente
Foto Utentefrancofra
15 2
 
Messaggi: 29
Iscritto il: 18 gen 2015, 15:33

0
voti

[2] Re: carica di un condensatore elettrolitico in un multivibra

Messaggioda Foto UtenteIsidoroKZ » 19 gen 2015, 10:49

La base di TR2 al massimo arriva a una tensione positiva di mezzo volt abbondante, dato che fra base ed emettitore c'e` una giunzione pn e piu` di mezzo volt non puo` avere ai suoi capi.

Il collettore di TR1 invece al massimo puo` raggiungere quasi la tensione di alimentazione, mentre al minimo puo` scendere fino a circa mezzo volt scarso. In totale il condensatore C0 e` sempre polarizzato giusto.

Quel circuito ha altri problemi con i transistori, ma e` una questione piu` complicata (valanga della giunzione BE polarizzata inversamente)

Se possibile usa dei siti che diano anche lo schema, si impara meglio! E magari che non comincino a numerare i condensatori da zero :-)
Per usare proficuamente un simulatore, bisogna sapere molta più elettronica di lui
Plug it in - it works better!
Il 555 sta all'elettronica come Arduino all'informatica! (entrambi loro malgrado)
Se volete risposte rispondete a tutte le mie domande
Avatar utente
Foto UtenteIsidoroKZ
121,2k 1 3 8
G.Master EY
G.Master EY
 
Messaggi: 21059
Iscritto il: 17 ott 2009, 0:00

0
voti

[3] Re: carica di un condensatore elettrolitico in un multivibra

Messaggioda Foto Utentefrancofra » 19 gen 2015, 14:20

grazie molto gentile :D
Avatar utente
Foto Utentefrancofra
15 2
 
Messaggi: 29
Iscritto il: 18 gen 2015, 15:33

0
voti

[4] Re: carica di un condensatore elettrolitico in un multivibra

Messaggioda Foto Utentefrancofra » 22 gen 2015, 11:50

i circuiti multivibratori che mi perseguitano :D
ho acquistato un libro che consigliate nella biblioteca di elettroyou (non so se posso dire il titolo);
comunque arrivato alla pag.4 mi sono imbattutto nel multivibratore astabile a BJT...ho simulato il circuito e a differenza dell'altro dove inizialmente si alternavano ma dopo rimanevano accesi entrambi per i motivi che lei mi ha spiegato,questa volta funzionava tutto alla perfezione...fino a quando ho capito che avevo sbagliato l'uscita dell'emettitore di uno dei 2 transistor!sistemo il transistor npn come da schema e adesso....non funziona più!!!! :shock:
vorrei capire se è sbagliato lo schema nel libro o sono io che non so usare il simulatore :!:
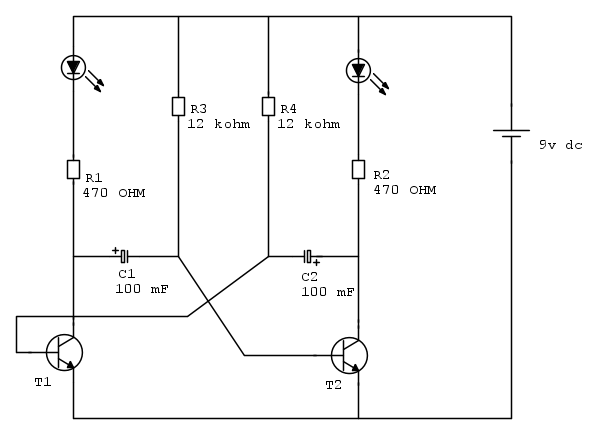
questo è lo schema del libro:
Avatar utente
Foto Utentefrancofra
15 2
 
Messaggi: 29
Iscritto il: 18 gen 2015, 15:33

0
voti

[5] Re: carica di un condensatore elettrolitico in un multivibra

Messaggioda Foto UtenteIsidoroKZ » 22 gen 2015, 12:20

Certo che puoi citare il libro!

Se metti una figura allegala con "invia allegato" e ingrandiscila/rimpiccioliscila in modo che sia larga 640 pixel circa.
Per usare proficuamente un simulatore, bisogna sapere molta più elettronica di lui
Plug it in - it works better!
Il 555 sta all'elettronica come Arduino all'informatica! (entrambi loro malgrado)
Se volete risposte rispondete a tutte le mie domande
Avatar utente
Foto UtenteIsidoroKZ
121,2k 1 3 8
G.Master EY
G.Master EY
 
Messaggi: 21059
Iscritto il: 17 ott 2009, 0:00

1
voti

[6] Re: carica di un condensatore elettrolitico in un multivibra

Messaggioda Foto Utentefrancofra » 22 gen 2015, 12:23

Avatar utente
Foto Utentefrancofra
15 2
 
Messaggi: 29
Iscritto il: 18 gen 2015, 15:33

1
voti

[7] Re: carica di un condensatore elettrolitico in un multivibra

Messaggioda Foto Utentefrancofra » 22 gen 2015, 12:23

non so se così va bene ho letto nel forum e scaricato fidocad
Avatar utente
Foto Utentefrancofra
15 2
 
Messaggi: 29
Iscritto il: 18 gen 2015, 15:33

0
voti

[8] Re: carica di un condensatore elettrolitico in un multivibra

Messaggioda Foto Utentefrancofra » 22 gen 2015, 12:24

il libro è "elettronica sapere e saper fare"
Avatar utente
Foto Utentefrancofra
15 2
 
Messaggi: 29
Iscritto il: 18 gen 2015, 15:33

0
voti

[9] Re: carica di un condensatore elettrolitico in un multivibra

Messaggioda Foto Utentefrancofra » 22 gen 2015, 12:28

il transistor in questione è t1
Avatar utente
Foto Utentefrancofra
15 2
 
Messaggi: 29
Iscritto il: 18 gen 2015, 15:33

0
voti

[10] Re: carica di un condensatore elettrolitico in un multivibra

Messaggioda Foto Utentewall87 » 22 gen 2015, 12:35

Pure io ho quel libro; ma se lo hai preso per cominciare ad imparare secondo me è una pessima scelta, non spiega abbastanza bene gli argomenti e da molte cose per scontate....
Avatar utente
Foto Utentewall87
6.025 5 10 13
Master
Master
 
Messaggi: 1467
Iscritto il: 27 nov 2014, 15:28
Località: Padova

Prossimo

Torna a Elettronica generale

Chi c’è in linea

Visitano il forum: Google Adsense [Bot] e 242 ospiti