Apro questa nuova discussione perché l'altra penso si sia buggata (viewtopic.php?f=1&t=56204)
ripropongo
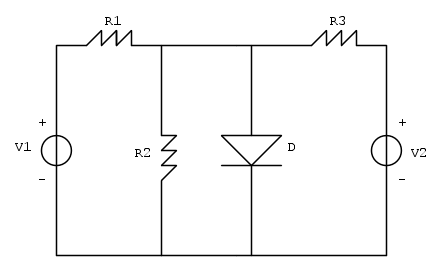
Circuito con diodo 2
Moderatori:
carloc,
g.schgor,
BrunoValente,
IsidoroKZ
0
voti
Stavo facendo delle prove anche io, ma non va.
Boh, non so cosa sia successo. Proviamo ad invocare
webmaster.
Per il diodo, volevo dire di fare un equivalente thevenin togliendo il diodo. Il resto è lineare.
Boh, non so cosa sia successo. Proviamo ad invocare
Per il diodo, volevo dire di fare un equivalente thevenin togliendo il diodo. Il resto è lineare.
-

PietroBaima
90,7k 7 12 13 - G.Master EY

- Messaggi: 12206
- Iscritto il: 12 ago 2012, 1:20
- Località: Londra
0
voti
Considerando che la tensione sull'anodo sarà
, io procederi cosi:
Calcolando le correnti, anche perché non hai specificato cosa devi calcolare esattamente del circuito. Un disegno non basta.
PS: Scusa ma lo schema proposto da te non riesco a modificarlo.
, io procederi cosi:Calcolando le correnti, anche perché non hai specificato cosa devi calcolare esattamente del circuito. Un disegno non basta.
PS: Scusa ma lo schema proposto da te non riesco a modificarlo.

Ultima modifica di
simo85 il 22 gen 2015, 23:16, modificato 1 volta in totale.
0
voti
scusa l'ignoranza, ma intendi aprire il ramo AB (quello del diodo) e poi proseguire normalmente?
Mi è sorto un dubbio, ma R1 e R2 sono in parallelo ma si possono svolgere subito?
vorrei trovare la corrente nel ramo del diodo (scusate ma non l'ho specificato)
comunque nell'altra discussione prova a mettere i messaggi in ordine decrescente e li vedrai tutti
Mi è sorto un dubbio, ma R1 e R2 sono in parallelo ma si possono svolgere subito?
vorrei trovare la corrente nel ramo del diodo (scusate ma non l'ho specificato)
comunque nell'altra discussione prova a mettere i messaggi in ordine decrescente e li vedrai tutti
-

LoScienziato
10 4 - New entry

- Messaggi: 87
- Iscritto il: 5 gen 2015, 20:59
0
voti
-

PietroBaima
90,7k 7 12 13 - G.Master EY

- Messaggi: 12206
- Iscritto il: 12 ago 2012, 1:20
- Località: Londra
0
voti
Thevenin ti dice che quello che stacchi deve essere lineare, non tutto il circuito.
Quindi quello che puoi fare è togliere il diodo, calcolare l'equivalente thevenin del circuito trasfomandolo in un generatore di tensione con resistenza in serie, al quale riattaccare il diodo.
tutto qui.
-

PietroBaima
90,7k 7 12 13 - G.Master EY

- Messaggi: 12206
- Iscritto il: 12 ago 2012, 1:20
- Località: Londra
0
voti
LoScienziato ha scritto:vorrei trovare la corrente nel ramo del diodo (scusate ma non l'ho specificato)
Comincerei a calcolare
ed
.LoScienziato ha scritto:ma R1 e R2 sono in parallelo ma si possono svolgere subito?
0
voti
ok quindi inizio cosi:
apro il ramo A B
cortocircuito i generatori do tensione
apro i generatori di corrente(?)
apro il ramo A B
cortocircuito i generatori do tensione
apro i generatori di corrente(?)
-

LoScienziato
10 4 - New entry

- Messaggi: 87
- Iscritto il: 5 gen 2015, 20:59
Chi c’è in linea
Visitano il forum: Nessuno e 232 ospiti

Elettrotecnica e non solo (admin)
Un gatto tra gli elettroni (IsidoroKZ)
Esperienza e simulazioni (g.schgor)
Moleskine di un idraulico (RenzoDF)
Il Blog di ElectroYou (webmaster)
Idee microcontrollate (TardoFreak)
PICcoli grandi PICMicro (Paolino)
Il blog elettrico di carloc (carloc)
DirtEYblooog (dirtydeeds)
Di tutto... un po' (jordan20)
AK47 (lillo)
Esperienze elettroniche (marco438)
Telecomunicazioni musicali (clavicordo)
Automazione ed Elettronica (gustavo)
Direttive per la sicurezza (ErnestoCappelletti)
EYnfo dall'Alaska (mir)
Apriamo il quadro! (attilio)
H7-25 (asdf)
Passione Elettrica (massimob)
Elettroni a spasso (guidob)
Bloguerra (guerra)
pigreco]=π



