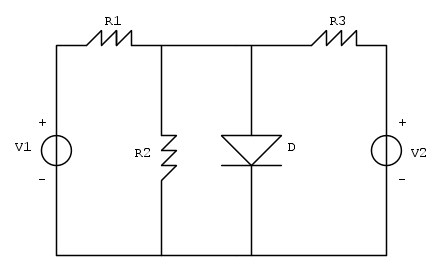
Prima di chiuderla qui un ultimo dubbio avendo questo inizialmente ..
posso fare così?
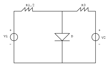
di cui R1,2 è il parallelo di R1 e R2?
un mio amico diceva che si poteva fare
Circuito con diodo 2
Moderatori:
carloc,
g.schgor,
BrunoValente,
IsidoroKZ
0
voti
allora chiedigli anche i passaggi... sono proprio curioso di vederli!
-

PietroBaima
90,7k 7 12 13 - G.Master EY

- Messaggi: 12206
- Iscritto il: 12 ago 2012, 1:20
- Località: Londra
0
voti
ok grazie mille di tutto l'aiuto domani glieli chiedo e te li mostro...
gentilissimo per l'aiuto
gentilissimo per l'aiuto

-

LoScienziato
10 4 - New entry

- Messaggi: 87
- Iscritto il: 5 gen 2015, 20:59
0
voti
nessun problema!
Ciao,
Pietro.
Ciao,
Pietro.
-

PietroBaima
90,7k 7 12 13 - G.Master EY

- Messaggi: 12206
- Iscritto il: 12 ago 2012, 1:20
- Località: Londra
0
voti
1° approssimazione: il diodo è considerato un interruttore
se Vab < 0 allora
se Vab > 0 allora
è corretto? O forse quando Vab > 0 bisogna fare -->
???
se Vab < 0 allora

se Vab > 0 allora

è corretto? O forse quando Vab > 0 bisogna fare -->
???-

LoScienziato
10 4 - New entry

- Messaggi: 87
- Iscritto il: 5 gen 2015, 20:59
0
voti
LoScienziato ha scritto:1° approssimazione: il diodo è considerato un interruttore
se Vab < 0 allora
se Vab > 0 allora
è corretto?
Sì, è corretto.
LoScienziato ha scritto:O forse quando Vab > 0 bisogna fare -->???
E' la stessa cosa.
Ora, invece di rispondere subito, prenditi 5 minuti e prova a pensare al perché.
Rispondi riportando una tua spiegazione.
-

PietroBaima
90,7k 7 12 13 - G.Master EY

- Messaggi: 12206
- Iscritto il: 12 ago 2012, 1:20
- Località: Londra
0
voti
sono la stessa cosa perché lo scopo di risolverli con thevenin è proprio quello di semplificare i calcoli ... chiedevo conferma perché dai calcoli svolti le due I mi venivano diverse (avrò fatto qualche errore)
-

LoScienziato
10 4 - New entry

- Messaggi: 87
- Iscritto il: 5 gen 2015, 20:59
1
voti
Menomale che non capivi il mio schema. Eppure nell'altro thread sembra il contrario.
Notevole presa per il cuculo. Grande !
La prossima volta forse ci penserò due volte prima di offrirmi volontario con te.
Notevole presa per il cuculo. Grande !

La prossima volta forse ci penserò due volte prima di offrirmi volontario con te.
Ultima modifica di
simo85 il 23 gen 2015, 21:44, modificato 1 volta in totale.
0
voti
simo85 ha scritto:Menomale che non capivi il mio schema. Eppure nell'altro thread sembra il contrario.
Notevole presa per il cuculo. Grande !
no, oggi me lo sono fatto spiegare dal professore di elettronica ... una cosa che non ho ancora capito il triangolo in basso a sinistra.. cosa sarebbe la massa?
-

LoScienziato
10 4 - New entry

- Messaggi: 87
- Iscritto il: 5 gen 2015, 20:59
0
voti
-

LoScienziato
10 4 - New entry

- Messaggi: 87
- Iscritto il: 5 gen 2015, 20:59
Chi c’è in linea
Visitano il forum: Nessuno e 52 ospiti

Elettrotecnica e non solo (admin)
Un gatto tra gli elettroni (IsidoroKZ)
Esperienza e simulazioni (g.schgor)
Moleskine di un idraulico (RenzoDF)
Il Blog di ElectroYou (webmaster)
Idee microcontrollate (TardoFreak)
PICcoli grandi PICMicro (Paolino)
Il blog elettrico di carloc (carloc)
DirtEYblooog (dirtydeeds)
Di tutto... un po' (jordan20)
AK47 (lillo)
Esperienze elettroniche (marco438)
Telecomunicazioni musicali (clavicordo)
Automazione ed Elettronica (gustavo)
Direttive per la sicurezza (ErnestoCappelletti)
EYnfo dall'Alaska (mir)
Apriamo il quadro! (attilio)
H7-25 (asdf)
Passione Elettrica (massimob)
Elettroni a spasso (guidob)
Bloguerra (guerra)

pigreco]=π