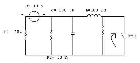
Stavo cercando di risolvere il seguente circuito del secondo ordine:
Riesco a risolverlo quasi totalmente (sono riuscito a calcolare tutti i parametri tranne uno), ma ho un dubbio per il calcolo di Vl(0), necessario a definire il parametro B.
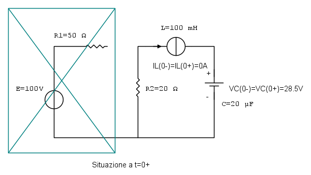
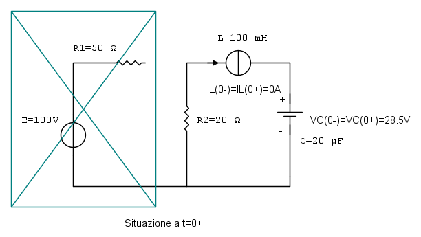
Io lo avrei calcolato considerando il circuito di partenza, quello in cui l'interruttore non ha ancora agito. Il mio ragionamento è: la maglia è formata dal condensatore, dall'induttore e dal resistore.
Noto il valore della tensione del condensatore (calcolata in precedenza,
), calcolato il valore della tensione del resistore (dovrebbe essere la stessa del condensatore, perché a regime i due bipoli hanno la stessa tensione in quanto "in parallelo", considerando a regime l'induttore come un cc e il condensatore come un ca), quindi 28.57 V anch'esso, risulterebbe una tensione dell'induttore pari a 57.14 V. Il valore da uguagliare a
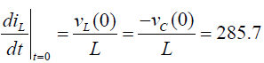
nella formula risolutiva sarebbe (considerando l'induttanza):
.Invece la soluzione riporta la metà,
.Avevo pensato che forse il calcolo della tensione Vl(0) va calcolato in 0+ e non in 0- (cioè dopo che l'interruttore ha agito: a quel punto il resistore risulterebbe scollegato da qualsiasi generatore di corrente e quindi a tensione 0).
Consigli?

Elettrotecnica e non solo (admin)
Un gatto tra gli elettroni (IsidoroKZ)
Esperienza e simulazioni (g.schgor)
Moleskine di un idraulico (RenzoDF)
Il Blog di ElectroYou (webmaster)
Idee microcontrollate (TardoFreak)
PICcoli grandi PICMicro (Paolino)
Il blog elettrico di carloc (carloc)
DirtEYblooog (dirtydeeds)
Di tutto... un po' (jordan20)
AK47 (lillo)
Esperienze elettroniche (marco438)
Telecomunicazioni musicali (clavicordo)
Automazione ed Elettronica (gustavo)
Direttive per la sicurezza (ErnestoCappelletti)
EYnfo dall'Alaska (mir)
Apriamo il quadro! (attilio)
H7-25 (asdf)
Passione Elettrica (massimob)
Elettroni a spasso (guidob)
Bloguerra (guerra)







