Un saluto a tutto il forum,sono qui per chiedervi un consiglio riguardo un ponte H che ho costruito.
Un mio amico mi ha chiesto di comandargli 2 motori da 24 V di un tergicristallo con arduino.
Siccome erano di un camion credo che assorbino piu di 10A anche se con 24 V credo che siano troppi.
Ho deciso di comandarli in LAP tramite il PWM di arduino anche se devo ancora imparare a programmarlo.
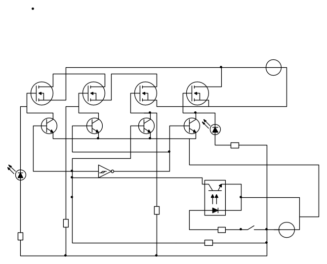
Per fare questa scheda ho deciso di usare dei mosfet IRF1404L che sono tutti di tipo N,so che di solito si usano tipi di drogaggio opposti ma a causa di un vecchio ordine sbagliato ho deciso di usare questo tipo di mosfet che tra l'altro sono pure molto sovradimensionati perché le supportano correnti di drain superiori a 100A.Di contro hanno una Vgs che si aggira intorno ai 10V per questo utilizzo dei BJT BC547 con il collettore alimentato a 12V.
La scheda quindi ha due alimenazioni,una a 24 V per i mosfet e una a 12V per la logica di controllo che successivamente viee abbassata a 5V da un 7805.
La logica dI controllo è composta da un fotoaccoppiatore CNY-17-04 che mi permette di rimanere isolato elettricamente da arduino,e un inverter retriggerato per invertire il segnale.
L'ingresso dell'inverter è tenuto alto da una resistenza di pull up perché il transistor del fotoaccoppiatore ha l'emettitore a comune e quindi nel momento in cui viene mandato in saturazione porta a massa l'ingresso della porta logica,prima di allora i due transistor sono a livello logico alto e siccome sono collegati in on/off hanno il collettore collegato a gate del mosfet e questo implica che quando sono interdetti in realtà i mosfet sono accesi perche la Vce sarà circa di 12V mentre sarà 0 quando i BJT saranno saturi.
Veniamo al problema...perché quando il diodo led del fotoaccoppiatore non è acceso mi trovo che entrambi i transistor A e C sono accesi? Mi ritrovo una tensione abbastanza alta all'uscita del NOT da poter saturare la base del BJT cioè 0,8V invece dovrebbe essere 0V, perché non accendendo il led il collettore viene tenuto a 5V e l'ingresso del NOT è 1 logico quindi per forza di cose l'uscita dovrebbe essere 0 e quindi dovrei avere una coppia accesa che mi permette un senso di rotazione e l'altra coppia spenta.
Vi posto lo shhema fatto con fidocad sperando che possiate aiutarmi.
Problema con circuito ponte H
Moderatori:
carloc,
g.schgor,
BrunoValente,
IsidoroKZ
21 messaggi
• Pagina 1 di 3 • 1, 2, 3
0
voti
Lo schema lo devi allegare fra i tag code, copiandolo con Ctrl-A e copiandolo tra i tag, cos, per esempioi:


0
voti

"Non farei mai parte di un club che accettasse la mia iscrizione" (G. Marx)
-

claudiocedrone
21,3k 4 7 9 - Master EY

- Messaggi: 15302
- Iscritto il: 18 gen 2012, 13:36
0
voti
... Scherzi a parte 
"Non farei mai parte di un club che accettasse la mia iscrizione" (G. Marx)
-

claudiocedrone
21,3k 4 7 9 - Master EY

- Messaggi: 15302
- Iscritto il: 18 gen 2012, 13:36
0
voti
Scusate se non sono stato preciso con lo schema, in realtà questo circuito è un solo ponte H quindi comanda solo un motore, la configurazione dei mosfet che ho messo è A-B-D-C quindi vedendo lo schema postato da simo85 A sarebbe il primo a sinistra in alto e i restanti vanno visti in senso orario. Il motore per semplicità circuitazione non l'ho disegnato.
Per quanto riguarda i led sono sicuro che debbano accendersi in maniera alternata a seconda di come metto il senso di rotazione cioè PWM a massa per segnale basso quindi Max velocità in un verso e 5V Max velocità nel verso opposto perché sono collegati ai BJT che si attiveranno quando si inverte il senso di rotazione.
Grazie mille per le risposte e i consigli
Per quanto riguarda i led sono sicuro che debbano accendersi in maniera alternata a seconda di come metto il senso di rotazione cioè PWM a massa per segnale basso quindi Max velocità in un verso e 5V Max velocità nel verso opposto perché sono collegati ai BJT che si attiveranno quando si inverte il senso di rotazione.
Grazie mille per le risposte e i consigli
0
voti

"Non farei mai parte di un club che accettasse la mia iscrizione" (G. Marx)
-

claudiocedrone
21,3k 4 7 9 - Master EY

- Messaggi: 15302
- Iscritto il: 18 gen 2012, 13:36
1
voti
simo85 ha scritto:...chè secodo me è leggermente disordinato...
toglierei la parola in grassetto...lo ridisegni per bene indicando ingressi e uscite?
_______________________________________________________
Gli oscillatori non oscillano mai, gli amplificatori invece sempre
Io HO i poteri della supermucca, e ne vado fiero!
Gli oscillatori non oscillano mai, gli amplificatori invece sempre
Io HO i poteri della supermucca, e ne vado fiero!
0
voti
Certo lo ridisegnerò il meglio possibile però devo imparare ad usare meglio fidocad
Grazie a tutti
Grazie a tutti

21 messaggi
• Pagina 1 di 3 • 1, 2, 3
Chi c’è in linea
Visitano il forum: Nessuno e 57 ospiti

Elettrotecnica e non solo (admin)
Un gatto tra gli elettroni (IsidoroKZ)
Esperienza e simulazioni (g.schgor)
Moleskine di un idraulico (RenzoDF)
Il Blog di ElectroYou (webmaster)
Idee microcontrollate (TardoFreak)
PICcoli grandi PICMicro (Paolino)
Il blog elettrico di carloc (carloc)
DirtEYblooog (dirtydeeds)
Di tutto... un po' (jordan20)
AK47 (lillo)
Esperienze elettroniche (marco438)
Telecomunicazioni musicali (clavicordo)
Automazione ed Elettronica (gustavo)
Direttive per la sicurezza (ErnestoCappelletti)
EYnfo dall'Alaska (mir)
Apriamo il quadro! (attilio)
H7-25 (asdf)
Passione Elettrica (massimob)
Elettroni a spasso (guidob)
Bloguerra (guerra)





