una delle mie ragazze mi ha chiesto di aiutarla in una sua prova per prendere una specialità...
non ha competenze tecniche neanche di base per la costruzione di un circuito elettrico ma vuole fare le cose in grande...
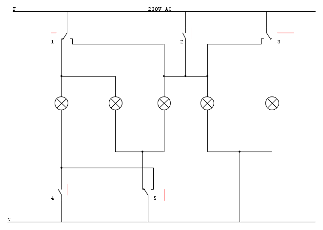
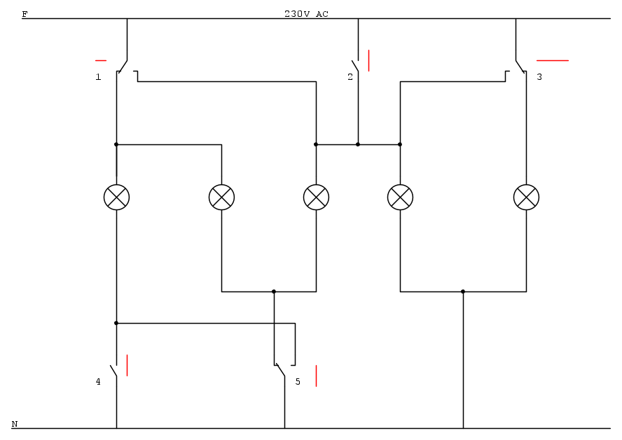
per farlo vuole realizzare un circuito dove ci sono 5 lampadine e 5 interruttori
ogni interruttore accende alcune lampadine e ne spegne altre...
bisogna trovare la giusta sequenza per accendere tutte le luci...
so che per farlo ci vorrebbe un plc ma sarebbe meglio che il tutto fosse realizzato da lei... quindi componenti base base...
qualcuno sarebbe capace di tirar giù uno schema elettrico e mandarmelo in modo da iniziare a lavorarci sopra?
l'alimentazione è indifferente... batteria o presa elettrica...
ultima cosa se il circuito viene scollegato dall'energia elettrica si resetta il sistema... spero di essere stato chiaro... se avete domande non esitate...
grazie mille in anticipo a tutti
Roberto


Elettrotecnica e non solo (admin)
Un gatto tra gli elettroni (IsidoroKZ)
Esperienza e simulazioni (g.schgor)
Moleskine di un idraulico (RenzoDF)
Il Blog di ElectroYou (webmaster)
Idee microcontrollate (TardoFreak)
PICcoli grandi PICMicro (Paolino)
Il blog elettrico di carloc (carloc)
DirtEYblooog (dirtydeeds)
Di tutto... un po' (jordan20)
AK47 (lillo)
Esperienze elettroniche (marco438)
Telecomunicazioni musicali (clavicordo)
Automazione ed Elettronica (gustavo)
Direttive per la sicurezza (ErnestoCappelletti)
EYnfo dall'Alaska (mir)
Apriamo il quadro! (attilio)
H7-25 (asdf)
Passione Elettrica (massimob)
Elettroni a spasso (guidob)
Bloguerra (guerra)





(sì, rappresentano la soluzione 
