spiacente, ma la modifica proposta non ha senso
direi che trovi le spiegazioni del motivo studiandoti questo articolo
specialmente quando parla della configurazione 'bistabile'
http://www.electroyou.it/bagolaro/wiki/tutorial_timer_555
a quel punto le analogie che ti portano a modificare quello schema di principio nello schema che fa' uso della fotoresistenza come entità di trigger dovrebbero esserti chiare
Automatizzare porticina pollaio
0
voti
Salve, non ho più aggiornato in quanto per continuare devo acquistare i componenti del circuito, credo che lo farò in settimana cosi poi mi cimenterò.
Il circuito può reggere una tensione di 5v 10Ah?
I finecorsa praticamente bloccano il motore ma soltanto finché il bottone rimane pigiato?
Grazie
Il circuito può reggere una tensione di 5v 10A
I finecorsa praticamente bloccano il motore ma soltanto finché il bottone rimane pigiato?
Grazie
2
voti
Russell ha scritto:Thanatos ha scritto:gl5549
come vedi dal datasheet (http://www.agspecinfo.com/pdfs/G/GL5549.PDF) ha una resistenza che passa indicativamente da:
* 1MOhm al buio
* 10KOhm in piena luce
Esatto.
Russell ha scritto:* Probabilmente passerà i 100 kohm quando siamo in penombra (all'alba/tramonto)... ma andrebbe verificato in pratica
Sì, anche un po' di più, direi fino a 1 MΩ al momento desiderato dello scatto.
Ho scelto quella fotoresistenza perché è quella della famiglia che presenta una resistenza maggiore (sia alla luce che al buio) per ridurre il più possibile il consumo del circuito, in vista di una sua possibile alimentazione a pile.
Però se vengono inseriti un 555 e un relè che resta attratto per varie ore, il consumo sarà troppo elevato per un'alimentazione a pile, e bisognerà prevederne un'altra più consistente. La scelta di una fotoresistenza a basso consumo a questo punto non sarà più necessaria.
Russell ha scritto:sulla base di quell'ultimo valore, il partitore (vedi [4]) potrebbe avere circa R1+P1 100KOhm
in tal caso probabilmente per la regolazione P1 dovrebbe essere da 10KOhm
Io direi R1 + P1 = 1100 kΩ e quindi R1 = 100 kΩ e P1 = 1 MΩ (se si usa la fotoresistenza gl5549).
Russell ha scritto:comunque queste sono tarature da valutare alla fine...
Infatti, e quindi farai bene a comprare una decina di resistenze da 100 kΩ per poterle inserire una a una e avere una regolazione grossolana della soglia. Io direi che si potrebbe anche evitare il trimmer, tanto non sarà necessaria una regolazione fine.
Thanatos ha scritto:Il circuito può reggere una tensione di 5 V e una corrente di 10Ah?
Per una tensione di 5 V non c'è problema, per una corrente di 10 A (ma assorbe davvero così tanto il motorino?) bisogna che i contatti dei relè siano in grado di sopportarla.
Inoltre ti serve un alimentatore da 10 A come minimo, meglio da 15 A, che non sarà molto economico. Credo che potresti risparmiare il costo di un alimentatore così grosso, se utilizzassi un motoriduttore a basso consumo.
Thanatos ha scritto:I finecorsa praticamente bloccano il motore ma soltanto finché il bottone rimane pigiato?
Sì. Lo devono tener fermo finché non viene invertita la polarità.
Se invece usi il circuito con temporizzazione di sicurezza del post 28, i finecorsa (normalmente aperti) fanno scadere la temporizzazione. In quel circuito basta che restino chiusi un millisecondo, poi anche riaprendoli il motore non riparte.
Big fan of ⋮ƎlectroYou! Ausili per disabili e anziani su ⋮ƎlectroYou
Caratteri utili: À È É Ì Ò Ó Ù α β γ δ ε η θ λ μ π ρ σ τ φ ω Ω º ª ² ³ √ ∛ ∜ ₀ ₁ ₂ ₃ ₄ ₅ ₆ ∃ ∄ ∆ ∈ ∉ ± ∓ ∾ ≃ ≈ ≠ ≤ ≥
Caratteri utili: À È É Ì Ò Ó Ù α β γ δ ε η θ λ μ π ρ σ τ φ ω Ω º ª ² ³ √ ∛ ∜ ₀ ₁ ₂ ₃ ₄ ₅ ₆ ∃ ∄ ∆ ∈ ∉ ± ∓ ∾ ≃ ≈ ≠ ≤ ≥
0
voti
Salve GuidoB, si purtroppo ho scoperto che l'assorbimento nominale del motorino (dell'avvitatore) è di 10Ah, quindi avrà de picchi maggiori, ora vedo per un motoriduttore da 12v in modo da non dover modificare il circuito (anche se credo che aggiungere un 7806 per un motore 6v Non sia un impresa epica).
Comunque per ora alimentero il tutto con una batteria e un pannello fotovoltaico, ma la soluzione date postata mi tornerà utile più avanti quando dovrò applicare tale soluzione anche ai polli.
In caso per i 10A sostituisco il relè con uno adeguato.
Grazie mille
Comunque per ora alimentero il tutto con una batteria e un pannello fotovoltaico, ma la soluzione date postata mi tornerà utile più avanti quando dovrò applicare tale soluzione anche ai polli.
In caso per i 10A sostituisco il relè con uno adeguato.
Grazie mille
2
voti
GuidoB ha scritto:Però se vengono inseriti un 555 e un relè che resta attratto per varie ore, il consumo sarà troppo elevato per un'alimentazione a pile, e bisognerà prevederne un'altra più consistente.
A dire il vero con una piccola modifica allo schema si puo' far si che il fine corsa scolleghi l'alimentazione sia al motorino, che al relè... cosi' il relè non sarebbe sempre sotto tensione, si diminuiscono i consumi e si allunga la vita del relè.
basta usare 4 relè NO (normally open), rispettando lo schema di principio del ponte H in figura (quindi non usando 2 deviatori, ma 4 interruttori)
Una volta che il fine corsa toglie (vedi zona del circuito dove è presente il transistor) l'alimentazione alla coppia di relè eccitati tutto si spegne innocuamente
- Allegati
-
- PonteH.png (21.96 KiB) Osservato 6229 volte
0
voti
Grazie Russell, molte interessante tale modifica in quanto la mia preoccupazione è che uno dei finecorsa si possa rompere facendo così continuare il motore a girare rompendo il tutto.
Ora però mi trovo in difficoltà, devo sostituire il relè a doppio scambio (o i 2 relè) con questi 4 che citi tu, ma come dovrebbero essere implementati ciò come andrebbero cablati?
Ps qualcuno sarebbe così gentile da dirmi anche come vanno collegati fisicamente i 2 finecorsa al motore (c-no-nc)
Grazie
Ora però mi trovo in difficoltà, devo sostituire il relè a doppio scambio (o i 2 relè) con questi 4 che citi tu, ma come dovrebbero essere implementati ciò come andrebbero cablati?
Ps qualcuno sarebbe così gentile da dirmi anche come vanno collegati fisicamente i 2 finecorsa al motore (c-no-nc)
Grazie
1
voti
Thanatos ha scritto:la mia preoccupazione è che uno dei finecorsa si possa rompere facendo così continuare il motore a girare rompendo il tutto.
questo problema non viene risolto dalla soluzione che ho proposto
Serve piu' logica... e, se la vuoi, si va a finire con schemi piu' complessi... come quello bellissimo di Guido.
L'interruttore di fine corsa ha la responsabilità proprio di questo problema... quindi è bene se per il momento (con questo semplice schema) controlli bene che il suo lavoro sia garantito (ecco perche' ti dicevo che la parte meccanica spesso è la parte piu' complicata del lavoro)
Thanatos ha scritto:come vanno collegati fisicamente i 2 finecorsa al motore (c-no-nc)
Trattando il finecorsa come un interruttore NC (che si apre solo quando la porta ha terminato il suo spostamento) dovrai collegare solo i terminali C e NC al resto del circuito ... come mostrato nello schema
Thanatos ha scritto:come dovrebbero essere implementati ciò come andrebbero cablati?
Dopo ti faccio uno schema...
0
voti
La tua soluzione non comporta il fatto che una volta che viene pigiato l'interruttore di finecorsa questo tolga la tensione al motore anche se il bottone dovesse essere rilasciato?
Avevo già provato a collegare il motore a nc ma il risultato è che una volta schiacciato uno dei finecorsa il motore non gira più anche invertendo la polarità, scusa ma non ho mai montato i finecorsa
Avevo già provato a collegare il motore a nc ma il risultato è che una volta schiacciato uno dei finecorsa il motore non gira più anche invertendo la polarità, scusa ma non ho mai montato i finecorsa
0
voti
Thanatos ha scritto:La tua soluzione non comporta il fatto che una volta che viene pigiato l'interruttore di finecorsa questo tolga la tensione al motore anche se il bottone dovesse essere rilasciato?
no, con i circuiti elementari che stiamo analizzando è sempre piena responsabilità dell'interruttore di finecorsa togliere la tensione al motore. Quindi se viene rilasiato il motore torna in funzione.
Thanatos ha scritto:Avevo già provato a collegare il motore a nc ma il risultato è che una volta schiacciato uno dei finecorsa il motore non gira più anche invertendo la polarità, scusa ma non ho mai montato i finecorsa
sicuro? ricontrolla magari, mi sembra strano.
Russell ha scritto:Dopo ti faccio uno schema...
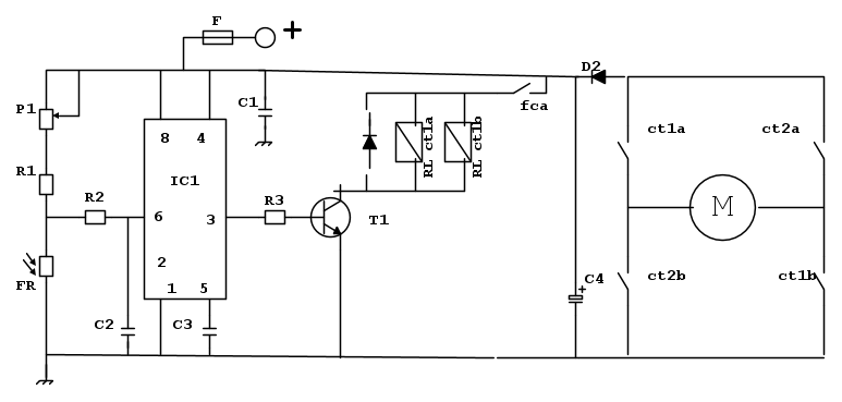
eccolo...
come vedi adesso T1 gestisce 2 rele' (RL ct1a, RL ct1b), che azionano la coppia di 2 interruttori ct1 A e B.
Come vedi il finecorsa fca quando viene aperto dalla porta, interrompe l'alimentazione delle bobine dei rele, e quindi i relativi interruttori si aprono.
Nello schema, per problemi di spazio (e tempo), va poi inserito un secondo transistor che gestirà le bobine (che si chiameranno RL ct2 A e B) che saranno associati ai relativi interruttori ct2 A e B.
0
voti
Grazie mille Russell, sempre molto disponibile ti sono grato.
I finecorsa possono essere messi anche senza il relè per fare le prove?
un'altra cosa che non mi è chiara C4 fisicamente dove va collegato?
OT
Sapreste consigliarmi qualche libro per l'elettronica? per ora mi sono limitato alle guide base un vecchio corso di nuova elettronica intitolato "imparare l'elettronica partendo da zero", insomma tutte cose basilari vorrei passare a qualcosa di intermedio e comunque alla portata di un novizio.
Grazie e scusate per ot
I finecorsa possono essere messi anche senza il relè per fare le prove?
un'altra cosa che non mi è chiara C4 fisicamente dove va collegato?
OT
Sapreste consigliarmi qualche libro per l'elettronica? per ora mi sono limitato alle guide base un vecchio corso di nuova elettronica intitolato "imparare l'elettronica partendo da zero", insomma tutte cose basilari vorrei passare a qualcosa di intermedio e comunque alla portata di un novizio.
Grazie e scusate per ot
Chi c’è in linea
Visitano il forum: Nessuno e 13 ospiti

Elettrotecnica e non solo (admin)
Un gatto tra gli elettroni (IsidoroKZ)
Esperienza e simulazioni (g.schgor)
Moleskine di un idraulico (RenzoDF)
Il Blog di ElectroYou (webmaster)
Idee microcontrollate (TardoFreak)
PICcoli grandi PICMicro (Paolino)
Il blog elettrico di carloc (carloc)
DirtEYblooog (dirtydeeds)
Di tutto... un po' (jordan20)
AK47 (lillo)
Esperienze elettroniche (marco438)
Telecomunicazioni musicali (clavicordo)
Automazione ed Elettronica (gustavo)
Direttive per la sicurezza (ErnestoCappelletti)
EYnfo dall'Alaska (mir)
Apriamo il quadro! (attilio)
H7-25 (asdf)
Passione Elettrica (massimob)
Elettroni a spasso (guidob)
Bloguerra (guerra)





