salve a tutti, sono alle prese con un raspberry sensibile....alla lampada da tavolo...
mi spiego meglio, devo fare un semplice circuito contaimpulsi da leggere su un pin dei vari gpio del rasp, tutto andava bene e sembrava funzionare pe il meglio fino a quando non ho acceso la lampada da tavolo e ho notato che il processore contava quando andavo ad azionare l'interruttore della lampada, ho fatto numerose prove, provando perfino a staccare tutto il circuito collegato all'ingresso della scheda, ma basta un filo collegato sull'input da leggere che si innescano degli spike impressionanti alla pressione dell'interruttore. come interfaccia ho provato sia con un semplice mosfet, che con un mosfet, fino a collegarci un semplice pulsante. niente da fare, l'unica cosa è provare a utilizzare un cavo schermato per effettuare i collegamenti. ho provato anche a staccarmi dalla rete: alimentare il raspberry con una batteria di quelle che ormai si utilizzano per ricaricare i cellulari e a lasciare il computer alimentato a batteria, ma niente.
a qualcuno è mai successa una cosa del genere? avete suggerimenti?
ingresso raspberry sensibile agli spike
Moderatori:
carloc,
g.schgor,
BrunoValente,
IsidoroKZ
16 messaggi
• Pagina 1 di 2 • 1, 2
0
voti
Non e` che hai lasciato aperto l'ingresso oppure collegato a una sorgente ad alta impedenza? Se usi i pull up interni, scegli un valore piu` piccolo, ammesso che ci siano. Oppure metti dei pull up esterni.
Uno schema dettagliato di che cosa e` collegato al lampone potrebbe essere molto utile.
Uno schema dettagliato di che cosa e` collegato al lampone potrebbe essere molto utile.
Per usare proficuamente un simulatore, bisogna sapere molta più elettronica di lui
Plug it in - it works better!
Il 555 sta all'elettronica come Arduino all'informatica! (entrambi loro malgrado)
Se volete risposte rispondete a tutte le mie domande
Plug it in - it works better!
Il 555 sta all'elettronica come Arduino all'informatica! (entrambi loro malgrado)
Se volete risposte rispondete a tutte le mie domande
0
voti
ciao, grazie per la risposta, intanto ho letto anche questo:
http://www.raspberrypi.org/forums/viewt ... 37&t=91639
al momento è configurato pulldown interno e esternamente un pulsante tra il pin e +3v3 in modo da rilevare le variazioni sul fronte di salita, pin collegatro con un cavo cat5e con lo schermo messo a terra soltanto da un lato
http://www.raspberrypi.org/forums/viewt ... 37&t=91639
al momento è configurato pulldown interno e esternamente un pulsante tra il pin e +3v3 in modo da rilevare le variazioni sul fronte di salita, pin collegatro con un cavo cat5e con lo schermo messo a terra soltanto da un lato
0
voti
Prova a realizzare questo circuito, per il pulsante.
Non usare i pull up interni per i pulsanti.
Gli ingressi del RasPi non sono come gli ingressi dei microcontrollori, cioè a trigger e molto robusti, perché il processore che usa il RasPi assomiglia più alla CPU di un computer che ad un microcontrollore.
Nel caso del RasPi i pull up servono solo per non avere ingressi ad alta impedenza quando si usano bus lunghi e ad alta velocità.
Sono pensati per altri scopi.
Ciao,
Pietro.
Non usare i pull up interni per i pulsanti.
Gli ingressi del RasPi non sono come gli ingressi dei microcontrollori, cioè a trigger e molto robusti, perché il processore che usa il RasPi assomiglia più alla CPU di un computer che ad un microcontrollore.
Nel caso del RasPi i pull up servono solo per non avere ingressi ad alta impedenza quando si usano bus lunghi e ad alta velocità.
Sono pensati per altri scopi.
Ciao,
Pietro.
-

PietroBaima
90,7k 7 12 13 - G.Master EY

- Messaggi: 12206
- Iscritto il: 12 ago 2012, 1:20
- Località: Londra
0
voti
grazie mille per le risposte, ho provato il tuo circuito, migliora di poco, ho provato questo e migliora un po:
http://www.raspberrypi.org/forums/viewt ... 78&t=82397
potrei mettere qualche circuito integrato a trigger per rendere gli ingressi più robusti,simili a quelli di un microcontrollore?
grazie mille per il supporto
http://www.raspberrypi.org/forums/viewt ... 78&t=82397
potrei mettere qualche circuito integrato a trigger per rendere gli ingressi più robusti,simili a quelli di un microcontrollore?
grazie mille per il supporto
3
voti
UrKa (con la K maiuscola), nemmeno con quel circuito si elimina il problema?
Ma cosa usi come lampada da tavolo, una bobina di Tesla?
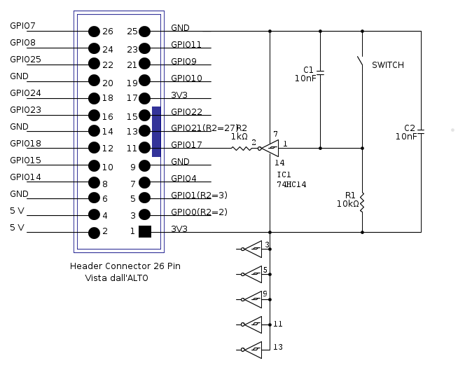
Anyway, scherzi a parte, prova allora a realizzare questo circuito. Se non funziona nemmeno questo posta una foto della tua realizzazione!
Metti C2 il più possibile vicino ai pin 7 e 14 di IC1.
Ah, hai disabilitato il pull up interno, vero?
Ma cosa usi come lampada da tavolo, una bobina di Tesla?
Anyway, scherzi a parte, prova allora a realizzare questo circuito. Se non funziona nemmeno questo posta una foto della tua realizzazione!
Metti C2 il più possibile vicino ai pin 7 e 14 di IC1.
Ah, hai disabilitato il pull up interno, vero?
-

PietroBaima
90,7k 7 12 13 - G.Master EY

- Messaggi: 12206
- Iscritto il: 12 ago 2012, 1:20
- Località: Londra
0
voti
questa funziona un po:
http://www.raspberrypi.org/forums/downl ... 78883adb6a
ma mi serve un circuito robusto, quindi proverò quello che mi hai indicato adesso tu, grazie!
http://www.raspberrypi.org/forums/downl ... 78883adb6a
ma mi serve un circuito robusto, quindi proverò quello che mi hai indicato adesso tu, grazie!
0
voti
prego, figurati.
Se vuoi, poi, mi piacerebbe sapere se funziona. Mi stupirei parecchio se avesse ancora dei problemi.
A questo punto sono curioso
Se vuoi, poi, mi piacerebbe sapere se funziona. Mi stupirei parecchio se avesse ancora dei problemi.
A questo punto sono curioso
-

PietroBaima
90,7k 7 12 13 - G.Master EY

- Messaggi: 12206
- Iscritto il: 12 ago 2012, 1:20
- Località: Londra
16 messaggi
• Pagina 1 di 2 • 1, 2
Chi c’è in linea
Visitano il forum: Nessuno e 156 ospiti

Elettrotecnica e non solo (admin)
Un gatto tra gli elettroni (IsidoroKZ)
Esperienza e simulazioni (g.schgor)
Moleskine di un idraulico (RenzoDF)
Il Blog di ElectroYou (webmaster)
Idee microcontrollate (TardoFreak)
PICcoli grandi PICMicro (Paolino)
Il blog elettrico di carloc (carloc)
DirtEYblooog (dirtydeeds)
Di tutto... un po' (jordan20)
AK47 (lillo)
Esperienze elettroniche (marco438)
Telecomunicazioni musicali (clavicordo)
Automazione ed Elettronica (gustavo)
Direttive per la sicurezza (ErnestoCappelletti)
EYnfo dall'Alaska (mir)
Apriamo il quadro! (attilio)
H7-25 (asdf)
Passione Elettrica (massimob)
Elettroni a spasso (guidob)
Bloguerra (guerra)



pigreco]=π