salve stavo pensando di realizzare un generatore di onde triangolari per il controllo PWM di una ventolacon le seguenti specifiche
- tensione di alimentazione singola 12 V
- uso di TL084 o LM324
- frequenza dell' ordine dei 400 Hz
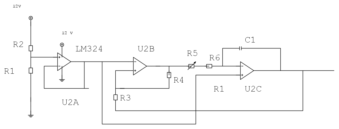
lo schema è il seguente
i componenti scelti sono i seguenti:
R1=R2=10K;(alternativa un trimmer per una regolazione fine);R3=R4=22K; R5=100K;R52=22K;C1=10nF
ho èrovato a simulare il circuito al multisim ed è tutto ok; ho provato su breadboard e non oscilla; il 2 operazionale quello che funziona da trigger non riesce a lavorare come comparatore: la sua uscita rimane al valore alto; qualcuno sa spiegarmi il motivo?
generatore di onde triangolari
Moderatori:
carloc,
g.schgor,
BrunoValente,
IsidoroKZ
9 messaggi
• Pagina 1 di 1
2
voti
Hai usato il 324 o lo 084? Metti i valori dei componenti sullo schema, vicino a ciascun componente. Misura la tensione di uscita dei tre operazionali e riportala.
Come suggerimento generale lascia perdere i simulatori finche' non sai piu` elettronica di loro :)
Come suggerimento generale lascia perdere i simulatori finche' non sai piu` elettronica di loro :)
Per usare proficuamente un simulatore, bisogna sapere molta più elettronica di lui
Plug it in - it works better!
Il 555 sta all'elettronica come Arduino all'informatica! (entrambi loro malgrado)
Se volete risposte rispondete a tutte le mie domande
Plug it in - it works better!
Il 555 sta all'elettronica come Arduino all'informatica! (entrambi loro malgrado)
Se volete risposte rispondete a tutte le mie domande
3
voti
Credo che vada aumentato il valore di R4: con R4=R3 siamo al limite e funzionerebbe solo se l'uscita di U2C fosse rail to rail, cosa che non è vera né con il TL084 né con l'LM324.
-

BrunoValente
39,6k 7 11 13 - G.Master EY

- Messaggi: 7796
- Iscritto il: 8 mag 2007, 14:48
3
voti
Sto rileggendo e in effetti ho espresso male il concetto.
Intendo dire che se R4=R3, affinché funzioni, occorre che il campo dinamico della tensione di uscita di U2C sia maggiore di quello della tensione di uscita di U2B, cosa che in pratica non è assicurata.
Per allontanarci dalla condizione limite occorre rendere il rapporto R4/R3 maggiore dell'unità.
Porta R4 a 27k o a 33k
Intendo dire che se R4=R3, affinché funzioni, occorre che il campo dinamico della tensione di uscita di U2C sia maggiore di quello della tensione di uscita di U2B, cosa che in pratica non è assicurata.
Per allontanarci dalla condizione limite occorre rendere il rapporto R4/R3 maggiore dell'unità.
Porta R4 a 27k o a 33k
-

BrunoValente
39,6k 7 11 13 - G.Master EY

- Messaggi: 7796
- Iscritto il: 8 mag 2007, 14:48
0
voti
A parte le giuste considerazioni di Bruno, ma non sarà che l' integratore così fatto nel giro di pochi attimi sarà già saturo a causa delle correnti di polarizzazione e alla tensione di offset che caricherà il condensatore con una componente continua pari a Vcc 
0
voti
ok tutto risolto; il circuito funziona alla grande devo solo fare i giusti calcoli per avere la tensione e la frequenza voluta-; grazie a tutti; sicuramente per fare in modo che l' onda quadra e sinusoidale fossero della stessa dimensione è necessario avere resistenze di precisione cosa che non ho;
0
voti
riepilogo le misure:
con
TL084
R1=R2=10 K;
R3=22K
R4=33K
R6=22 K
R5=trimmer 500K (regolato a circa 34 K)
c=10 nF
ho ottenuto i seguenti valori:
-Vpp=8,80 V
-Vmin=2,4 V
-V max= 8,80 V
-f=600Hz circa;
a questo punto mi servireebbe ottenere un' onda triangolare nell' intervallo 0-5 V; considerando che l' AO si mangia un po di tensione cosa mi conviene fare?
con
TL084
R1=R2=10 K;
R3=22K
R4=33K
R6=22 K
R5=trimmer 500K (regolato a circa 34 K)
c=10 nF
ho ottenuto i seguenti valori:
-Vpp=8,80 V
-Vmin=2,4 V
-V max= 8,80 V
-f=600Hz circa;
a questo punto mi servireebbe ottenere un' onda triangolare nell' intervallo 0-5 V; considerando che l' AO si mangia un po di tensione cosa mi conviene fare?
1
voti
nicoct ha scritto:onsiderando che l' AO si mangia un po di tensione cosa mi conviene fare?
Usare un operazionale rail to rail con slew rate e banda sufficiente.
9 messaggi
• Pagina 1 di 1
Chi c’è in linea
Visitano il forum: Nessuno e 56 ospiti

Elettrotecnica e non solo (admin)
Un gatto tra gli elettroni (IsidoroKZ)
Esperienza e simulazioni (g.schgor)
Moleskine di un idraulico (RenzoDF)
Il Blog di ElectroYou (webmaster)
Idee microcontrollate (TardoFreak)
PICcoli grandi PICMicro (Paolino)
Il blog elettrico di carloc (carloc)
DirtEYblooog (dirtydeeds)
Di tutto... un po' (jordan20)
AK47 (lillo)
Esperienze elettroniche (marco438)
Telecomunicazioni musicali (clavicordo)
Automazione ed Elettronica (gustavo)
Direttive per la sicurezza (ErnestoCappelletti)
EYnfo dall'Alaska (mir)
Apriamo il quadro! (attilio)
H7-25 (asdf)
Passione Elettrica (massimob)
Elettroni a spasso (guidob)
Bloguerra (guerra)







