Cos'è ElectroYou | Login Iscriviti

ElectroYou - la comunità dei professionisti del mondo elettrico

Softstart per due motori elettrici

Trasformatori, macchine rotanti ed azionamenti

Moderatori: Foto UtenteSandroCalligaro, Foto Utentemario_maggi, Foto Utentefpalone

0
voti

[1] Softstart per due motori elettrici

Messaggioda Foto Utentefranpara » 13 feb 2015, 19:50

Salve a tutti!
sono alle prese con un amico che mi ha chiesto di aiutarlo risolvendo un problema su una sua creazione, cioè un irrigatore per campi utilizzando due motori (presi da due carrozzelle). Il problema è che all'avvio i due motori rendono disponibile tutta la coppia generando quindi strattoni a tutto il sistema e bisognerebbe evitarli visto il peso totale di questa "macchina". Cercando un po in rete ho trovato qualcosa circa dei "softstarter" che, se ho ben capito, dovrebbero proprio limitare la coppia durante l'avvio però vorrei avere da voi esperti dei pareri ed eventualmente delle soluzioni al problema.

I dati dei due motori sono: DC 24 V, 33A, 110RPM

Grazie :lol:
Avatar utente
Foto Utentefranpara
0 2
 
Messaggi: 6
Iscritto il: 27 mag 2014, 10:17

0
voti

[2] Re: Softstart per due motori elettrici

Messaggioda Foto UtenteRussell » 13 feb 2015, 20:59

33A davvero ... o per caso sono 3A?
Avatar utente
Foto UtenteRussell
3.373 3 5 9
Master
Master
 
Messaggi: 2193
Iscritto il: 4 ott 2009, 10:25

0
voti

[3] Re: Softstart per due motori elettrici

Messaggioda Foto Utentefranpara » 13 feb 2015, 21:09

si 33A, mi ha riportato tutto quello che c'è scritto sulla targa dei motori e c'è scritto così...sembra strano anche a me però sembra sia così
Avatar utente
Foto Utentefranpara
0 2
 
Messaggi: 6
Iscritto il: 27 mag 2014, 10:17

0
voti

[4] Re: Softstart per due motori elettrici

Messaggioda Foto UtenteRussell » 13 feb 2015, 21:25

ah... peccato
sara' un po' dura fare un circuitino fatto in casa che tolleri quelle correnti
vediamo se qualcuno ha dei buoni suggerimenti o se trova qualche apparato gia' pronto
Avatar utente
Foto UtenteRussell
3.373 3 5 9
Master
Master
 
Messaggi: 2193
Iscritto il: 4 ott 2009, 10:25

0
voti

[5] Re: Softstart per due motori elettrici

Messaggioda Foto UtenteCandy » 14 feb 2015, 12:00

Sarebbe il caso che tu dica cosa ti occorre invece di scrivere poesie.
I softstarter servono, dove riescono a funzionare, all'avvio di asincroni.
Per un motore in c.c. si usa la tecnica PWM. Ora precisa bene di che motore si tratta e di che tipo di controllo ti occorre. Se ad esempio deve evitare il colpo d'ariete in un impianto, il controllo da fare si complica e non è limitato al motore.
Avatar utente
Foto UtenteCandy
32,5k 7 10 13
CRU - Account cancellato su Richiesta utente
 
Messaggi: 10123
Iscritto il: 14 giu 2010, 22:54

0
voti

[6] Re: Softstart per due motori elettrici

Messaggioda Foto Utentefranpara » 14 feb 2015, 14:38

mi scuso per la "poesia", mi sembrava opportuno spiegare il contesto della richiesta.
Nel frattempo ho fatto delle ricerche ed effettivamente un controllo con PWM sembra la soluzione adatta. Ho trovato in rete qualche PCB già fatta tipo queste:

http://it.aliexpress.com/item/Wholesale ... 78283.html

http://www.ebay.it/itm/PWM-Motor-REGOLA ... 1c4870cc78

https://www.youtube.com/watch?v=5Ww5uL4s8No

oppure una da realizzare:

http://electronica.mk/all_articles/Elec ... oller.html

ma non so fino a che punto converrebbe visto che dovrei comprati tutti i componenti e comunque non avrei la certezza del corretto funzionamento.

Inoltre vorrei capire una cosa; avendo due motori posso usare una sola PCB di questo tipo (collegando i poli dei due motori insieme) o ne servono due? Se ne basta una, dovrei prenderne una che regga 33A + 33A? Grazie e mi scuso ancora per i lunghi interventi.

PS: di quali altri dati del motore avete bisogno? il colpo d'ariete direi che potremmo trascurarlo, una partenza dolce credo basti allo scopo.
Avatar utente
Foto Utentefranpara
0 2
 
Messaggi: 6
Iscritto il: 27 mag 2014, 10:17

1
voti

[7] Re: Softstart per due motori elettrici

Messaggioda Foto Utenterini » 14 feb 2015, 15:27

franpara ha scritto:Se ne basta una, dovrei prenderne una che regga 33A + 33A?


Si certo, e devi considerare anche un margine di sicurezza. Io ti consiglierei di prenderne uno e di testarlo. Poi per il controllo dei due motori usi un potenziometro con uscita doppia e comandi parallelamente i due convertitori DC/DC di potenza.

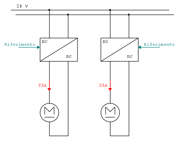
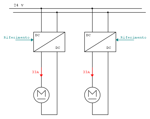
Sostanzialmente non servono ulteriori parametri del motore. Devi prendere un convertitore che sia in grado di sopportare la tua corrente. Prima di acquistare un oggetto fai una misura delle correnti che circolano nei tuoi motori in condizioni di normale funzionamento e dacci quei dati. Oppure dicci se il tuo motore si riscalda troppo, appoggia la mano sopra al motore :-D. Questi dati ci servono per capire se la macchina elettrica sta funzionamento correttamente oppure se è in un funzionamento da sovraccarico costante. In quest'ultimo caso devi prendere un motore più potente. Quindi prima di acquistare fai due misure sul campo descrivendo brevemente come è composto il tuo sistema. Cioè adesso come fai a fare i 24 V? Trasformatore più ponte raddrizzatore? Descrivi brevemente anche con uno schema su fidocaj. Ci aiuterai a capire per bene il tuo sistema.

Se la corrente effettivamente è <= 33A (siamo in DC) allora puoi prenderti il convertitore da 40A e magari ci aggiungiamo anche una ventolina sul case (forse uno più grandino non guasterebbe, tipo da 60A, un margine di sicurezza 2 va più che bene).

Buona giornata Foto Utentefranpara
rini - \existslectroYou
Avatar utente
Foto Utenterini
1.420 2 5 13
Master EY
Master EY
 
Messaggi: 461
Iscritto il: 17 dic 2007, 1:04
Località: Bologna \ Salento

0
voti

[8] Re: Softstart per due motori elettrici

Messaggioda Foto Utentefranpara » 14 feb 2015, 16:12

grazie per la risposta però perdonami ma non ho ben capito cosa mi consigli quando dici:

rini ha scritto:Si certo, e devi considerare anche un margine di sicurezza. Io ti consiglierei di prenderne uno e di testarlo. Poi per il controllo dei due motori usi un potenziometro con uscita doppia e comandi parallelamente i due convertitori DC/DC di potenza.


quindi mi consigli di prenderne uno (che regga quindi almeno 80/90A stando a quello che mi hai detto successivamente) oppure due? Perché poi dici di utilizzare un potenziometro per comandare i due convertitori... :?
Avatar utente
Foto Utentefranpara
0 2
 
Messaggi: 6
Iscritto il: 27 mag 2014, 10:17

1
voti

[9] Re: Softstart per due motori elettrici

Messaggioda Foto UtenteEcoTan » 14 feb 2015, 16:26

franpara ha scritto:(collegando i poli dei due motori insieme)

Hai preso in considerazione di partire coi motori in serie per dimezzare lo strappo?
Avatar utente
Foto UtenteEcoTan
7.720 4 12 13
Expert EY
Expert EY
 
Messaggi: 5422
Iscritto il: 29 gen 2014, 8:54

3
voti

[10] Re: Softstart per due motori elettrici

Messaggioda Foto Utenterini » 15 feb 2015, 23:30



Io ti consiglierei di comprarti il regolatore PWM che avevi scelto tu in precedenza. Come vedi questo regolatore ha un potenziometro che serve per fissare la tensione di uscita dal convertitore da 5% al 100% della tensione in ingresso. Quindi ti consiglio di prenderne due, ma prima di farlo comprane uno e testalo su un solo motore.
Ciao
rini - \existslectroYou
Avatar utente
Foto Utenterini
1.420 2 5 13
Master EY
Master EY
 
Messaggi: 461
Iscritto il: 17 dic 2007, 1:04
Località: Bologna \ Salento

Prossimo

Torna a Macchine elettriche

Chi c’è in linea

Visitano il forum: Nessuno e 39 ospiti