Io pensavo a qualcosa del genere
i 100mA di cui staimo parlando non dovrebbero essere un problema.
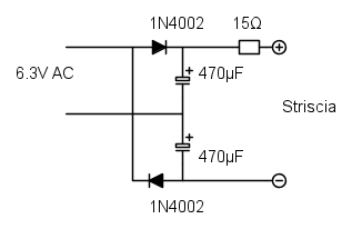
Da 6Vac a 12Vdc
Moderatori:
carloc,
g.schgor,
BrunoValente,
IsidoroKZ
2
voti
[12] Re: Da 6Vac a 12Vdc
Mettendo condensatori piu` piccoli si puo` anche eliminare la resistenza da 15ohm, ma dovrei sapere che resistenza c'e` gia` sulla striscia e come sono i led.
Per usare proficuamente un simulatore, bisogna sapere molta più elettronica di lui
Plug it in - it works better!
Il 555 sta all'elettronica come Arduino all'informatica! (entrambi loro malgrado)
Se volete risposte rispondete a tutte le mie domande
Plug it in - it works better!
Il 555 sta all'elettronica come Arduino all'informatica! (entrambi loro malgrado)
Se volete risposte rispondete a tutte le mie domande
0
voti
[13] Re: Da 6Vac a 12Vdc
Per usare proficuamente un simulatore, bisogna sapere molta più elettronica di lui
Plug it in - it works better!
Il 555 sta all'elettronica come Arduino all'informatica! (entrambi loro malgrado)
Se volete risposte rispondete a tutte le mie domande
Plug it in - it works better!
Il 555 sta all'elettronica come Arduino all'informatica! (entrambi loro malgrado)
Se volete risposte rispondete a tutte le mie domande
0
voti
[15] Re: Da 6Vac a 12Vdc
IsidoroKZ ha scritto:Mettendo condensatori piu` piccoli si puo` anche eliminare la resistenza da 15ohm, ma dovrei sapere che resistenza c'e` gia` sulla striscia e come sono i LED.
La striscia è simile a questa:
http://www.aftertech.eu/ebayimages/120851402858/rgb300led007.jpg
Sì tratta di striscia a led RGB a spezzoni da 10 cm. con 3 resistenze per spezzone con su scritto 131, che se non sbaglio dovrebbero essere 130 ohm.
0
voti
[16] Re: Da 6Vac a 12Vdc
Monta il circuito che ho disegnato, dovrebbe andare bene. Per la versione con i condensatori piu` piccoli e senza resistenza forse non vale la pena farla, se sbaglio i conti i led non sono contenti 
Per usare proficuamente un simulatore, bisogna sapere molta più elettronica di lui
Plug it in - it works better!
Il 555 sta all'elettronica come Arduino all'informatica! (entrambi loro malgrado)
Se volete risposte rispondete a tutte le mie domande
Plug it in - it works better!
Il 555 sta all'elettronica come Arduino all'informatica! (entrambi loro malgrado)
Se volete risposte rispondete a tutte le mie domande
0
voti
[17] Re: Da 6Vac a 12Vdc
Ok faccio spesa e lo monto. Tanto per non sbagliare, posso usare 1n4007 che ne ho già in casa? I condensatori quanti volt? Almeno 16V credo...
0
voti
[18] Re: Da 6Vac a 12Vdc
I 4007 vanno benissimo, i condensatori da 16V vanno altrettanto bene, dovrebbero lavorare a 8V circa. Il tutto funziona per una corrente assorbita dai led di circa 120mA (30 cm di striscia).
Mi dicevi che la striscia ha tre resistenze da 130ohm ogni 10 centimetri, e suppongo che ci siano 3 led tricolore ogni 10cm. Riesci ad alimentarla a 12V con un alimentatore e a misurare la caduta di tensione su ciascuna delle tre resistenze?
Mi dicevi che la striscia ha tre resistenze da 130ohm ogni 10 centimetri, e suppongo che ci siano 3 led tricolore ogni 10cm. Riesci ad alimentarla a 12V con un alimentatore e a misurare la caduta di tensione su ciascuna delle tre resistenze?
Per usare proficuamente un simulatore, bisogna sapere molta più elettronica di lui
Plug it in - it works better!
Il 555 sta all'elettronica come Arduino all'informatica! (entrambi loro malgrado)
Se volete risposte rispondete a tutte le mie domande
Plug it in - it works better!
Il 555 sta all'elettronica come Arduino all'informatica! (entrambi loro malgrado)
Se volete risposte rispondete a tutte le mie domande
0
voti
[19] Re: Da 6Vac a 12Vdc
IsidoroKZ ha scritto:Monta il circuito che ho disegnato, dovrebbe andare bene. Per la versione con i condensatori piu` piccoli e senza resistenza forse non vale la pena farla, se sbaglio i conti i LED non sono contenti
Ho fatto una simulazione: con due condensatori da 220uF la corrente media è circa 105-110mA
-

SediciAmpere
4.187 5 5 8 - Master

- Messaggi: 4847
- Iscritto il: 31 ott 2013, 15:00
0
voti
[20] Re: Da 6Vac a 12Vdc
Allora, ho montato e provato il circuito di IsidoroKZ e funziona bene, anche se nel provarlo mi sono accorto che come sempre do per scontato troppe cose....
Praticamente vi avevo dato come tensione di alimentazione la capacità delle lampadine che sono appunta da 6,3 volt. Misurando meglio mi sono accordto invece che che le lampade vengono alimentate ad una tensione attorno ai 4 volt, portando quindi dopo il circuito l'uscita in continuo attorno ai 10 volt, che è più che sufficente per far accender i led e dare un bel effetto visivo...
Mi sono accorto inoltre che la tensione delle lampade è molto instabile e "sporca", mi trovo ad avere i led leggiermente accesi anche senza tensione sulla linea....
Comunque lascerei cosi, anche se i calcoli non sono giusti, il risultato è stato acquisito.
Praticamente vi avevo dato come tensione di alimentazione la capacità delle lampadine che sono appunta da 6,3 volt. Misurando meglio mi sono accordto invece che che le lampade vengono alimentate ad una tensione attorno ai 4 volt, portando quindi dopo il circuito l'uscita in continuo attorno ai 10 volt, che è più che sufficente per far accender i led e dare un bel effetto visivo...
Mi sono accorto inoltre che la tensione delle lampade è molto instabile e "sporca", mi trovo ad avere i led leggiermente accesi anche senza tensione sulla linea....
Comunque lascerei cosi, anche se i calcoli non sono giusti, il risultato è stato acquisito.

Chi c’è in linea
Visitano il forum: Google [Bot], Google Adsense [Bot] e 40 ospiti

Elettrotecnica e non solo (admin)
Un gatto tra gli elettroni (IsidoroKZ)
Esperienza e simulazioni (g.schgor)
Moleskine di un idraulico (RenzoDF)
Il Blog di ElectroYou (webmaster)
Idee microcontrollate (TardoFreak)
PICcoli grandi PICMicro (Paolino)
Il blog elettrico di carloc (carloc)
DirtEYblooog (dirtydeeds)
Di tutto... un po' (jordan20)
AK47 (lillo)
Esperienze elettroniche (marco438)
Telecomunicazioni musicali (clavicordo)
Automazione ed Elettronica (gustavo)
Direttive per la sicurezza (ErnestoCappelletti)
EYnfo dall'Alaska (mir)
Apriamo il quadro! (attilio)
H7-25 (asdf)
Passione Elettrica (massimob)
Elettroni a spasso (guidob)
Bloguerra (guerra)





