Se interpreto correttamente i dati che hai fornito e se vuoi proprio i 15A, sarebbe meglio mettere un resistore in serie al potenziometro per limitare la tensione di uscita a 15V per non avere tensioni di uscita non correttamente regolate.
Se ti accontentassi di 10/12A probabilmente potresti salire con la tensione di uscita a circa 18V e potresti tenere i 2N3055 senza stressarli esageratamente.
Alimentatore tensione variabile
Moderatori:
carloc,
g.schgor,
BrunoValente,
IsidoroKZ
0
voti
Grazie del consiglio, il valore del resistore in serie al potenziometro di quanto dovrebbe essere?
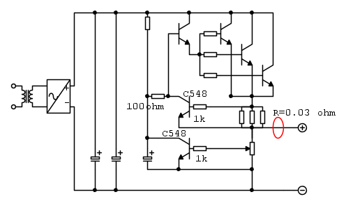
Per fermarmi a 10A avrei bisogno di un resistore di 0,6 ohm come dovrei fare, mettere due resistenze in parallelo da 0.1 ohm va bene ?Se ti accontentassi di 10/12A probabilmente potresti salire con la tensione di uscita a circa 18V e potresti tenere i 2N3055 senza stressarli esageratamente.
Grazie per l'aiuto

0
voti
Se con tre resistori da 0,1Ω in parallelo ottieni 15A, con due otterrai circa 10A. Prova.
-

FedericoSibona
5.022 3 5 8 - Master

- Messaggi: 3951
- Iscritto il: 19 mar 2013, 11:43
0
voti
Oggi ho messo in parallelo 2 resistenze da 0.1 0hm la corrente di corto è 12,30 A , con un carico di 7 A riesco a regolare la tensione fino a 20 V adesso direi che così andrebbe bene per non sollecitare troppo i transistor.
Anche un dissipatore più' appropriato potrebbe migliorare la situazione specie se monitorato da un interruttore termico (come già detto).
Un interruttore termico da 40°C andrebbe bene?
Come dovrei collegare l'interruttore termico sul positivo all'uscita?
Grazie per i vostri consigli

0
voti
40° sono un po' pochini; d'estate ti si potrebbe aprire anche quando l'alimentatore e' spento
Vedi di trovare qualcosa intorno agli 80/100° e che supporti le correnti che ti proponi di raggiungere.
Vedi di trovare qualcosa intorno agli 80/100° e che supporti le correnti che ti proponi di raggiungere.
marco
0
voti
Su ebay ho trovato due interruttori termici:
Termostato sensore di temperatura interruttore termico normalmente chiuso 100°C
Termostato sensore di temperatura interruttore termico normalmente chiuso 80°C
Quale tra i due mi consigliereste, stesso prezzo.
Per quanto riguarda la collocazione del interruttore termico va sulla piastra dove sono i transistor?
Per il collegamento, collego il positivo al interruttore dopo le resistenze in parallelo, evidenzio nello schema il collegamento.
Grazie in anticipo per le risposte
Termostato sensore di temperatura interruttore termico normalmente chiuso 100°C
Termostato sensore di temperatura interruttore termico normalmente chiuso 80°C
Quale tra i due mi consigliereste, stesso prezzo.
Per quanto riguarda la collocazione del interruttore termico va sulla piastra dove sono i transistor?
Per il collegamento, collego il positivo al interruttore dopo le resistenze in parallelo, evidenzio nello schema il collegamento.
Grazie in anticipo per le risposte
0
voti
Personalmente lo metterei sul primario del trasformatore dove, se già non c'è, sarebbe meglio mettere anche un fusibile da 2A ritardato (non ricordo se ne avevamo già parlato).
In una delle foto mi pare di aver visto una ventola sul dissipatore, era una buona idea.
Eventualmente si potrebbe aggiungere un secondo interruttore termico a circa 50°C normalmente aperto che faccia partire la ventola in automatico dai 50°C in su.
Non ti ho ancora fatto i complimenti per come hai ripulito/ripristinato l'alimentatore
In una delle foto mi pare di aver visto una ventola sul dissipatore, era una buona idea.
Eventualmente si potrebbe aggiungere un secondo interruttore termico a circa 50°C normalmente aperto che faccia partire la ventola in automatico dai 50°C in su.
Non ti ho ancora fatto i complimenti per come hai ripulito/ripristinato l'alimentatore
-

FedericoSibona
5.022 3 5 8 - Master

- Messaggi: 3951
- Iscritto il: 19 mar 2013, 11:43
0
voti
Personalmente lo metterei sul primario del trasformatore dove, se già non c'è, sarebbe meglio mettere anche un fusibile da 2A ritardato (non ricordo se ne avevamo già parlato).
per quanto riguarda l'interruttore termico seguo il tuo consiglio, per quanto riguarda il fusibile non ne abbiamo mai parlato, se non erro il fusibile andrebbe posizionato all'ingresso della 230 V.
Per quanto riguarda le ventole, avrei pensato di installare 4 ventole una sul dissipatore come in foto. Le altre due che spingono aria all'interno della scatola, e una che spinge l'aria verso l'esterno.
Grazie per i complimenti.
0
voti
Guarda che con tutte quelle ventole non prenda il volo.
Se il contenitore presenta delle aperture, probabilmente ne basta una sul dissipatore. Certo sarebbe stato meglio se il dissipatore fosse stato posto all'esterno del contenitore ma, nel tuo caso e con quella "testata", non mi pare possibile.
Se il contenitore presenta delle aperture, probabilmente ne basta una sul dissipatore. Certo sarebbe stato meglio se il dissipatore fosse stato posto all'esterno del contenitore ma, nel tuo caso e con quella "testata", non mi pare possibile.
marco
0
voti
Salve ragazzi oggi sono andato a comprare i due interruttori termici uno normalmente aperto ed uno normalmente chiuso.
il normalmente chiuso l'ho posizionato sul primario del trasformatore come da consiglio di
FedericoSibona che interrompe il positivo prima dell'uscita
il normalmente aperto l'ho posizionato per l'accensione delle ventole.
marco438
Marco ho cambiato il dissipatore non è più una testata ma un vero e proprio dissipatore.
Il dissipatore l'ho posizionato all'esterno della scatola.
Ho notato che le ventole occorrono perché la scatola è tutta chiusa due ventole posizionate sullo stesso lato immettono aria nella scatola e una ventola spinge aria verso l'esterno.
Senza ventole con un carico di 7A 12 V la temperatura dei transistor si alza troppo notevolmente quasi ad arrivare a 50°, con le ventole accese la temperatura dei transistor si aggira tra i 25° ai 35°
Grazie per l'aiuto che mi fornite ogni giorno
il normalmente chiuso l'ho posizionato sul primario del trasformatore come da consiglio di
il normalmente aperto l'ho posizionato per l'accensione delle ventole.
Marco ho cambiato il dissipatore non è più una testata ma un vero e proprio dissipatore.
Il dissipatore l'ho posizionato all'esterno della scatola.
Ho notato che le ventole occorrono perché la scatola è tutta chiusa due ventole posizionate sullo stesso lato immettono aria nella scatola e una ventola spinge aria verso l'esterno.
Senza ventole con un carico di 7A 12 V la temperatura dei transistor si alza troppo notevolmente quasi ad arrivare a 50°, con le ventole accese la temperatura dei transistor si aggira tra i 25° ai 35°
Grazie per l'aiuto che mi fornite ogni giorno
Chi c’è in linea
Visitano il forum: Nessuno e 33 ospiti

Elettrotecnica e non solo (admin)
Un gatto tra gli elettroni (IsidoroKZ)
Esperienza e simulazioni (g.schgor)
Moleskine di un idraulico (RenzoDF)
Il Blog di ElectroYou (webmaster)
Idee microcontrollate (TardoFreak)
PICcoli grandi PICMicro (Paolino)
Il blog elettrico di carloc (carloc)
DirtEYblooog (dirtydeeds)
Di tutto... un po' (jordan20)
AK47 (lillo)
Esperienze elettroniche (marco438)
Telecomunicazioni musicali (clavicordo)
Automazione ed Elettronica (gustavo)
Direttive per la sicurezza (ErnestoCappelletti)
EYnfo dall'Alaska (mir)
Apriamo il quadro! (attilio)
H7-25 (asdf)
Passione Elettrica (massimob)
Elettroni a spasso (guidob)
Bloguerra (guerra)



