Dubbio su valore massimo e efficace di segnale analogico
Moderatori:
carloc,
g.schgor,
BrunoValente,
IsidoroKZ
10 messaggi
• Pagina 1 di 1
0
voti
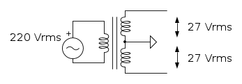
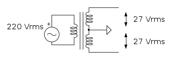
Salve, ho un trasformatore dal quale ci sono 3 cavi sui quali se misuro la tensione posso avere 27V su un ramo e 27 sull'altro, adesso se io metto il classico raddrizzatore a ponte e dei condensatori questa tensione raggiunge circa il valore di picco. Io tuttavia ho bisogno esattamente della tensione efficace cioè 27 V dal momento che devo creare un alimentatore duale per un amplificatore. Il fatto che la tensione sia maggiore ai capi dell'uscita può essere un problema per l'amplificatore ?
-

Electroniker
-6 2 - Messaggi: 19
- Iscritto il: 26 nov 2012, 18:58
0
voti
L'amplificatore in questione è il tda7294 il quale come maximum rating del valore di ingresso considerato senza segnale in ingresso applicato è +-50V
-

Electroniker
-6 2 - Messaggi: 19
- Iscritto il: 26 nov 2012, 18:58
0
voti
1
voti
Non ho ben capito dove sia il problema; con lo schema disegnato ottieni dopo ponte e condensatori una tensione di circa +36V/-36 rispetto il riferimento, piu' che sopportabili dall'integrato.
Ma forse intendi qualcosa d'altro.
Ma forse intendi qualcosa d'altro.
marco
0
voti
sul datasheet del integrato è scritto che la tensione consigliata con un carico di 4Ohm è +- 27V perciò sapendo che la tensione arriva ad essere così alta mi sono chiesto se non possa avere dei problemi, perciò ho chiesto se devo tenere maggiormente conto della tensione efficate del trasformatore o della tensione alla uscita del ponte
-

Electroniker
-6 2 - Messaggi: 19
- Iscritto il: 26 nov 2012, 18:58
1
voti
Forse hai frainteso;comunque la tensione massima applicabile e' piu' o meno 40V rispetto GND; quindi non mi pare ci siano problemi.
marco
0
voti
Electroniker ha scritto: ...perciò ho chiesto se devo tenere maggiormente conto della tensione efficate del trasformatore o della tensione alla uscita del ponte...

Anche il titolo è errato... una tensione di alimentazione non porta alcuna informazione quindi non è un segnale.
"Non farei mai parte di un club che accettasse la mia iscrizione" (G. Marx)
-

claudiocedrone
21,3k 4 7 9 - Master EY

- Messaggi: 15302
- Iscritto il: 18 gen 2012, 13:36
10 messaggi
• Pagina 1 di 1
Chi c’è in linea
Visitano il forum: Nessuno e 56 ospiti

Elettrotecnica e non solo (admin)
Un gatto tra gli elettroni (IsidoroKZ)
Esperienza e simulazioni (g.schgor)
Moleskine di un idraulico (RenzoDF)
Il Blog di ElectroYou (webmaster)
Idee microcontrollate (TardoFreak)
PICcoli grandi PICMicro (Paolino)
Il blog elettrico di carloc (carloc)
DirtEYblooog (dirtydeeds)
Di tutto... un po' (jordan20)
AK47 (lillo)
Esperienze elettroniche (marco438)
Telecomunicazioni musicali (clavicordo)
Automazione ed Elettronica (gustavo)
Direttive per la sicurezza (ErnestoCappelletti)
EYnfo dall'Alaska (mir)
Apriamo il quadro! (attilio)
H7-25 (asdf)
Passione Elettrica (massimob)
Elettroni a spasso (guidob)
Bloguerra (guerra)


