Grazie Russell, posso sempre prendere un p1 da 20 o 50 (tu che consigli?) E cambiarla con quella attuale e poi regolare con r1 il perfezionamento.
Per il resto basta alimentare solo 1 e 2 del relè?
Gli altri tutti scollegati o collegati?
Per farlo commutare basta dare i 12 volt (vanno bene anche 9 di una pila?) E poi toglierli giusto?
Lascio una foto del circuito così come ora
Automatizzare porticina pollaio
0
voti
Il relè funziona, ho fatto una modifica togliendo D1 (è essenziale?) Dal relè e lasciando il terminale 1 del relè collegato al transistor e il terminale 2 al polo + diretto, ora con luce e buio il relè commuta lo stato e finalmente funziona, passando da eccitato e non i terminali collegati al motore restano alimentati e cambiano polo con il commutare del relè.
Da cosa può dipendere questa cosa? Poso lasciare il circuito così o D1 è essenziale?
Ricordo che i diodi D1 e D2 da schema dovevano essere dei 1n4004 e non avendoli trovati lì ho sostituiti (chiedendo prima) con dei 1n4007.
Grazie veramente di cuore a tutti per il supporto
Da cosa può dipendere questa cosa? Poso lasciare il circuito così o D1 è essenziale?
Ricordo che i diodi D1 e D2 da schema dovevano essere dei 1n4004 e non avendoli trovati lì ho sostituiti (chiedendo prima) con dei 1n4007.
Grazie veramente di cuore a tutti per il supporto
1
voti
Thanatos ha scritto:posso sempre prendere un p1 da 20 o 50 (tu che consigli?)
Io mi aspetto che R1 + P1 alla fine debba avere un valore intorno 50KOhm per far commutare correttamente il relè.
In tal caso forse prevederei R1 da 20-30 kohm .... e P1 da 50-100 kohm per la regolazione fine.
Pero' questo devi valutarlo autonomamente. Dipende da che tipo di reattività vuoi. Non posso sparati numeri a caso.... fai delle prove.
Gioca con il tuo attuale P1, qualunque sia il suo valore, ed eventualmente aiutati con altre resistenze giocando su R1 (creando delle serie o dei paralleli) fino a trovare la giusta sensibilità alla luce che desideri usare.
Per il rele', dovresti collegarlo a 12V, non a 9V.... c'è scritto sopra.
I test falli senza collegamenti, gia' detto, rimuovilo dalla breadboard!
D1 in realtà andrebbe previsto, non è buona cosa rimuoverlo. Serve a rimuovere correnti autoindotte dalla bobina quando commuti il rele'. Queste potrebbero danneggiarti il transistor e l'integrato.
Sicuro casomai che lo avevi collegato con le polarità corrette come indicato nello schema?
0
voti
Si la polarità è giusta il positivo del diodo verso il terminale 1 del relè e il negativo al transistor.
Domani vedo di fare prove a 12v oggi purtroppo non ho il trasformatore da qui nasce la domanda dei 9v.
Il transistor dovrebbe mandare il negativo giusto?
Se attacco D1 e non funziona più ci deve essere qualche errore prima
Domani vedo di fare prove a 12v oggi purtroppo non ho il trasformatore da qui nasce la domanda dei 9v.
Il transistor dovrebbe mandare il negativo giusto?
Se attacco D1 e non funziona più ci deve essere qualche errore prima
0
voti
Thanatos ha scritto:il positivo del diodo verso il terminale 1 del relè e il negativo al transistor
ma non sei chiaro.devi mettere il diodo tra i pin 1 e 2 del rele. facendo pero' attenzione di avere il CATODO verso il polo + dell'alimentazione, mentre l'ANODO verso il transistor.
In pratica deve essere in polarizzazione inversa.... e apparentemente, guardando superficialmente lo schema, non dovrebbe mai condurre.
Comunque dubito che il tuo problema sia realmente il diodo... è innocuo in quello schema... è piu' probabile che quando lo colleghi fai un errore e alteri lo schema originario.
0
voti
Ciao Russell, ero riuscito a far funzionare il tutto con luce o buio il relè commuttava anche con D1 inserito, sono passato alla mille fori saldo, collego il tutto ma inverto i poli, il condensatore elettrolitico è subito andato (era il primo componente del circuito quindi se bloccava la corrente il restante circuito rimaneva isolato), si può essere bruciato altro? (So che è impossibile da sapere con certezza. ) credo che il transistor sia bruciato ci sarebbe un modo di testarlo?
Grazie
Ps il circuito non va più dopo che ho invertito i poli ho riprovato anche su breadboard nulla il relè non commuta più con il cambio di luce sembra che la tensione sul collettore del transistor (che prima del disastro veniva isolata) continui sempre ad arrivare sul terminale del relè
Grazie
Ps il circuito non va più dopo che ho invertito i poli ho riprovato anche su breadboard nulla il relè non commuta più con il cambio di luce sembra che la tensione sul collettore del transistor (che prima del disastro veniva isolata) continui sempre ad arrivare sul terminale del relè
0
voti
Ma in realtà il famoso schema del post [4] prevedeva oltre al fusibile, anche il diodo D2 proprio per impedire di invertire i poli.... Evidentemente hai fatto delle semplificazioni, e ora sei in una spiacevole situazione.
Il consiglio che posso darti è di non saldare direttamente l'integrato, ma di prevedere uno zoccolo per facilitarti eventuali sostituzioni.
Altro suggerimento sarebbe testare via via la catena dei componenti prima di terminare le saldature: prima verificando che il partitore con la fotoresistenza lavori a dovere, poi che l'integrato commuti come desiderato, poi che il transistor attivi correttamente il rele' di conseguenza, infine collegando il motore e verificando che giri nel verso corretto... e infine inserendo i finecorsa.
Ora invece le verifiche sui componenti, che potrebbero essere rotti, ma che sono gia' saldati nello schema, diventa cosa un po' piu' da esperti e diventa complesso procedere. Probabilmente visti i minimi costi del circuito fai prima a cambiare i pezzi che pensi siano danneggiati.
Il consiglio che posso darti è di non saldare direttamente l'integrato, ma di prevedere uno zoccolo per facilitarti eventuali sostituzioni.
Altro suggerimento sarebbe testare via via la catena dei componenti prima di terminare le saldature: prima verificando che il partitore con la fotoresistenza lavori a dovere, poi che l'integrato commuti come desiderato, poi che il transistor attivi correttamente il rele' di conseguenza, infine collegando il motore e verificando che giri nel verso corretto... e infine inserendo i finecorsa.
Ora invece le verifiche sui componenti, che potrebbero essere rotti, ma che sono gia' saldati nello schema, diventa cosa un po' piu' da esperti e diventa complesso procedere. Probabilmente visti i minimi costi del circuito fai prima a cambiare i pezzi che pensi siano danneggiati.
0
voti
Vorrei cominciare con il ringraziare l'intero forum che con pazienza, educazione e tanta passione aiuta i meno esperti rendendo possibile dei lavori che senza consigli risulterebbe impossibile, quindi di nuovo grazie per il magnifico lavoro su questo forum e la voglia di condividere.
Poi in particolare un grazie a chi mi ha aiutato in questi giorni con i miei mille dubbi e domande, grazie.
Tornando a noi ho scoperto che l integrato ad essersi rotto il resto va, fortunatamente ne avevo di scorta, ora vedo di sistemare tutto sulla mille fori dopodiché vi aggiorno, sperando di non incorrere in altri problemi.
Ps io D1 l'ho messo ma praticamente bloccherebbe solo il Polo positivo in caso di polarità invertita perché come si vede in foto nel post 101 è inserito prima del trimmer Ad inizio circuito.
Poi in particolare un grazie a chi mi ha aiutato in questi giorni con i miei mille dubbi e domande, grazie.
Tornando a noi ho scoperto che l integrato ad essersi rotto il resto va, fortunatamente ne avevo di scorta, ora vedo di sistemare tutto sulla mille fori dopodiché vi aggiorno, sperando di non incorrere in altri problemi.
Ps io D1 l'ho messo ma praticamente bloccherebbe solo il Polo positivo in caso di polarità invertita perché come si vede in foto nel post 101 è inserito prima del trimmer Ad inizio circuito.
1
voti
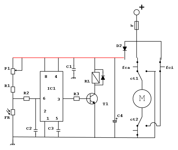
Forse ti inganna come è disegnato lo schema del post [4].... provo ad evidenziarti la situazione ridisegnandoti lo schema leggermente "meglio".
come vedi l'integrato e la fotoresistenza non dipendono direttamente dal terminale +, ma dal terminale di uscita del diodo. Come vedi quindi il nodo in rosso non deve essere collegato direttamente alla pista + della breadbord, altrimenti perdi la protezione.
come vedi l'integrato e la fotoresistenza non dipendono direttamente dal terminale +, ma dal terminale di uscita del diodo. Come vedi quindi il nodo in rosso non deve essere collegato direttamente alla pista + della breadbord, altrimenti perdi la protezione.
0
voti
Grazie ho fatto dei piccoli spostamenti (Avevo messo il relè sul Polo +) ora è tutto sotto D1 sembra funzionare tutto anche sul mille fori domani farò altri test. Grazie ancora
Chi c’è in linea
Visitano il forum: Nessuno e 6 ospiti

Elettrotecnica e non solo (admin)
Un gatto tra gli elettroni (IsidoroKZ)
Esperienza e simulazioni (g.schgor)
Moleskine di un idraulico (RenzoDF)
Il Blog di ElectroYou (webmaster)
Idee microcontrollate (TardoFreak)
PICcoli grandi PICMicro (Paolino)
Il blog elettrico di carloc (carloc)
DirtEYblooog (dirtydeeds)
Di tutto... un po' (jordan20)
AK47 (lillo)
Esperienze elettroniche (marco438)
Telecomunicazioni musicali (clavicordo)
Automazione ed Elettronica (gustavo)
Direttive per la sicurezza (ErnestoCappelletti)
EYnfo dall'Alaska (mir)
Apriamo il quadro! (attilio)
H7-25 (asdf)
Passione Elettrica (massimob)
Elettroni a spasso (guidob)
Bloguerra (guerra)



