Cos'è ElectroYou | Login Iscriviti

ElectroYou - la comunità dei professionisti del mondo elettrico

Rumore su 5V Arduino

Elettronica lineare e digitale: didattica ed applicazioni

Moderatori: Foto Utentecarloc, Foto Utenteg.schgor, Foto UtenteBrunoValente, Foto UtenteIsidoroKZ

0
voti

[31] Re: Rumore su 5 V Arduino

Messaggioda Foto Utentefgiorgio90 » 14 mar 2015, 1:15

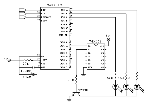
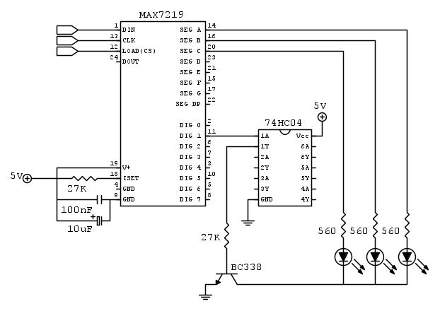
claudiocedrone ha scritto::-) Non capisco nello schema... i terminali 4 e 9 (GND) del MAX7219 disaccoppiati dal riferimento con un parallelo di condensatori (elettrolitico 10 uF e plastico 100 nF) ? :? O_/


un errore nello schema postato, il regolatore era distante dal MAX7219 così ho posto quei condensatori come filtri sull'alimentazione. Il terminale positivo dell'elettrolitico e il suo parallelo vanno collegati sul pin 19 del MAX7219, quanto piu vicini possibile.
Avatar utente
Foto Utentefgiorgio90
15 6
Frequentatore
Frequentatore
 
Messaggi: 118
Iscritto il: 14 dic 2012, 0:54

0
voti

[32] Re: Rumore su 5 V Arduino

Messaggioda Foto Utenteclaudiocedrone » 14 mar 2015, 1:22

:-) Ah, ecco. O_/
"Non farei mai parte di un club che accettasse la mia iscrizione" (G. Marx)
Avatar utente
Foto Utenteclaudiocedrone
21,3k 4 7 9
Master EY
Master EY
 
Messaggi: 15302
Iscritto il: 18 gen 2012, 13:36

0
voti

[33] Re: Rumore su 5 V Arduino

Messaggioda Foto Utentesimo85 » 14 mar 2015, 4:10

Monta un alimentatore lineare e risolvi. Oppure un alimentatore da parete che solitamente li vendono per essere funzionali. :mrgreen:
Avatar utente
Foto Utentesimo85
30,9k 7 12 13
Disattivato su sua richiesta
 
Messaggi: 9927
Iscritto il: 30 ago 2010, 4:59

0
voti

[34] Re: Rumore su 5 V Arduino

Messaggioda Foto Utentefgiorgio90 » 14 mar 2015, 10:03

simo85 ha scritto:Monta un alimentatore lineare e risolvi. Oppure un alimentatore da parete che solitamente li vendono per essere funzionali. :mrgreen:


Ok allora vedo se recupero qualche modulo lineare di alimentazione dalle schede riciclate di apparecchi smantellati che ho, una domanda però mi sorge spontanea: ormai quasi tutte le apparecchiature funzionano con alimentatori switching, persino i notebook che sono strumenti ben più complessi e delicati del mio progettino, com'è possibile che io debba usare un alimentatore lineare, e invece loro no?
Avatar utente
Foto Utentefgiorgio90
15 6
Frequentatore
Frequentatore
 
Messaggi: 118
Iscritto il: 14 dic 2012, 0:54

2
voti

[35] Re: Rumore su 5 V Arduino

Messaggioda Foto Utenteangel99 » 14 mar 2015, 10:35

Un paio di considerazioni.

Siamo sicuri che quei disturbi ci siano davvero? E' molto facile prendere fischi per fiaschi in questo tipo di misure. Basta collegare il coccodrillo della sonda in un punto diverso del circuito, anche se elettricamente comune, e si ottengono risultati diversi. Molto spesso questi tracciati sono artefatti del sistema di misura. Anche se può sembrare la misura più semplice, osservare la tensione di alimentazione è una delle misure più difficili.

Attenzione con i filtri LC. La maggior parte delle volte è una pessima idea. Se non sono calcolati e verificati con estrema attenzione, sono sempre una pessima idea. Un circuito LC risuona e se eccitato con il rumore in uscita da uno switching combina veri e propri disastri.
Avatar utente
Foto Utenteangel99
3.516 1 5 11
Master
Master
 
Messaggi: 1148
Iscritto il: 23 gen 2015, 19:39

0
voti

[36] Re: Rumore su 5 V Arduino

Messaggioda Foto Utentesimo85 » 14 mar 2015, 13:06

simo85 ha scritto:Monta un alimentatore lineare e risolvi.

Questa notte ero troppo sicuro di me stesso quando ho scritto ció.
Avatar utente
Foto Utentesimo85
30,9k 7 12 13
Disattivato su sua richiesta
 
Messaggi: 9927
Iscritto il: 30 ago 2010, 4:59

1
voti

[37] Re: Rumore su 5 V Arduino

Messaggioda Foto Utenteclaudiocedrone » 14 mar 2015, 13:20

:-) Straquoto Foto Utenteangel99; ed è importante il layout del circuito, la disposizione dei collegamenti al riferimento (non solo in fase di misura), il percorso della linea di alimentazione (sempre di layout si tratta) le aree circoscritte da conduttori e piste di alimentazione etc.; le induttanze "parassite" pronte a generare circuiti risonanti con le varie capacità per fare casino si celano nei punti apparentemente più impensati :mrgreen: ; tale discorso è stato affrontato in alcuni thread da Foto Utentebrabus p. es., e da Foto UtenteIsidoroKZ per quanto riguarda il "classico" parallelamento di condensatori elettrolitici e plastici (o ceramici). O_/
"Non farei mai parte di un club che accettasse la mia iscrizione" (G. Marx)
Avatar utente
Foto Utenteclaudiocedrone
21,3k 4 7 9
Master EY
Master EY
 
Messaggi: 15302
Iscritto il: 18 gen 2012, 13:36

1
voti

[38] Re: Rumore su 5 V Arduino

Messaggioda Foto Utentemarco438 » 14 mar 2015, 13:28

Concordo con quanto detto in precedenza ma, dalla descrizione del difetto e come gia' stato fatto notare (mi pare da Foto Utenteposta10100), non credo che il fatto dipenda dal tipo di alimentazione.
Credo che l'OP pertanto, debba rivolgere la sua attenzione verso altre problematiche che portano all'anomalia.
marco
Avatar utente
Foto Utentemarco438
37,1k 7 11 13
-EY Legend-
-EY Legend-
 
Messaggi: 16323
Iscritto il: 24 mar 2010, 15:09
Località: Versilia

0
voti

[39] Re: Rumore su 5 V Arduino

Messaggioda Foto Utentefgiorgio90 » 14 mar 2015, 21:26

Piccolo aggiornamento, stavo facendo altre prove e mi è successa una cosa strana.

Volevo provare ad utilizzare l'alimentazione dai 5V di Arduino, prendendola a sua volta dall'USB del mio portatile che mi sembrava molto stabile. In effetti collegato il MAX7219 sembrava non esserci più alcun disturbo, allora fiducioso collego la restante parte del mio circuito di test per verificare se i led presentassero ancora il problema. Ovviamente si, il problema persiste, e sull'alimentazione sono ricomparsi i disturbi, ma ....c'è un ma.



Prendendo 3 led a caso ho notato che su uno di questi il problema non si presentava, allora provo il led nel caso fosse bruciato e invece funziona benissimo, allora provo i collegamenti, le resistenze, tento alcuni spostamenti e controlli incrociati. Morale della favola: laddove posiziono questo led (al posto degli altri) questo non presenta il problema oggetto del topic. Allora approfondisco la questione misurando prima la situazione sui led che presentano il problema, e successivamente su quest'ultimo, e vien fuori che proprio su questo sembra tutto funzionare correttamente.

Misuro con una sonda l'anodo del led (traccia gialla), con l'altra il catodo del led (traccia azzurra), e poi effettuo una operazione A-B per misurare la caduta di tensione sul led (traccia viola).

Come vedete sui led dove il problema persiste ho una tensione sul catodo (collettore del BC338) di circa 2.8V, quindi la caduta di tensione sul led è di circa 1.9V, quanto basta per accenderlo (ma dovrebbe essere spento!!!).

Invece sul led che funziona correttamente, la tensione sul catodo (collettore del BC338) di circa 5V, e di conseguenza la caduta di tensione sul led è 0, led spento (per davvero).

Considerando quindi che, scambiando i led tra loro la situazione non cambia, ovvero è sempre lo stesso led a funzionare correttamente, che siano i led ad avere problemi (considerando anche che su una decina testati 1 solo sembra funzionare correttamente) ???
Allegati
NewFile1.png
NewFile1.png (3.18 KiB) Osservato 5317 volte
NewFile0.png
NewFile0.png (3.2 KiB) Osservato 5317 volte
Avatar utente
Foto Utentefgiorgio90
15 6
Frequentatore
Frequentatore
 
Messaggi: 118
Iscritto il: 14 dic 2012, 0:54

0
voti

[40] Re: Rumore su 5 V Arduino

Messaggioda Foto UtenteIsidoroKZ » 14 mar 2015, 21:45

Hai collegato a ground (o al positivo) gli ingressi del 74HC04 che non vengono usati? Perche' devi invertire un segnale con un inverter? Puoi farlo quasi di sicuro dentro al micro. E la resistenza da 27kohm mi sembra un po' alta.
Per usare proficuamente un simulatore, bisogna sapere molta più elettronica di lui
Plug it in - it works better!
Il 555 sta all'elettronica come Arduino all'informatica! (entrambi loro malgrado)
Se volete risposte rispondete a tutte le mie domande
Avatar utente
Foto UtenteIsidoroKZ
121,2k 1 3 8
G.Master EY
G.Master EY
 
Messaggi: 21059
Iscritto il: 17 ott 2009, 0:00

PrecedenteProssimo

Torna a Elettronica generale

Chi c’è in linea

Visitano il forum: Nessuno e 78 ospiti