Cos'è ElectroYou | Login Iscriviti

ElectroYou - la comunità dei professionisti del mondo elettrico

Rumore su 5V Arduino

Elettronica lineare e digitale: didattica ed applicazioni

Moderatori: Foto Utentecarloc, Foto Utenteg.schgor, Foto UtenteBrunoValente, Foto UtenteIsidoroKZ

0
voti

[41] Re: Rumore su 5 V Arduino

Messaggioda Foto Utentefgiorgio90 » 14 mar 2015, 22:15

IsidoroKZ ha scritto:Hai collegato a ground (o al positivo) gli ingressi del 74HC04 che non vengono usati? Perche' devi invertire un segnale con un inverter? Puoi farlo quasi di sicuro dentro al micro. E la resistenza da 27kohm mi sembra un po' alta.


No non l'ho fatto, in quanto da alcune prove fatte non vi era alcuna differenza (e comunque non influisce sulle considerazioni fatte nel precedente post). Da quel che ho potuto leggere il MAX7219 non prevede l'inversione dei digit. Forse la resistenza da 27K è un po' alta, ma stando al datasheet del MAX e alle caratteristiche dei led, se non siamo sui 27K saranno 25-26K. Ogni led porta 2.22V circa su 20mA.
Avatar utente
Foto Utentefgiorgio90
15 6
Frequentatore
Frequentatore
 
Messaggi: 118
Iscritto il: 14 dic 2012, 0:54

0
voti

[42] Re: Rumore su 5 V Arduino

Messaggioda Foto Utenteclaudiocedrone » 15 mar 2015, 1:28

:-) Invece devi farlo (non lasciare flottanti gli ingressi non utilizzati) anche se da alcune prove fatte non cambiava niente, perché i pur avendo livelli logici TTL i 74HCxx sono pur sempre CMOS e come tali vanno trattati. O_/
"Non farei mai parte di un club che accettasse la mia iscrizione" (G. Marx)
Avatar utente
Foto Utenteclaudiocedrone
21,3k 4 7 9
Master EY
Master EY
 
Messaggi: 15302
Iscritto il: 18 gen 2012, 13:36

2
voti

[43] Re: Rumore su 5 V Arduino

Messaggioda Foto UtenteIsidoroKZ » 15 mar 2015, 1:33

In qualche caso gli ingressi aperti fanno tanto casino, vale la pena di fare le cose per bene anche sui prototipi. Stessa cosa per la resistenza di base, perche' non metterla subito ragionevole?

Al posto di pensare di avere un led buono e una decina con dei problemi, potrebbe essere il contrario e anche il 7219 potrebbe non fare bene il suo lavoro. Sempre che non ci siano problemi sulla basetta.

Se hai del leakage in uscita dall'integrato e uno dei led ha delle perdite, questo non si accende, mentre gli altri, migliori, si accendono.

Dato che l'integrato puo` fare sink di correnti elevate, prova a collegare direttamente i led all'integrato, e dato che questo regola la corrente di uscita, non mettere neanche le resistenze di uscita da 560ohm: collega direttamente i tre led sull'integrato. Se hai ancora l'accensione spuria, metti una resistenza da 5kohm in parallelo ai led che si accendono e vedi che cosa capita.

Per usare proficuamente un simulatore, bisogna sapere molta più elettronica di lui
Plug it in - it works better!
Il 555 sta all'elettronica come Arduino all'informatica! (entrambi loro malgrado)
Se volete risposte rispondete a tutte le mie domande
Avatar utente
Foto UtenteIsidoroKZ
121,2k 1 3 8
G.Master EY
G.Master EY
 
Messaggi: 21059
Iscritto il: 17 ott 2009, 0:00

0
voti

[44] Re: Rumore su 5 V Arduino

Messaggioda Foto Utentefgiorgio90 » 15 mar 2015, 12:24

Buongiorno a tutti e buona domenica

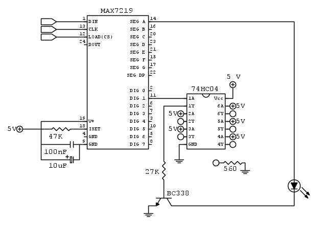
avete ragione e per questo stamattina ho seguito i vostri consigli, dunque ho posto tutti gli ingressi del 74HC04 a 5V (a dire il vero ho provato anche mettendole a massa) e le relative uscite a massa attraverso delle resistenze.
Poi ho eliminato le resistenze da 560 sugli anodi dei led, che ora sono collegati direttamente al MAX.

Ho provato anche con una resistenza in parallelo da 5K sui led che presentavano il problema, non cambia nulla.

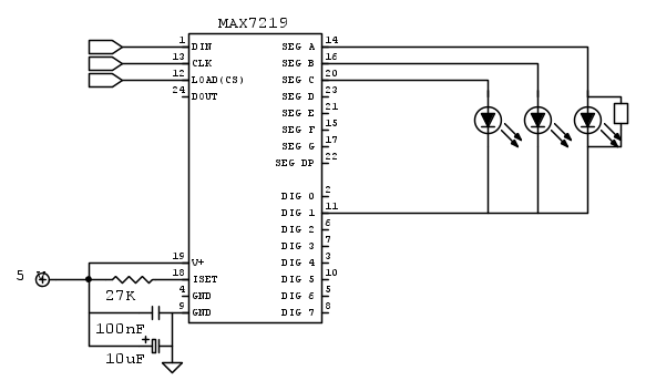
Per quanto riguarda la Rset, seguendo le indicazioni del datasheet pag. 10-11, e misurando sul led una caduta di tensione di 2V a fronte di una corrente di circa 5.8mA, dovrei usare una resistenza addirittura superiore a quella che usavo (usavo 47K, non 27K come scritto precedentemente, scusate).

Inoltre, ho testato circa 50 led dello stesso tipo di quelli utilizzati, e qualcuno di altro tipo. L'unico a non presentare il problema è quello testato la scorsa volta, quindi vien da se che l'unico led a funzionare correttamente in realtà era quello difettoso (che ho sostituito).

Ho testato anche 3 MAX7219 diversi (a proposito, i led con il solo MAX, senza 74HC04 e BC338 funzionano correttamente).

A fronte di queste considerazioni, considerato anche che il problema continua a presentarsi se riduco il numero di led da 3 a 1 singolo, il circuito attuale è il seguente, e ovviamente il problema persiste:

Avatar utente
Foto Utentefgiorgio90
15 6
Frequentatore
Frequentatore
 
Messaggi: 118
Iscritto il: 14 dic 2012, 0:54

2
voti

[45] Re: Rumore su 5 V Arduino

Messaggioda Foto UtenteIsidoroKZ » 15 mar 2015, 15:18

fgiorgio90 ha scritto: (a proposito, i LED con il solo MAX, senza 74HC04 e BC338 funzionano correttamente).

E quindi c'è un problema di pilotaggio duro, dovuto probabilmente al ritardo nello spegnimento del BC338, e suppongo ci sia anche il pilotaggio alla massima intensità che accorcia i tempi disponibili per lo spegnimento. Perché voglia usare un buffer esterno lo sai solo tu :-), dato che l'integrato pilota tutta la corrente che può servire per applicazioni standard.

Eviterei tutti i driver esterni. Se proprio li vuoi usare, devono essere veloci. Se vuoi proprio usare un bipolare, che non serve, acceleralo!

Quando dicevo che la resistenza da 27kohm è non è ragionevole, mi riferivo a quella di base del transistore.
Per usare proficuamente un simulatore, bisogna sapere molta più elettronica di lui
Plug it in - it works better!
Il 555 sta all'elettronica come Arduino all'informatica! (entrambi loro malgrado)
Se volete risposte rispondete a tutte le mie domande
Avatar utente
Foto UtenteIsidoroKZ
121,2k 1 3 8
G.Master EY
G.Master EY
 
Messaggi: 21059
Iscritto il: 17 ott 2009, 0:00

0
voti

[46] Re: Rumore su 5 V Arduino

Messaggioda Foto Utentefgiorgio90 » 15 mar 2015, 15:47

Il motivo di tutto questo è spiegato in uno dei primi post, che potrei riassumere in questo progetto che è quasi identico al mio

http://embedded-lab.com/blog/?p=7628

Secondo me non è un problema di tempi, il MAX lavora a circa 800Hz, l'ULN2003 aveva dei tempi di propagazione di max 1uS, il BC338 non ne ho idea ma dalle misurazioni effettuate precedentemente si nota chiaramente che il led rimane acceso per tutto il tempo dell'onda positiva. Ri-allego lo screen per chiarezza, dove si vede tensione sull'anodo del led (giallo), sul catodo del led (azzurro), e quindi caduta di tensione sul led (viola).

Credo che il problema stia nel fatto che il BC338 non è completamente OFF, se lo fosse avrei dovuto avere una tensione sul collettore (in azzurro) superiore, e quindi una caduta di tensione sul led nulla.

Quando dicevo che la resistenza da 27kohm è non è ragionevole, mi riferivo a quella di base del transistore.


Ah ecco avevo capito male, ho provato a variare anche la resisteza sulla base del BC338, praticamente non cambia nulla :(
Allegati
NewFile0.png
NewFile0.png (3.2 KiB) Osservato 5853 volte
Avatar utente
Foto Utentefgiorgio90
15 6
Frequentatore
Frequentatore
 
Messaggi: 118
Iscritto il: 14 dic 2012, 0:54

0
voti

[47] Re: Rumore su 5 V Arduino

Messaggioda Foto UtenteIsidoroKZ » 15 mar 2015, 15:51

Prova ad accelerare la commutazione, poi vediamo.
Per usare proficuamente un simulatore, bisogna sapere molta più elettronica di lui
Plug it in - it works better!
Il 555 sta all'elettronica come Arduino all'informatica! (entrambi loro malgrado)
Se volete risposte rispondete a tutte le mie domande
Avatar utente
Foto UtenteIsidoroKZ
121,2k 1 3 8
G.Master EY
G.Master EY
 
Messaggi: 21059
Iscritto il: 17 ott 2009, 0:00

0
voti

[48] Re: Rumore su 5 V Arduino

Messaggioda Foto Utentedaniele1996 » 15 mar 2015, 22:30

Mi è saltato in mente un vecchio problema agli impianti audio: se non è collegato il filo di terra, c'è un ronzio a dir poco fastidioso,potrebbe essere lo stesso problema dal quale scaturisce questo disgustoso risultato?
Avatar utente
Foto Utentedaniele1996
610 3 8 11
Sostenitore
Sostenitore
 
Messaggi: 1554
Iscritto il: 29 ago 2011, 11:29

1
voti

[49] Re: Rumore su 5 V Arduino

Messaggioda Foto UtenteIsidoroKZ » 15 mar 2015, 23:24

Quello è un circuito digitale, rumori differenziali di 1V non gli fanno nulla. Al più ci potrebbero essere problemi di ground bounce su una basetta, ma non credo. Probabilmente con un condensatore di accelerazione si dovrebbero vedere delle differenze.
Per usare proficuamente un simulatore, bisogna sapere molta più elettronica di lui
Plug it in - it works better!
Il 555 sta all'elettronica come Arduino all'informatica! (entrambi loro malgrado)
Se volete risposte rispondete a tutte le mie domande
Avatar utente
Foto UtenteIsidoroKZ
121,2k 1 3 8
G.Master EY
G.Master EY
 
Messaggi: 21059
Iscritto il: 17 ott 2009, 0:00

0
voti

[50] Re: Rumore su 5 V Arduino

Messaggioda Foto Utentefgiorgio90 » 16 mar 2015, 17:27

IsidoroKZ ha scritto:Quello è un circuito digitale, rumori differenziali di 1V non gli fanno nulla. Al più ci potrebbero essere problemi di ground bounce su una basetta, ma non credo. Probabilmente con un condensatore di accelerazione si dovrebbero vedere delle differenze.


Tentar non nuoce, sarebbe il cosiddetto speed-up capacitor, ma come faccio a calcolarne il valore?

Inoltre mi stava venendo un dubbio, non è che sono le caratteristiche del BC338 a crearmi questa piccola Ic anche con Ib bassa? Se provassi a sostituire con un BC548? L'ho visto in alcuni schemi pilotare dei led, ma magari sto dicendo una fesseria.
Avatar utente
Foto Utentefgiorgio90
15 6
Frequentatore
Frequentatore
 
Messaggi: 118
Iscritto il: 14 dic 2012, 0:54

PrecedenteProssimo

Torna a Elettronica generale

Chi c’è in linea

Visitano il forum: Majestic-12 [Bot] e 146 ospiti