Ed eccomi ancora qua ad esporre i miei problemi!
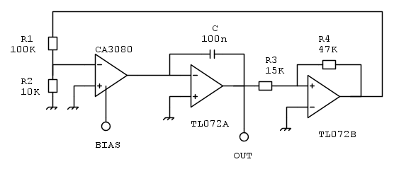
Il caso questa volta è un pezzo di un VCO di un synth:
In pratica è l'oscillatore vero e proprio: la corrente esponenziale entra nel piedino BIAS del 3080 e dall' integratore esce l'onda triangolare. Il problema è che nemmeno nella simulazione col multisim il circuito funziona, ne mettendo un generatore di corrente nemmeno mettendo il circuito a monte, non so più come fare!!!!
Qualcuno può darmi una mano a capire in fondo il funzionamento e spiegarmi perché non mi funziona?
Grazie dell eventuali risposte.
Problema VCO
Moderatori:
carloc,
g.schgor,
BrunoValente,
IsidoroKZ
0
voti
[2] Re: Problema VCO
non se se hai dato un occhiata all'application note
http://www.intersil.com/content/dam/Intersil/documents/an66/an6668.pdf
Non avendolo mai visto non è che posso dirti più di tanto, ma mi pongo alcune domande.
Che tipo di segnale hai sul tuo "bias", parli di esponenziale.
E' un segnale DC, controllato da potenziometro od altro? questo segnale deve avere impedenza molto elevata, mi pare, quindi diventa segnale in corrente, quale impedenza hai a monte del bias?
saluti.
http://www.intersil.com/content/dam/Intersil/documents/an66/an6668.pdf
Non avendolo mai visto non è che posso dirti più di tanto, ma mi pongo alcune domande.
Che tipo di segnale hai sul tuo "bias", parli di esponenziale.
E' un segnale DC, controllato da potenziometro od altro? questo segnale deve avere impedenza molto elevata, mi pare, quindi diventa segnale in corrente, quale impedenza hai a monte del bias?
saluti.
-

lelerelele
4.899 3 7 9 - Master

- Messaggi: 5505
- Iscritto il: 8 giu 2011, 8:57
- Località: Reggio Emilia
2
voti
[3] Re: Problema VCO
E' un segnale DC, controllato da potenziometro od altro?
Visto che parla di un sintetizzatore, esponenziale è la caratteristica del controllo tensione/frequenza.
Lo standard piú diffuso richiede una conversione di 1V/ottava, con il La centrale (440 Hz) a 4 V. Di conseguenza a 3 V ci sarà il La3 (220 Hz).
Il sistema si chiama CV/gate.
L'impedenza d'uscita è bassa.
L'OP avrebbe potuto dare piú dettagli
Ciao Boiler
0
voti
[4] Re: Problema VCO
Esatto, il segnale arriva diretto dal collettore di un transistor che funge da convertitore tensione-> corrente esponenziale (ovviamente è tutto compensato) e avendo una vaga (forse troppo) idea dei transistor non posso dire se l'impedenza sia alta o bassa. Però so che, dalla simulazione, la tensione su BIAS è di -13V circa, mentre la Vee è di -15V, quindi il "transistor di boost" dovrebbe funzionare...
4
voti
[5] Re: Problema VCO
Arrow ha scritto:..Qualcuno può darmi una mano a capire in fondo il funzionamento e spiegarmi perché non mi funziona?
Mi pare siano invertiti gli ingressi dell'OTA.
-

BrunoValente
39,6k 7 11 13 - G.Master EY

- Messaggi: 7796
- Iscritto il: 8 mag 2007, 14:48
0
voti
[6] Re: Problema VCO
Arrow ha scritto:Esatto, il segnale arriva diretto dal collettore di un transistor che funge da convertitore tensione-> corrente esponenziale
quindi penso sia d'obbligo che abbia una resistenza di enmettitore "molto" alta, superiore ad i 10 kohm direi. E' così?
saluti.
-

lelerelele
4.899 3 7 9 - Master

- Messaggi: 5505
- Iscritto il: 8 giu 2011, 8:57
- Località: Reggio Emilia
0
voti
[7] Re: Problema VCO
Scusate se non ho risposto ma avevo fatto il logout senza ricordarmene....
posto il link del circuito così rispondo a tutti e due in una sola botta
http://www.birthofasynth.com/Thomas_Henry/pdf/VCO-1/vco1_schem1.pdf
la resistenza di emettitore penso che sia quella da 22k + 100k (il trimmer) (?)
Gli ingressi dell'OTA non sono invertiti....
posto il link del circuito così rispondo a tutti e due in una sola botta
http://www.birthofasynth.com/Thomas_Henry/pdf/VCO-1/vco1_schem1.pdf
la resistenza di emettitore penso che sia quella da 22k + 100k (il trimmer) (?)
Gli ingressi dell'OTA non sono invertiti....
0
voti
[8] Re: Problema VCO
credo che per trovare il motivo del non funzionamento ci sia da partire leggendo tutte le tensioni di polarizzazione, e poi magari anche i segnali sul circuito, in questo modo verifichi punto per punto cosa c'è, se poi posti i risultati sullo schema sarà più facile trovare il problema.
saluti.
saluti.
-

lelerelele
4.899 3 7 9 - Master

- Messaggi: 5505
- Iscritto il: 8 giu 2011, 8:57
- Località: Reggio Emilia
1
voti
[9] Re: Problema VCO
Ciao,
ho ridisegnato il circuito, compreso l'OTA a componenti discreti, e il tutto funziona, ma considera che ci sono maniere più semplici ed eleganti per realizzare i VCO.
Questo mi sembra il peggiore di tutti.
Invece di copiare i circuiti degli altri, sforzati ad imparare a capire come funziona la logica di base dei VCO, e prova a inventarne tu, vedrai che dopo molte prove riuscirai a trovare la giusta strada.
Qui il Circuito:
Qui puoi vedere la simulazione:
ho ridisegnato il circuito, compreso l'OTA a componenti discreti, e il tutto funziona, ma considera che ci sono maniere più semplici ed eleganti per realizzare i VCO.
Questo mi sembra il peggiore di tutti.
Invece di copiare i circuiti degli altri, sforzati ad imparare a capire come funziona la logica di base dei VCO, e prova a inventarne tu, vedrai che dopo molte prove riuscirai a trovare la giusta strada.
Qui il Circuito:
Qui puoi vedere la simulazione:
-

Micrologus
55 2 - New entry

- Messaggi: 94
- Iscritto il: 9 feb 2015, 17:29
4
voti
[10] Re: Problema VCO
Arrow ha scritto:Gli ingressi dell'OTA non sono invertiti....
Sei proprio sicuro?
Nello schema originale c'è un'inversione rispetto al tuo ma non nell'OTA..vediamo se la trovi
-

BrunoValente
39,6k 7 11 13 - G.Master EY

- Messaggi: 7796
- Iscritto il: 8 mag 2007, 14:48
Chi c’è in linea
Visitano il forum: Nessuno e 29 ospiti

Elettrotecnica e non solo (admin)
Un gatto tra gli elettroni (IsidoroKZ)
Esperienza e simulazioni (g.schgor)
Moleskine di un idraulico (RenzoDF)
Il Blog di ElectroYou (webmaster)
Idee microcontrollate (TardoFreak)
PICcoli grandi PICMicro (Paolino)
Il blog elettrico di carloc (carloc)
DirtEYblooog (dirtydeeds)
Di tutto... un po' (jordan20)
AK47 (lillo)
Esperienze elettroniche (marco438)
Telecomunicazioni musicali (clavicordo)
Automazione ed Elettronica (gustavo)
Direttive per la sicurezza (ErnestoCappelletti)
EYnfo dall'Alaska (mir)
Apriamo il quadro! (attilio)
H7-25 (asdf)
Passione Elettrica (massimob)
Elettroni a spasso (guidob)
Bloguerra (guerra)


