Salve a tutti,
premesso (di nuovo per chi non ha letto il mio vecchio argomento) che l'elettronica e l'elettrotecnica non sono il mio pane quotidiano...
devo riscaldare e raffreddare ciclicamente un oggetto per un test sperimentale.
In sostanza voglio una rampa di riscaldamento (da 50°C a 100°C) ed una di raffreddamento (da 100°C a 50°C), e ripetere il ciclo per qualche migliaio di volte.
Il riscaldamento dell'oggetto avviene per effetto Joule, dove l'interruzione della corrente è controllata da un relè. Il raffreddamente avviene tramite ventola, azionata tramite un altro relè.
Ora...so che esistono i termoregolatori industriali, ma a fronte di vari consulti con i tecnici dei fornitori mi pare di capire che non siano stati creati per questo scopo...infatti per ora sono riuscito a trovarne solo uno che riesce a ripetere il ciclo, ma solo per 999 volte.
Non è che non esistano...ma i regolatori capaci di farlo hanno in realtà tutta una serie di altre funzionalità per le quali non sono minimamente interessato, ma che portano i costi fuori budget.
Sto quindi provando a scervellarmi se con un paio di termostati (funzionanti in modo inverso, ovvero da riscaldamento e da raffreddamento) e con un po' di relè riesco ad ottenere qualcosa che vada avanti da solo fino a che non intervengo dall'esterno.
...visto che per ora non ce ne levo le gambe... qualcuno sa darmi qualche consiglio?
sto forse perdendo tempo inutilmente perché la cosa non è fattibile?
Ciao
Regolatore di temperatura ciclico fai da te
23 messaggi
• Pagina 1 di 3 • 1, 2, 3
0
voti
1
voti
Di che dimensioni è l'oggetto da riscaldare?
Come misuri la temperatura, ovvero hai modo di appoggiare o inserire una sonda?
I 50 e 100°C sono da misurare precisamente oppure valori indicativi?
Per me ti conviene individuare prima i sensori di temperatura adatti e poi appoggiarti ad un relé programmabile tipo il Logo della Siemens o altro. Sono dispositivi che costano il giusto (sui 100-150€) e li programmi tramite il computer.
A livello di logica avresti già tutto quello che ti serve, relé d'uscita, ingressi analogici per potergli magari collegare un LM35 come sensore di temperatura, contatore per il numero di cicli e tanto altro che magari ti viene in mente strada facendo.
Ci vuole un po' di pazienza per imparare ad usarli ma sono molto comodi.
Come misuri la temperatura, ovvero hai modo di appoggiare o inserire una sonda?
I 50 e 100°C sono da misurare precisamente oppure valori indicativi?
Per me ti conviene individuare prima i sensori di temperatura adatti e poi appoggiarti ad un relé programmabile tipo il Logo della Siemens o altro. Sono dispositivi che costano il giusto (sui 100-150€) e li programmi tramite il computer.
A livello di logica avresti già tutto quello che ti serve, relé d'uscita, ingressi analogici per potergli magari collegare un LM35 come sensore di temperatura, contatore per il numero di cicli e tanto altro che magari ti viene in mente strada facendo.
Ci vuole un po' di pazienza per imparare ad usarli ma sono molto comodi.
1
voti
Sì, con due semplici termostati (da 100° e 50°) dovresti farcela.
(se questi non hanno contatti di scambio, puoi sempre rimediare
con relè).
Dovresti precisare il tipo di termostati che intendi utilizzare.
(se questi non hanno contatti di scambio, puoi sempre rimediare
con relè).
Dovresti precisare il tipo di termostati che intendi utilizzare.
1
voti
Il termostato per riscaldamento viene usato con il contatto NA, per climatizzare sul contatto NC, un relè esclude l'altro, i relè sono con 1 NC e 1 NA
Puoi collegare un contacicli in parallelo al ventilatore se serve.
3
voti
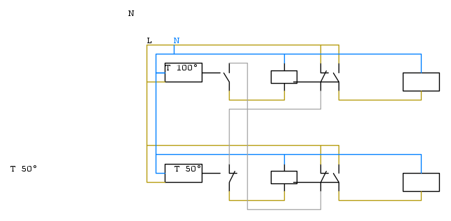
Dovrebbero bastare 2 relè (con doppi contatti di scambio)
Cons è un interruttore di consenso ciclo (aprendolo si interrompe il ciclo,
che però termina a fine raffreddamento).
T100 è un termostato che si apre per t>100°
T50 è un termostato che si chiude per t>50°
ComR è il relè di comando riscaldatore (col secondo contatto
comanda inserimento della resistenza riscaldante)
ComV è il relè di comando raffreddamento (col secondo contatto
comanda inserimento del ventilatore)
Cons è un interruttore di consenso ciclo (aprendolo si interrompe il ciclo,
che però termina a fine raffreddamento).
T100 è un termostato che si apre per t>100°
T50 è un termostato che si chiude per t>50°
ComR è il relè di comando riscaldatore (col secondo contatto
comanda inserimento della resistenza riscaldante)
ComV è il relè di comando raffreddamento (col secondo contatto
comanda inserimento del ventilatore)
0
voti
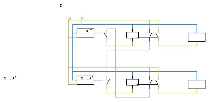
FrancoEY ha scritto:
Il termostato per riscaldamento viene usato con il contatto NA, per climatizzare sul contatto NC, un relè esclude l'altro, i relè sono con 1 NC e 1 NA
Puoi collegare un contacicli in parallelo al ventilatore se serve.
potresti indicarmi sul disegno i componenti?
perché così ho difficoltà a capire
Grazie comunque
ciao
0
voti
g.schgor ha scritto:Dovrebbero bastare 2 relè (con doppi contatti di scambio)
Cons è un interruttore di consenso ciclo (aprendolo si interrompe il ciclo,
che però termina a fine raffreddamento).
T100 è un termostato che si apre per t>100°
T50 è un termostato che si chiude per t>50°
ComR è il relè di comando riscaldatore (col secondo contatto
comanda inserimento della resistenza riscaldante)
ComV è il relè di comando raffreddamento (col secondo contatto
comanda inserimento del ventilatore)
Ma appena la t scende sotto 100°C il T100 non si chiude di nuovo riattivando il relè del riscaldatore? In questo modo come faccio ad arrivare a 50°C?
ciao e grazie per la risposta
0
voti
davidde ha scritto:Di che dimensioni è l'oggetto da riscaldare?
Come misuri la temperatura, ovvero hai modo di appoggiare o inserire una sonda?
I 50 e 100°C sono da misurare precisamente oppure valori indicativi?
Per me ti conviene individuare prima i sensori di temperatura adatti e poi appoggiarti ad un relé programmabile tipo il Logo della Siemens o altro. Sono dispositivi che costano il giusto (sui 100-150€) e li programmi tramite il computer.
A livello di logica avresti già tutto quello che ti serve, relé d'uscita, ingressi analogici per potergli magari collegare un LM35 come sensore di temperatura, contatore per il numero di cicli e tanto altro che magari ti viene in mente strada facendo.
Ci vuole un po' di pazienza per imparare ad usarli ma sono molto comodi.
La temperatura la misuro con termocoppia o termoresistenza. Non mi interessa il decimo di grado, ma una procesione al mezzo grado sarebbe auspicabile.
Prima di passare ad un plc però mi piacerebbe capire se sia possible arrangiarmi con componenti base.
Grazie per la risposta
0
voti
g.schgor ha scritto:Sì, con due semplici termostati (da 100° e 50°) dovresti farcela.
(se questi non hanno contatti di scambio, puoi sempre rimediare
con relè).
Dovresti precisare il tipo di termostati che intendi utilizzare.
i termostati che pensavo di utilizzare sono quelli digitali con temperatura impostabile da pannello.
ciao
0
voti
daitarn3 ha scritto:Ma appena la t scende sotto 100°C il T100 non si chiude di nuovo riattivando il relè del riscaldatore?
No, perché nel frattempo si è attirato ComV, aprendo il suo contatto NC.
daitarn3 ha scritto:i termostati che pensavo di utilizzare sono quelli digital
OK, ma volevo sapere se hanno in uscita un contatto doi scambio.
23 messaggi
• Pagina 1 di 3 • 1, 2, 3
Chi c’è in linea
Visitano il forum: Nessuno e 4 ospiti

Elettrotecnica e non solo (admin)
Un gatto tra gli elettroni (IsidoroKZ)
Esperienza e simulazioni (g.schgor)
Moleskine di un idraulico (RenzoDF)
Il Blog di ElectroYou (webmaster)
Idee microcontrollate (TardoFreak)
PICcoli grandi PICMicro (Paolino)
Il blog elettrico di carloc (carloc)
DirtEYblooog (dirtydeeds)
Di tutto... un po' (jordan20)
AK47 (lillo)
Esperienze elettroniche (marco438)
Telecomunicazioni musicali (clavicordo)
Automazione ed Elettronica (gustavo)
Direttive per la sicurezza (ErnestoCappelletti)
EYnfo dall'Alaska (mir)
Apriamo il quadro! (attilio)
H7-25 (asdf)
Passione Elettrica (massimob)
Elettroni a spasso (guidob)
Bloguerra (guerra)





