Cos'è ElectroYou | Login Iscriviti

ElectroYou - la comunità dei professionisti del mondo elettrico

Attenuazione e sfasamento di un filtro R-L

Elettronica lineare e digitale: didattica ed applicazioni

Moderatori: Foto Utentecarloc, Foto Utenteg.schgor, Foto UtenteBrunoValente, Foto UtenteIsidoroKZ

0
voti

[1] Attenuazione e sfasamento di un filtro R-L

Messaggioda Foto UtenteAngelusNero » 29 mar 2015, 16:24

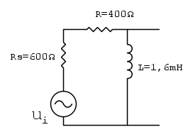
Durante l'interrogazione il professore mi ha fatto fare un esercizio già svolto dal libro che chiede di determinare l'attenuazione e lo sfasamento della tensione d'uscita per un filtro passa-alto alla frequenza di 50KHz.



ottenni l'attenuazione:

\frac{U_o}{U_i}=\frac{jwL}{R_s+R+jwL}

arrivato a questo punto, era mia intenzione sommare le due resistenze e dividere numeratore e denominatore per R ottenendo così:

\frac{U_o}{U_i}=\frac{jwL/R}{1+jwL/R}

ma il professore mi ferma e ritiene esatta la prima.

Per ottenere l'attenuazione con frequenza a 50Khz basta calcolarsi il limite con f che tende a 50Khz.

Arrivando allo sfasamento sono sorti i problemi. Decido di proseguire calcolando lo sfasamento dei singoli fattori:

\varphi_1=arctg\frac{jwL/R}{0}

arrivato al denominatore non sapevo come procedere, quindi mi mostra lui come fare:

\varphi_2=arctg\frac{jwL}{R_s+R}

infine è necessario effettuare al sottrazione e fare: \varphi_1-\varphi_2

Ciò che più non mi ha convinto e stato il calcolo del secondo sfasamento, mi sembrava opportuno sommare le due resistenze e poi proseguire dalla seconda relazione.

Invece il libro fa tutt'altro, calcola la frequenza di taglio del filtro:

f_1=\frac{R_eq}{2(\pi)L}

poi calcola il guadagno:

G=\frac{1}{\sqrt{1+(f_1/f)^2}}

e infine per lo sfasamento fa semplicemente:

\varphi=arctg\frac{f_1}{f}

Eseguendo il calcolo dello sfasamento da lui mostrato, ottengo comunque un risultato sensato? Proseguendo dalla seconda relazione invece?
Avatar utente
Foto UtenteAngelusNero
40 3
 
Messaggi: 48
Iscritto il: 7 nov 2014, 17:20

1
voti

[2] Re: Attenuazione e sfasamento di un filtro R-L

Messaggioda Foto UtenteIsidoroKZ » 29 mar 2015, 17:30

Secondo me hai fatto bene a voler dividere per Rs+R. La ragione e` che se c'e` un termine noto a numeratore o denominatore, e` molto spesso opportuno metterlo in evidenza e ottenere un polinomio con termine noto unitario.

Pero` hai scritto nella tua forma ridotta L/R, e quell'R e` diverso da quello originario, dovrebbe essere Ad esempio R1=Rs+R.

Hai scritto due cose bruttissime. La prima hai fatto una divisione per zero! che e` severamente vietata in tutte le scuole serie :-). Se un numero complesso ha solo la parte immaginaria, la sua fase e` +90 gradi, se la parte immaginaria e` positiva, o -90 gradi se la parte immaginaria e` positiva. E quindi la fase del numeratore e` +90 gradi, senza passare per l'arcotangente di infinito che e` una bestemmia: infinito non e` un numero!

La seconda cosa che non va e` che per trovare la fase del denominatore devi fare l'arcotangente di parte immaginaria diviso la parte reale. La parte immaginaria NON ha la j dentro! E` solo il coefficiente di j.

Il conto della fase del denominatore mi sembra giusto.

Usando le formule del libro oppure le tue (corrette) oppure ancora quelle originali, ma dividendo per Rs+R a denominatore, ottieni lo stesso risultato.

PS: l'arcotangente per trovare la fase va bene solo se la fase e` compresa fra -90 gradi e +90 gradi. Se puo` anche andare oltre, devi usare la funzione ATAN2 (o qualcosa del genere) per poter invertire la funzione su tutto l'angolo giro, altrimenti il numero complesso 3-j4 ha la stessa fase di -3+j4, mentre le due fasi sono diverse (disegna i due numeri sul piano complesso e lo vedi subito).
Per usare proficuamente un simulatore, bisogna sapere molta più elettronica di lui
Plug it in - it works better!
Il 555 sta all'elettronica come Arduino all'informatica! (entrambi loro malgrado)
Se volete risposte rispondete a tutte le mie domande
Avatar utente
Foto UtenteIsidoroKZ
121,2k 1 3 8
G.Master EY
G.Master EY
 
Messaggi: 21059
Iscritto il: 17 ott 2009, 0:00

1
voti

[3] Re: Attenuazione e sfasamento di un filtro R-L

Messaggioda Foto UtenteIsidoroKZ » 29 mar 2015, 17:40

Dimenticavo: se nel tuo esempio al posto di L/R1 usi la relazione \frac{L}{R_1}=\tau_p=\frac{1}{\omega_p} e la sostituisci nella tua formula ottieni la forma standard della funzione di trasferimento di un passa alto

\frac{\frac{\text{j}\omega}{\omega_p}}{1+\frac{\text{j}\omega}{\omega_p}}} che pero` essendo un passa alto lo si puo` scrivere forse meglio cosi` \frac{\text{j}\omega}{\omega_p+\text{j}\omega} o di piu` meglio ancora :-) in questo modo \frac{1}{1+\frac{\omega_p}{\text{j}\omega}}}
Per usare proficuamente un simulatore, bisogna sapere molta più elettronica di lui
Plug it in - it works better!
Il 555 sta all'elettronica come Arduino all'informatica! (entrambi loro malgrado)
Se volete risposte rispondete a tutte le mie domande
Avatar utente
Foto UtenteIsidoroKZ
121,2k 1 3 8
G.Master EY
G.Master EY
 
Messaggi: 21059
Iscritto il: 17 ott 2009, 0:00

0
voti

[4] Re: Attenuazione e sfasamento di un filtro R-L

Messaggioda Foto UtenteAngelusNero » 29 mar 2015, 18:16

Ok, grazie. ma come può essere dimostrata la relazione che hai citato per arrivare alla f.d.t standard di un passa-alto?
Avatar utente
Foto UtenteAngelusNero
40 3
 
Messaggi: 48
Iscritto il: 7 nov 2014, 17:20

1
voti

[5] Re: Attenuazione e sfasamento di un filtro R-L

Messaggioda Foto UtenteIsidoroKZ » 29 mar 2015, 18:33

Se non dici a che relazione fai riferimento, non so che cosa intendi. Che classe e scuola stai frequentando?

Dai una occhiata a queste dispense http://www.df.unipi.it/~bettarin/TecDig ... assivi.pdf, partendo dal pagina 19 del pdf.
Per usare proficuamente un simulatore, bisogna sapere molta più elettronica di lui
Plug it in - it works better!
Il 555 sta all'elettronica come Arduino all'informatica! (entrambi loro malgrado)
Se volete risposte rispondete a tutte le mie domande
Avatar utente
Foto UtenteIsidoroKZ
121,2k 1 3 8
G.Master EY
G.Master EY
 
Messaggi: 21059
Iscritto il: 17 ott 2009, 0:00

0
voti

[6] Re: Attenuazione e sfasamento di un filtro R-L

Messaggioda Foto UtenteAngelusNero » 29 mar 2015, 19:09

IsidoroKZ ha scritto:Che classe e scuola stai frequentando?


Classe quarta.
Avatar utente
Foto UtenteAngelusNero
40 3
 
Messaggi: 48
Iscritto il: 7 nov 2014, 17:20


Torna a Elettronica generale

Chi c’è in linea

Visitano il forum: Nessuno e 125 ospiti