modifica circuito lampada emergenza a led
Moderatori:
carloc,
g.schgor,
BrunoValente,
IsidoroKZ
38 messaggi
• Pagina 4 di 4 • 1, 2, 3, 4
0
voti
ok parliamo di una sola . ho reallizzato questo cirquito con trasformatore da 12V 10VA 1A, con 8 stilo ni-mh 1.2V 2200MA al quale è collegato una striscia a led da 12V 23W. ultimamente la durata è scarsa la mia intenzione è sostituire le stilo e mettere ana batteria al piombo 12V 7.5A ma non so se si puo'
0
voti
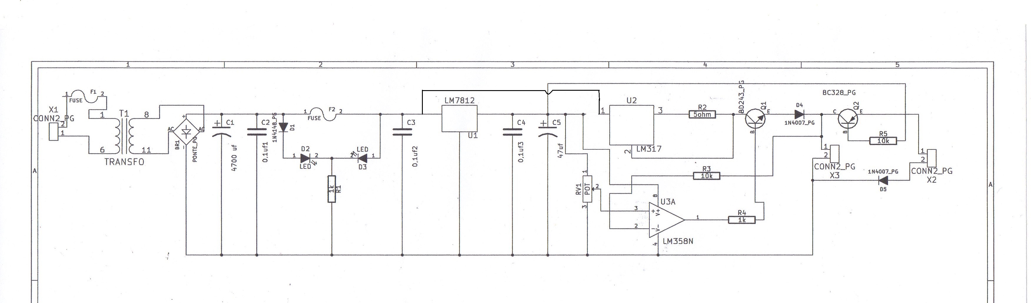
allora ho cercato uno schema per caricabatteria al piombo, da modificare per usarlo come lampada di emergenza lo schema è questo, io ci ho aggiunto la parte con tr ma non funziona
0
voti
Continuano a mancare i dati delle strisce.
Comunque ed a prescindere dal fatto che un trasformatore da 10VA 12V non da 1A ma 830mA e che questi 830mA, dopo ponte il ponte raddrizzatore, rendono circa 460mA, vuoi spiegarmi come fai ad accendere una striscia led da 2A?
Otto stilo da 1.2V fanno in totale -se in serie- 9.6V e, a piena carica, forse 12.2 per breve tempo, mi vuoi far capire come possono accendere la stessa striscia?
O fai i miracoli o la striscia led si accende debolmente e, contemporaneamente, il trasformatore surriscalda fino a defungere.
Comunque ed a prescindere dal fatto che un trasformatore da 10VA 12V non da 1A ma 830mA e che questi 830mA, dopo ponte il ponte raddrizzatore, rendono circa 460mA, vuoi spiegarmi come fai ad accendere una striscia led da 2A?
Otto stilo da 1.2V fanno in totale -se in serie- 9.6V e, a piena carica, forse 12.2 per breve tempo, mi vuoi far capire come possono accendere la stessa striscia?
O fai i miracoli o la striscia led si accende debolmente e, contemporaneamente, il trasformatore surriscalda fino a defungere.
marco
0
voti
ciao i dati che ho sono quelli, della striscia,i led sono 3528 non ne so altro. quando si accende la striscia al trasformatore non arriva la 220 V, e ai ragione la luce che fa è scarsa per il fatto che le 8 stilo non forniscono i 12V. in foto puoi vedere quello che ho detto i dati del trasformatore sono quelli
- Allegati
-
- DSC_0022.JPG (99.58 KiB) Osservato 3192 volte
0
voti
Si ma a questo punto bisogna capire che cosa vuoi fare.
Quel circuito e' inadeguato e, se basta meno luce, e' possibile tagliare ulteriormente le strisce (con minor consumo e piu durata) ma farle lavorare come si deve ed a piena luminosita'.
In piu', se vuoi ricaricare una batteria da 12V PB, ti serve un trasformatore adeguato che possa fornire almeno 15V e la necessaria potenza per supportare il numero di led impiegati.
Si potrebbe poi optare per un circuito piu' semplice, come suggerito da
FedericoSibona.
Detto in parole povere, o ti accontenti di quello che hai (che non funziona) o devi rifare tutto da capo.
Quel circuito e' inadeguato e, se basta meno luce, e' possibile tagliare ulteriormente le strisce (con minor consumo e piu durata) ma farle lavorare come si deve ed a piena luminosita'.
In piu', se vuoi ricaricare una batteria da 12V PB, ti serve un trasformatore adeguato che possa fornire almeno 15V e la necessaria potenza per supportare il numero di led impiegati.
Si potrebbe poi optare per un circuito piu' semplice, come suggerito da
Detto in parole povere, o ti accontenti di quello che hai (che non funziona) o devi rifare tutto da capo.
marco
0
voti
ciao circuito inadeguato lo buttiamo via. qualcosa di semplice che è meglio, e che ricarichi la bat al piombo, e compriamo quello che serve. calcolando che le uniche stricie lunghe sono due una da 4 mt nella scala e una 4.40mt nella sala la terza è quella della camera da letto ma sono solo 6led
0
voti
Ok, pero' devi considerare di ridurre anche il numero dei led; fino ad ora li hai adoperati al 25/30% e dopo faranno molta luce in piu' che - per lampade di emergenza - pare eccessiva.
Cosi' facendo, anche la durata di funzionamento a batteria sara' allungato ed i consumi minori.
Cosi' facendo, anche la durata di funzionamento a batteria sara' allungato ed i consumi minori.
marco
0
voti
ha mi tocca prendere il pennello in mano pazienza, perché poi alimentando a 12V ho piu' luce che di giorno quando si accendono 

38 messaggi
• Pagina 4 di 4 • 1, 2, 3, 4
Chi c’è in linea
Visitano il forum: Nessuno e 55 ospiti

Elettrotecnica e non solo (admin)
Un gatto tra gli elettroni (IsidoroKZ)
Esperienza e simulazioni (g.schgor)
Moleskine di un idraulico (RenzoDF)
Il Blog di ElectroYou (webmaster)
Idee microcontrollate (TardoFreak)
PICcoli grandi PICMicro (Paolino)
Il blog elettrico di carloc (carloc)
DirtEYblooog (dirtydeeds)
Di tutto... un po' (jordan20)
AK47 (lillo)
Esperienze elettroniche (marco438)
Telecomunicazioni musicali (clavicordo)
Automazione ed Elettronica (gustavo)
Direttive per la sicurezza (ErnestoCappelletti)
EYnfo dall'Alaska (mir)
Apriamo il quadro! (attilio)
H7-25 (asdf)
Passione Elettrica (massimob)
Elettroni a spasso (guidob)
Bloguerra (guerra)



