strana configurazione di un Ampli di potenza
Moderatori:
carloc,
g.schgor,
BrunoValente,
IsidoroKZ
22 messaggi
• Pagina 2 di 3 • 1, 2, 3
0
voti
Grazie a
IsidoroKZ e
BrunoValente per gli interessantissimi schemi e spiegazioni, utili come spunto per progetti
-

SediciAmpere
4.187 5 5 8 - Master

- Messaggi: 4847
- Iscritto il: 31 ott 2013, 15:00
0
voti
Sono molto interessato a quanto esposto da
BrunoValente e
IsidoroKZ, mi pare una soluzione semplice e di grande potenza.......
ma posso avere qualche dubbio sulla linearità? (è un parere personale, a pelle, non surrogato da test od altro).
Comunque mi fido di chi ne sa più di me e lo prendo per "lineare"
ma posso avere qualche dubbio sulla linearità? (è un parere personale, a pelle, non surrogato da test od altro).
Comunque mi fido di chi ne sa più di me e lo prendo per "lineare"

-

lelerelele
4.899 3 7 9 - Master

- Messaggi: 5505
- Iscritto il: 8 giu 2011, 8:57
- Località: Reggio Emilia
3
voti
Va abbastanza bene, ci sono due anelli di retroazione annidati, e dato il grande guadagno dell'operazionale le non linearita` vengono ragionevolmente raddrizzate. Il punto critico di queste configurazioni e` la stabilita` in quanto il guadagno di anello dipende linearmente dal carico.
Nota che gli schemi indicati prima non sono protetti da cortocircuito e cio` non e` buono :)
Gli schemi indicati dopo invece hanno la limitazione di corrente, che pero` con carichi induttivi puo` dare problemi.
Ad esempio questa vecchia application note fa vedere come usare un operazionale ad alta tensione e aggiungere un buffer dietro. L'LM143 mi pare sia uscito di produzione, ma c'e` l'LTC6090 che puo` essere usato per alta tensione.
Se cerchi su google images op amp high voltage output trovi parecchi altri schemi di buffer.
Nota che gli schemi indicati prima non sono protetti da cortocircuito e cio` non e` buono :)
Gli schemi indicati dopo invece hanno la limitazione di corrente, che pero` con carichi induttivi puo` dare problemi.
Ad esempio questa vecchia application note fa vedere come usare un operazionale ad alta tensione e aggiungere un buffer dietro. L'LM143 mi pare sia uscito di produzione, ma c'e` l'LTC6090 che puo` essere usato per alta tensione.
Se cerchi su google images op amp high voltage output trovi parecchi altri schemi di buffer.
Per usare proficuamente un simulatore, bisogna sapere molta più elettronica di lui
Plug it in - it works better!
Il 555 sta all'elettronica come Arduino all'informatica! (entrambi loro malgrado)
Se volete risposte rispondete a tutte le mie domande
Plug it in - it works better!
Il 555 sta all'elettronica come Arduino all'informatica! (entrambi loro malgrado)
Se volete risposte rispondete a tutte le mie domande
1
voti
credo che queste ultime versioni con il partitore, rispetto alla prima, siano effettivamente molto non lineari, ma la controreazione dovrebbe aggiustare molto e poi.. l'orecchio è di bocca buona e forse non se ne accorge 
-

BrunoValente
39,6k 7 11 13 - G.Master EY

- Messaggi: 7796
- Iscritto il: 8 mag 2007, 14:48
0
voti
IsidoroKZ ha scritto:Il punto critico di queste configurazioni e` la stabilita` in quanto il guadagno di anello dipende linearmente dal carico.
perfettamente d'accordo.
BrunoValente ha scritto:credo che queste ultime versioni con il partitore, rispetto alla prima, siano effettivamente molto non lineari, ma la controreazione dovrebbe aggiustare molto e poi.. l'orecchio è di bocca buona e forse non se ne accorge
Non ho dubbi che la retroazione ha effetto di linearizzare tutto, penso però che retroazionando un circuito di per se non lineare non si possano ottenere quelle distorisioni THD<0.03% che inseguii quando realizzai amplificatori a discreti.
Ciò non toglie che che sia una configurazione utile in determinati casi. La terrò presente.
Saluti.
-

lelerelele
4.899 3 7 9 - Master

- Messaggi: 5505
- Iscritto il: 8 giu 2011, 8:57
- Località: Reggio Emilia
1
voti
lelerelele ha scritto:BrunoValente ha scritto:credo che queste ultime versioni con il partitore, rispetto alla prima, siano effettivamente molto non lineari, ma la controreazione dovrebbe aggiustare molto e poi.. l'orecchio è di bocca buona e forse non se ne accorge
Non ho dubbi che la retroazione ha effetto di linearizzare tutto, penso però che retroazionando un circuito di per se non lineare non si possano ottenere quelle distorisioni THD<0.03% che inseguii quando realizzai amplificatori a discreti...
Sono configurazioni circuitali che hanno come scopo soprattutto la semplicità e che per questo sfruttano l'integrato, all'interno del quale ci sono belle e pronte le parti più rognose come il differenziale d'ingresso, le polarizzazioni, la regolazione termica della corrente a riposo dei finali...
La distorsione, quasi certamente, non raggiungerà quel valore ma stai tranquillo che anche valori venti volte più grandi (0.6%) ancora non li avverte nessuno
-

BrunoValente
39,6k 7 11 13 - G.Master EY

- Messaggi: 7796
- Iscritto il: 8 mag 2007, 14:48
0
voti
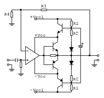
Vorrei ancora proporre un "coso", stavolta credo sia proprio inedito
, che sulla falsa riga dell'ultimo dovrebbe raggiungere lo stesso obbiettivo, cioè una potenza di uscita alta e indipendente da quella dell'integrato, ma con qualche vantaggio sulla linearità e sulla stabilità e, oltre certi limiti di tensione di alimentazione, con uno svantaggio di restrizione sul guadagno massimo.
R1 e R2 dovranno anzitutto soddisfare la seguente condizione
![\[\frac{R_{1}}{R_{2}}=\frac{V_{cc1}}{V_{cc}}-1\] \[\frac{R_{1}}{R_{2}}=\frac{V_{cc1}}{V_{cc}}-1\]](/forum/latexrender/pictures/8da78a5a3db055c5f902189216c8ea42.png)
si ottengono così +Vcc e -Vcc a partire da +Vcc1 e -Vcc1.
Si ottiene inoltre che la tensione di alimentazione dell'integrato, pur rimanendo costante, si sposta però su e giù con il segnale di uscita e, quando l'integrato arriva a saturazione, anche entrambi i transistor del lato interessato giungono insieme a saturazione.
Per valori di Vcc1 compresi tra Vcc e 2Vcc non serve imporre nessuna limitazione sul valore del guadagno
che quindi potrà essere impostato come si vuole.
Per valori di Vcc1 maggiori di 2Vcc si rischia che per valori alti del guadagno la tensione di ingresso all'integrato possa sconfinare sopra e/o sotto i valori della sua alimentazione e per evitare questo va posta una restrizione sul valore del guadagno massimo, cioè
![\[G<\frac{V_{cc1}}{V_{cc1}-2V_{cc}}\] \[G<\frac{V_{cc1}}{V_{cc1}-2V_{cc}}\]](/forum/latexrender/pictures/e9d06eca5c1ed092001904ab5dc1a19a.png)
che significa
![\[\frac{R_{4}}{R_{3}}>\frac{V_{cc1}}{2V_{cc}}-1\] \[\frac{R_{4}}{R_{3}}>\frac{V_{cc1}}{2V_{cc}}-1\]](/forum/latexrender/pictures/5da93e44ebdfe9744ea78fe1d854445e.png)
La linearità di questo ultimo tipo di amplificatore dovrebbe essere simile a quella del primo, quindi buona, invece, in riferimento a quello che osservava
IsidoroKZ, questo dovrebbe essere più stabile avendo un guadagno di anello indipendente dal carico, sentiamo se vuole aggiungere qualche commento.
R1 e R2 dovranno anzitutto soddisfare la seguente condizione
![\[\frac{R_{1}}{R_{2}}=\frac{V_{cc1}}{V_{cc}}-1\] \[\frac{R_{1}}{R_{2}}=\frac{V_{cc1}}{V_{cc}}-1\]](/forum/latexrender/pictures/8da78a5a3db055c5f902189216c8ea42.png)
si ottengono così +Vcc e -Vcc a partire da +Vcc1 e -Vcc1.
Si ottiene inoltre che la tensione di alimentazione dell'integrato, pur rimanendo costante, si sposta però su e giù con il segnale di uscita e, quando l'integrato arriva a saturazione, anche entrambi i transistor del lato interessato giungono insieme a saturazione.
Per valori di Vcc1 compresi tra Vcc e 2Vcc non serve imporre nessuna limitazione sul valore del guadagno
che quindi potrà essere impostato come si vuole.
Per valori di Vcc1 maggiori di 2Vcc si rischia che per valori alti del guadagno la tensione di ingresso all'integrato possa sconfinare sopra e/o sotto i valori della sua alimentazione e per evitare questo va posta una restrizione sul valore del guadagno massimo, cioè
![\[G<\frac{V_{cc1}}{V_{cc1}-2V_{cc}}\] \[G<\frac{V_{cc1}}{V_{cc1}-2V_{cc}}\]](/forum/latexrender/pictures/e9d06eca5c1ed092001904ab5dc1a19a.png)
che significa
![\[\frac{R_{4}}{R_{3}}>\frac{V_{cc1}}{2V_{cc}}-1\] \[\frac{R_{4}}{R_{3}}>\frac{V_{cc1}}{2V_{cc}}-1\]](/forum/latexrender/pictures/5da93e44ebdfe9744ea78fe1d854445e.png)
La linearità di questo ultimo tipo di amplificatore dovrebbe essere simile a quella del primo, quindi buona, invece, in riferimento a quello che osservava
-

BrunoValente
39,6k 7 11 13 - G.Master EY

- Messaggi: 7796
- Iscritto il: 8 mag 2007, 14:48
2
voti
BrunoValente ha scritto:Vorrei ancora proporre un "coso", stavolta credo sia proprio inedito,
Guess what, tecniche di bootstrapping dell'alimentazione a partire dal segnale di uscita sono gia` state proposte, sia con zener che con partitori di tensione
Per usare proficuamente un simulatore, bisogna sapere molta più elettronica di lui
Plug it in - it works better!
Il 555 sta all'elettronica come Arduino all'informatica! (entrambi loro malgrado)
Se volete risposte rispondete a tutte le mie domande
Plug it in - it works better!
Il 555 sta all'elettronica come Arduino all'informatica! (entrambi loro malgrado)
Se volete risposte rispondete a tutte le mie domande
2
voti
..e sì, lo so, anche qui sarei dovuto nascere prima, ma se così fosse andata ora avrei avuto qualche altro tipo di problema..quindi va strabene così! 
-

BrunoValente
39,6k 7 11 13 - G.Master EY

- Messaggi: 7796
- Iscritto il: 8 mag 2007, 14:48
22 messaggi
• Pagina 2 di 3 • 1, 2, 3
Chi c’è in linea
Visitano il forum: Nessuno e 148 ospiti

Elettrotecnica e non solo (admin)
Un gatto tra gli elettroni (IsidoroKZ)
Esperienza e simulazioni (g.schgor)
Moleskine di un idraulico (RenzoDF)
Il Blog di ElectroYou (webmaster)
Idee microcontrollate (TardoFreak)
PICcoli grandi PICMicro (Paolino)
Il blog elettrico di carloc (carloc)
DirtEYblooog (dirtydeeds)
Di tutto... un po' (jordan20)
AK47 (lillo)
Esperienze elettroniche (marco438)
Telecomunicazioni musicali (clavicordo)
Automazione ed Elettronica (gustavo)
Direttive per la sicurezza (ErnestoCappelletti)
EYnfo dall'Alaska (mir)
Apriamo il quadro! (attilio)
H7-25 (asdf)
Passione Elettrica (massimob)
Elettroni a spasso (guidob)
Bloguerra (guerra)
