Buon giorno al forum.
Ho notato in alcuni mixer audio economici la presenza di un trasformatore di alimentazione con doppio secondario 19-0-19 volt.
Fin qui tutto normale se si tratta di ottenere due rami di alimentazione stabilizzata a +/- 15 Vcc.
Quello che non capisco è come si ottengono i 48 V, se pur di pochi mA, per l'alimentazione di microfoni Phantom.
Dal circuito in SMD e PCB a doppia faccia in questione si evince poco.
qual è la magia?
Trasformatore di rete e alimentazione Phantom
Moderatore:
IsidoroKZ
12 messaggi
• Pagina 1 di 2 • 1, 2
0
voti
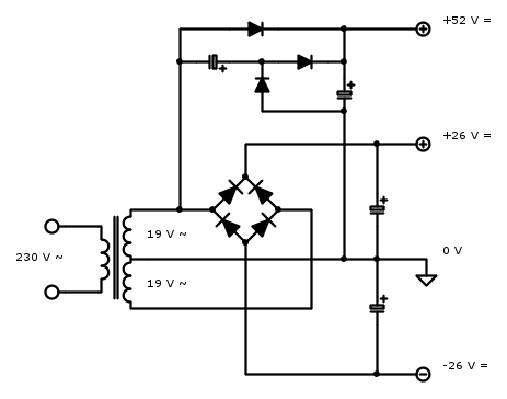
Quello che non capisco è come si faccia ad ottenere da un trafo 19-0-19 Vac le seguenti tensioni:
-15, 0, +15, +48.
La stabilizzazione può essere fatta da 317, 337, 78xx,79xx, ma i 48 da dove vengono?
Ovvero, come si ottengono 48 V e più da un doppio secondario con lo stesso riferimento di massa?
-15, 0, +15, +48.
La stabilizzazione può essere fatta da 317, 337, 78xx,79xx, ma i 48 da dove vengono?
Ovvero, come si ottengono 48 V e più da un doppio secondario con lo stesso riferimento di massa?
Se quello che funziona basta non lo tocca' sennò te lassa!
0
voti
Ciao 16 A ci si incrocia di nuovo.
Non credo visto il "valore del mixer in questione.
Da un sommario sguardo ci sono solo diodi e condensatori.
Il PCB, per come è fatto, non mostra molto!
E' tutto in SMD con doppia faccia a fori metallizzati.
SediciAmpere ha scritto:Ci sarà un convertitore dc-dc
Non credo visto il "valore del mixer in questione.
Da un sommario sguardo ci sono solo diodi e condensatori.
Il PCB, per come è fatto, non mostra molto!
E' tutto in SMD con doppia faccia a fori metallizzati.
Se quello che funziona basta non lo tocca' sennò te lassa!
2
voti
Oppure un duplicatore di tensione:
Questo è a singola semionda, ma si può fare anche a doppia semionda, sfruttando anche l'altro estremo del secondario del trasformatore.
Si possono fare anche triplicatori, quadruplicatori ecc., a scapito della corrente prelevabile.
Questo è a singola semionda, ma si può fare anche a doppia semionda, sfruttando anche l'altro estremo del secondario del trasformatore.
Si possono fare anche triplicatori, quadruplicatori ecc., a scapito della corrente prelevabile.
Big fan of ⋮ƎlectroYou! Ausili per disabili e anziani su ⋮ƎlectroYou
Caratteri utili: À È É Ì Ò Ó Ù α β γ δ ε η θ λ μ π ρ σ τ φ ω Ω º ª ² ³ √ ∛ ∜ ₀ ₁ ₂ ₃ ₄ ₅ ₆ ∃ ∄ ∆ ∈ ∉ ± ∓ ∾ ≃ ≈ ≠ ≤ ≥
Caratteri utili: À È É Ì Ò Ó Ù α β γ δ ε η θ λ μ π ρ σ τ φ ω Ω º ª ² ³ √ ∛ ∜ ₀ ₁ ₂ ₃ ₄ ₅ ₆ ∃ ∄ ∆ ∈ ∉ ± ∓ ∾ ≃ ≈ ≠ ≤ ≥
0
voti
Ciao
abusivo!
Se ci sono solo diodi e condensatori, propendo anch'io per il duplicatore di tensione
L'alimentazione è proprio 48V ? Alcuni mixer amplificati per uso PA forniscono una tensione molto più bassa e i microfoni funzionano ugualmente http://www.paso.it/it/prodotti/diffusione-sonora?page=shop.product_details&flypage=pasomar.tpl&product_id=36&category_id=11
Se ci sono solo diodi e condensatori, propendo anch'io per il duplicatore di tensione
L'alimentazione è proprio 48V ? Alcuni mixer amplificati per uso PA forniscono una tensione molto più bassa e i microfoni funzionano ugualmente http://www.paso.it/it/prodotti/diffusione-sonora?page=shop.product_details&flypage=pasomar.tpl&product_id=36&category_id=11
-

SediciAmpere
4.187 5 5 8 - Master

- Messaggi: 4847
- Iscritto il: 31 ott 2013, 15:00
0
voti
GuidoB ha scritto:... un duplicatore di tensione...
Ecco svelato l'arcano!
Questa è la soluzione più plausibile.
GuidoB ha scritto:... a scapito della corrente prelevabile.
Infatti la massima corrente prelevabile è di qualche mA.
SediciAmpere ha scritto:...L'alimentazione è proprio 48V ? ...
Nel mio caso si.
Ho dei microfoni che funzionano in un range che va da 15 a 48 V.
Addirittura i famosi "fucili", che sicuramente conoscerai, vanno a 12 V, almeno quelli che ho io.
La phantom che danno i miei analizzatori di spettro sono tutti a 15 V.
Se quello che funziona basta non lo tocca' sennò te lassa!
0
voti
abusivo ha scritto:Buon giorno al forum.
Ho notato in alcuni mixer audio economici la presenza di un trasformatore di alimentazione con doppio secondario 19-0-19 volt....
Utilizzando i morsetti estremi di quel trasformatore si avranno 19+19=38 v che semplicemente raddrizzati ad onda intera e livellati daranno una tensione continua aumentata di 1,41 volte la tensione alternata, = 53,58v (-0,7*2v)!!!
Fin troppo alta!

-

jervisbrown
88 2 - New entry

- Messaggi: 66
- Iscritto il: 26 mar 2015, 14:12
0
voti
jervisbrown ha scritto:...Fin troppo alta!
Su questo non ci piove, quello che è strano è che con quel secondario, oltre ai 48 si ottengono i +/- 15 V!
Il tutto con massa comune.
Se quello che funziona basta non lo tocca' sennò te lassa!
12 messaggi
• Pagina 1 di 2 • 1, 2
Torna a Elettronica e spettacolo
Chi c’è in linea
Visitano il forum: Nessuno e 28 ospiti

Elettrotecnica e non solo (admin)
Un gatto tra gli elettroni (IsidoroKZ)
Esperienza e simulazioni (g.schgor)
Moleskine di un idraulico (RenzoDF)
Il Blog di ElectroYou (webmaster)
Idee microcontrollate (TardoFreak)
PICcoli grandi PICMicro (Paolino)
Il blog elettrico di carloc (carloc)
DirtEYblooog (dirtydeeds)
Di tutto... un po' (jordan20)
AK47 (lillo)
Esperienze elettroniche (marco438)
Telecomunicazioni musicali (clavicordo)
Automazione ed Elettronica (gustavo)
Direttive per la sicurezza (ErnestoCappelletti)
EYnfo dall'Alaska (mir)
Apriamo il quadro! (attilio)
H7-25 (asdf)
Passione Elettrica (massimob)
Elettroni a spasso (guidob)
Bloguerra (guerra)



