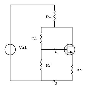
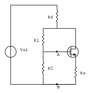
devo calcolare il punto di lavoro di questo circuito
essendo la corrente di gate circa nulla, avevo considerato le resistenze di gate R1 ed R2 come se fossero in serie, dopo di che volevo applicare thevenin alla maglia a sinistra composta dal generatore, la Rd e la serie delle due resistenze R1+R2, solo che non capisco :
- la serie R1+R2 va messa sopra o sotto il Gate?
-Rd è in serie o in parallelo ? perché se fosse in serie potrei fare un bel partitore e via o no?
Grazie!


Elettrotecnica e non solo (admin)
Un gatto tra gli elettroni (IsidoroKZ)
Esperienza e simulazioni (g.schgor)
Moleskine di un idraulico (RenzoDF)
Il Blog di ElectroYou (webmaster)
Idee microcontrollate (TardoFreak)
PICcoli grandi PICMicro (Paolino)
Il blog elettrico di carloc (carloc)
DirtEYblooog (dirtydeeds)
Di tutto... un po' (jordan20)
AK47 (lillo)
Esperienze elettroniche (marco438)
Telecomunicazioni musicali (clavicordo)
Automazione ed Elettronica (gustavo)
Direttive per la sicurezza (ErnestoCappelletti)
EYnfo dall'Alaska (mir)
Apriamo il quadro! (attilio)
H7-25 (asdf)
Passione Elettrica (massimob)
Elettroni a spasso (guidob)
Bloguerra (guerra)







