Schemino elettrico
Moderatori:
sebago,
MASSIMO-G,
lillo,
Mike
11 messaggi
• Pagina 1 di 2 • 1, 2
0
voti
Salve ragazzi, ho una cortesia da chiedervi, devo fare uno schemino elettrico ma non riesco a capire come farlo, vi spiego, ho delle utenze che devono essere alimentate 24h al giorno mentre altre dalle 8 del mattino fino alle 19, pensavo d strutturare così lo schema : int. mgt a protezione a valle un teleruttore collegato ad un inseritore automatico/manuale a valle del quale un altro teleruttore con temporizzatore a valle di questo un mgt che protegge le utenze in questione, intanto non so se questo schema funzioni e poi vorrei chiedervi se qualcuno puo aiutarmi nell'impostarlo, grazie mille.
0
voti
se invece di proporre una soluzione di cui si capisce poco o nulla, ti soffermassi a specificare tutte le esigenze del circuito, forse ti si potrebbe aiutare con maggior facilità
per tutte le esigenze, intendo ad esempio, tipo di carichi, dispositivi di comando manuali che si vuole utilizzare, necessità di variare i tempi di funzionamento per la prima e la seconda serie di carichi e qualunque altra informazione a tua disposizione che possa concorrere a comprendere l'oggetto del discorso nel suo insieme
saluti
per tutte le esigenze, intendo ad esempio, tipo di carichi, dispositivi di comando manuali che si vuole utilizzare, necessità di variare i tempi di funzionamento per la prima e la seconda serie di carichi e qualunque altra informazione a tua disposizione che possa concorrere a comprendere l'oggetto del discorso nel suo insieme
saluti
Ognuno sta solo sul cuor della terra
trafitto da un raggio di sole:
ed è subito sera
Salvatore Quasimodo
trafitto da un raggio di sole:
ed è subito sera
Salvatore Quasimodo
0
voti
Hai ragione rileggendo non capirei nulle neanche io, vedrò di essere più chiaro,nel mio impianto ho come utenze illuminazione, prese e climatizzazione, il committente vuole che tutta l'illuminazione ed una parte della climatizzazione alla fine della giornata di lavoro (ore 19) si spenga in automatico fino alla mattina successiva.Quindi una parte di climatizzazione e tutti i circuiti prese sempre alimentati h24 mentre quei due circuiti solo durante le ore di lavoro. Pensando che può capitare la rottura del temporizzatore e quindi per non lasciare fermi gli impiegati,nel mio schema unifilare voglio che ci sia la possibilità di ripristinare il tutto manualmente quindi automatico/manuale.Come dovrò disegnare lo schema unifilare affinchè siano soddisfatte entrambe le esigenze, temporizzato e manuale/automatico.
3
voti
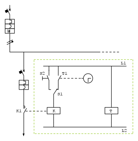
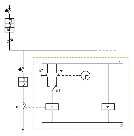
prendilo solo come uno spunto, si può fare senza dubbio di meglio
per semplicità ho considerato solo un ramo del circuito, ma non cambia nulla,
nel riquadro tratteggiato è rappresentato il circuito di comando le cui sigle definiscono:
L1, L2 è l'alimentazione del circuito di comando,
K, K1 sono rispettivamente la bobina e i contatti di potenza del teleruttore adibito alla manovra del carico,
T, T1 sono la bobina (nel mio esempio energizzata in maniera diretta) e il contatto N.O. dell'orologio/programmatore giornaliero,
S1 è il selettore a due posizioni per il funzionamento automatico o manuale del circuito (si poteva fare anche diversamente),
S2 è un (o più di uno, dipende da come eventualmente si voglia gestire la condotta manuale) comando manuale, un contatto N.O. di un selettore o di un interruttore, il contatto di un relè a impulsi, quello che vuoi tu
il mio è solo un punto di partenza, ci sarà sicuramente chi saprà consigliarti meglio
per semplicità ho considerato solo un ramo del circuito, ma non cambia nulla,
nel riquadro tratteggiato è rappresentato il circuito di comando le cui sigle definiscono:
L1, L2 è l'alimentazione del circuito di comando,
K, K1 sono rispettivamente la bobina e i contatti di potenza del teleruttore adibito alla manovra del carico,
T, T1 sono la bobina (nel mio esempio energizzata in maniera diretta) e il contatto N.O. dell'orologio/programmatore giornaliero,
S1 è il selettore a due posizioni per il funzionamento automatico o manuale del circuito (si poteva fare anche diversamente),
S2 è un (o più di uno, dipende da come eventualmente si voglia gestire la condotta manuale) comando manuale, un contatto N.O. di un selettore o di un interruttore, il contatto di un relè a impulsi, quello che vuoi tu
il mio è solo un punto di partenza, ci sarà sicuramente chi saprà consigliarti meglio
Ognuno sta solo sul cuor della terra
trafitto da un raggio di sole:
ed è subito sera
Salvatore Quasimodo
trafitto da un raggio di sole:
ed è subito sera
Salvatore Quasimodo
0
voti
Grazie mille dell'aiuto,un ottimo punto di partenza, io cambierei un po lo schema togliendo l interruttore differenziale,e aggiungendo sotto k1 un magnetoermico a protezione dei circuito che andranno sotto temporizzatore.
0
voti
fabiodax ha scritto:io cambierei un po lo schema togliendo...
fidocadj è utilizzato anche per questo, è sufficiente copiare ed incollare il codice sorgente del disegno postato da
Per le info su come utilizzare fidocadj e la sua installazione trovi tutto alla voce Help del menu a tendina in alto, buon disegno
0
voti
in realtà non sapendo come fosse realizzata la distribuzione avevo ipotizzato uno schema in derivazione da un "generale" di quadro (quello che vedi col differenziale) ma non è certamente detto che sia questa la reale configurazione
per le protezioni della linea le inserisci ovviamente come e dove meglio credi, anche se vuoi usarle come sezionamenti dei singoli circuiti a valle del contattore
per le protezioni della linea le inserisci ovviamente come e dove meglio credi, anche se vuoi usarle come sezionamenti dei singoli circuiti a valle del contattore
Ognuno sta solo sul cuor della terra
trafitto da un raggio di sole:
ed è subito sera
Salvatore Quasimodo
trafitto da un raggio di sole:
ed è subito sera
Salvatore Quasimodo
0
voti
S1 è il selettore a due posizioni per il funzionamento automatico o manuale del circuito (si poteva fare anche diversamente),
Sbaglio o in questo circuito potrebbe essere omesso?

-

danielepower
597 4 6 - Sostenitore

- Messaggi: 515
- Iscritto il: 6 dic 2014, 17:58
1
voti
sì, nel caso più semplice S1 è superfluo e basta mettere un contatto N.O. di bypass a T1,
ma non sapendo come si voglia gestire l'accensione manuale (S2), col selettore (S1) commuti su "manuale" escludendo T/T1 e poi sei libero di attivare/disattivare il contattore (con S2)
oppure togli S1 e fai diventare S2 un selettore a tre posizioni Auto-0-Man, però rischi che l'operatore si incasini...
comunque è da parecchio che non faccio logica cablata, quindi pietà!
ma non sapendo come si voglia gestire l'accensione manuale (S2), col selettore (S1) commuti su "manuale" escludendo T/T1 e poi sei libero di attivare/disattivare il contattore (con S2)
oppure togli S1 e fai diventare S2 un selettore a tre posizioni Auto-0-Man, però rischi che l'operatore si incasini...
comunque è da parecchio che non faccio logica cablata, quindi pietà!
Ognuno sta solo sul cuor della terra
trafitto da un raggio di sole:
ed è subito sera
Salvatore Quasimodo
trafitto da un raggio di sole:
ed è subito sera
Salvatore Quasimodo
11 messaggi
• Pagina 1 di 2 • 1, 2
Torna a Impianti, sicurezza e quadristica
Chi c’è in linea
Visitano il forum: Nessuno e 66 ospiti

Elettrotecnica e non solo (admin)
Un gatto tra gli elettroni (IsidoroKZ)
Esperienza e simulazioni (g.schgor)
Moleskine di un idraulico (RenzoDF)
Il Blog di ElectroYou (webmaster)
Idee microcontrollate (TardoFreak)
PICcoli grandi PICMicro (Paolino)
Il blog elettrico di carloc (carloc)
DirtEYblooog (dirtydeeds)
Di tutto... un po' (jordan20)
AK47 (lillo)
Esperienze elettroniche (marco438)
Telecomunicazioni musicali (clavicordo)
Automazione ed Elettronica (gustavo)
Direttive per la sicurezza (ErnestoCappelletti)
EYnfo dall'Alaska (mir)
Apriamo il quadro! (attilio)
H7-25 (asdf)
Passione Elettrica (massimob)
Elettroni a spasso (guidob)
Bloguerra (guerra)





