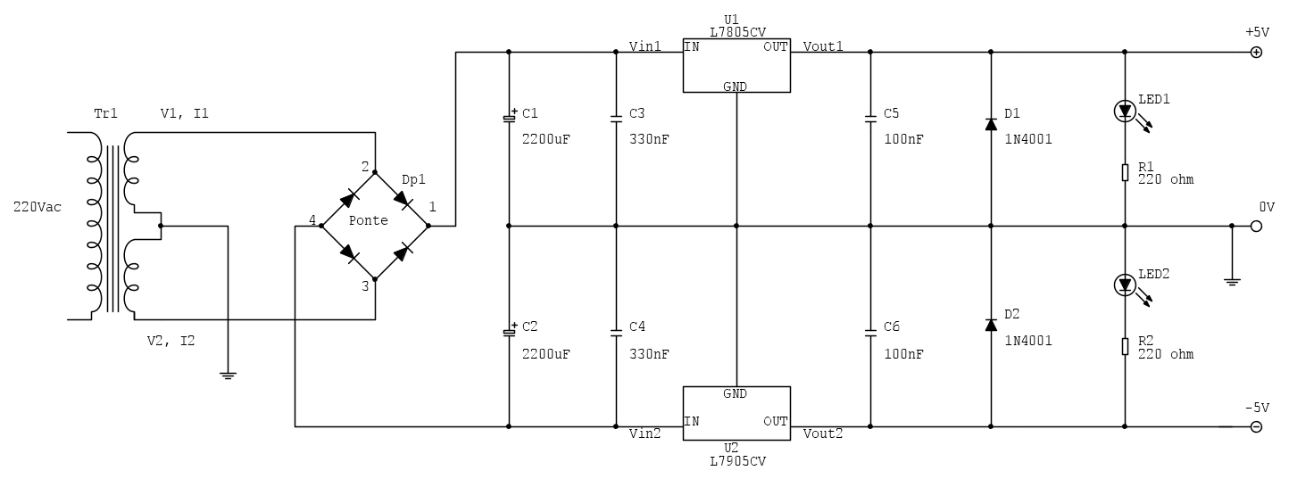
Ciao a tutti. Ho fatto un progetto di un alimentatore duale stabilizzato +5/-5V da usare per dei circuiti sperimentali basati su operazionali. In allegato metto lo schema circuitale in cui si impiegano gli L7805CV/L7905CV.
C3, C4, C5, C6 sono definiti dal datasheet del L7805CV/L7905CV.
C1, C2 si ottengono dalla C = Iout/(2 * f * Vripple) quindi se Iout = 440mA,
Vripple = 2V -> C = 0.0022F = 2200uF
La tensione di ingresso del L7805CV è dato da Vin1 = Vout1 + Vdropout = 5V + 2V = 7V.
In C1 la tensione risulta avere:
Vc1min = Vin1 = 7V, Vc1max = Vc1min + Vripple = 7V + 2V = 9V.
Tenendo presente che il diodo Dp1 del ponte raddrizzatore ha una tensione di 0.7V, la tensione sul primo secondario del trasformatore:
Vsec1 = Vc1max + VDp1 = 9V + 0.7V = 9.7V -> 10V.
Se il secondario del trasformatore ha una perdita del 8%:
V1 = 10V + 8% * 10V = 10.8V -> V1 rms = V1 / sqr(2) = 7.63V -> 8V
In commercio trovo un trasformatore duale con secondario da 9V rms,
16VA -> I = 16VA / ( 9V + 9V) = 0.888A -> I1 = I2 = I = 0.888A
R1 = R2 = (5V - Vled)/Iled = (5V - 2V)/15mA = 200 ohm -> 220 ohm
Secondo voi i calcoli che ho fatto sono corretti ?
Verifica calcoli progetto alimentatore duale stabilizzato
Moderatori:
carloc,
g.schgor,
BrunoValente,
IsidoroKZ
13 messaggi
• Pagina 1 di 2 • 1, 2
0
voti

"Non farei mai parte di un club che accettasse la mia iscrizione" (G. Marx)
-

claudiocedrone
21,3k 4 7 9 - Master EY

- Messaggi: 15302
- Iscritto il: 18 gen 2012, 13:36
1
voti
Ok claudiocedrone, grazie per la risposta. In realtà questo schema si rifà a ciò che avevo studiato al Poli (ma tieni presente che si è trattato l'argomento in modo molto veloce) e dando uno sguardo sulla rete. Tu dici che i calcoli sono sballati e un po' tutto il circuito
bene, mi potresti allora aiutare tu nel ricorreggere il tutto, magari riportando anche tu le varie formule come ho fatto io ? Per la tensione di dropout è quello indicato sul datasheet. Quindi ritieni sia meglio portarlo a 3V: ok.
Il valore di C1 e C2 sono dati dal ripple di 2V e supponendo una corrente max di utilizzo di 400mA. Quindi quale valore posso impostare per loro ?
I due diodi D1 e D2 servono come protezione al transitorio di accensione dell'alimentatore e l'istante in cui entrano in funzione i due L78xx. Può accadere che uno dei due integrati entri in funzione prima dell'altro.
Per quanto riguarda il circuito, come pensi sia invece meglio farlo (mi riporteresti uno schema da studiare) ?
La potenza del trasformatore sono i 16VA.
Attendo con piacere i tuoi aiuti.
Esiste qualche tutorial o guida ben fatta in cui si insegna bene questo argomento (magari da scaricare gratis
) ? 
Il valore di C1 e C2 sono dati dal ripple di 2V e supponendo una corrente max di utilizzo di 400mA. Quindi quale valore posso impostare per loro ?
I due diodi D1 e D2 servono come protezione al transitorio di accensione dell'alimentatore e l'istante in cui entrano in funzione i due L78xx. Può accadere che uno dei due integrati entri in funzione prima dell'altro.
Per quanto riguarda il circuito, come pensi sia invece meglio farlo (mi riporteresti uno schema da studiare) ?
La potenza del trasformatore sono i 16VA.
Attendo con piacere i tuoi aiuti.
Esiste qualche tutorial o guida ben fatta in cui si insegna bene questo argomento (magari da scaricare gratis

2
voti
giorgik ha scritto:Per quanto riguarda il circuito, come pensi sia invece meglio farlo (mi riporteresti uno schema da studiare) ?
Lo schema che hai postato necessita solo di qualche aggiustamento che si sarebbe potuto fare facilmente se tu avessi usato FidoCadJ, cosi' come si legge nelle regole del forum.
marco
3
voti
ecco lo schema in formato fidocad:
3
voti
Secondo me va ragionevolmente bene, piccoli aggiustamenti come ti sono stati fatti notare, come la caduta sul diodo di 1V. La tensione di drop out sul regolatore 7805 deve essere almeno di 2V, come da data sheet, come anche per il 7905 vanno bene 2V di drop out.
Il condensatore di uscita del 7905 e` critico: questo circuito esce di collettore e il condensatore deve essere da 1uF, dettagli sul data sheet.
Il ripple sul condensatore va bene, la formula citata porta a usare un condensatore piu` grande di quello necessario, ma tanto gli elettrolitici hanno tolleranze molto grandi.
Il 7905 deve avere un carico minimo, credo 5mA, ma meglio mettere 10mA, altrimenti NON regola.
La potenza apparente del trasformatore mi pare corretta per avere in uscita 440mA.
Il condensatore di uscita del 7905 e` critico: questo circuito esce di collettore e il condensatore deve essere da 1uF, dettagli sul data sheet.
Il ripple sul condensatore va bene, la formula citata porta a usare un condensatore piu` grande di quello necessario, ma tanto gli elettrolitici hanno tolleranze molto grandi.
Il 7905 deve avere un carico minimo, credo 5mA, ma meglio mettere 10mA, altrimenti NON regola.
La potenza apparente del trasformatore mi pare corretta per avere in uscita 440mA.
Per usare proficuamente un simulatore, bisogna sapere molta più elettronica di lui
Plug it in - it works better!
Il 555 sta all'elettronica come Arduino all'informatica! (entrambi loro malgrado)
Se volete risposte rispondete a tutte le mie domande
Plug it in - it works better!
Il 555 sta all'elettronica come Arduino all'informatica! (entrambi loro malgrado)
Se volete risposte rispondete a tutte le mie domande
0
voti
Non per far polemica, ma allora tanto sballato il circuito non era, come pure i calcoli. Questa conferma di calcoli giusti, circuito giusto e i consigli sul diodo tra in e out del L7xxx li ho avuti diversi giorni fa da un forum inglese e quindi il mio stupore nel ricevere la risposta di claudiocedrone, forse perché si è svegliato con la luna storta 
Trovo invece molto più costruttiva la risposta di IsidoroKZ
, pacata, senza disprezzare il circuito e soprattutto di aiuto per chi ha fatto una semplice richiesta di verifica, senza nessuna velleità di far passare il proprio progetto come un capolavoro 
Ma si sa, questo è un problema dei nostri forum.
Trovo invece molto più costruttiva la risposta di IsidoroKZ
, pacata, senza disprezzare il circuito e soprattutto di aiuto per chi ha fatto una semplice richiesta di verifica, senza nessuna velleità di far passare il proprio progetto come un capolavoro Ma si sa, questo è un problema dei nostri forum.
0
voti

"Non farei mai parte di un club che accettasse la mia iscrizione" (G. Marx)
-

claudiocedrone
21,3k 4 7 9 - Master EY

- Messaggi: 15302
- Iscritto il: 18 gen 2012, 13:36
1
voti
Si`, basta il led, che e` meglio tenere a correnti non infime. 5mA come minimo o meglio 10mA.
Il check alla buona e` cosi`: 9V di tensione efficace di secondario, 13V di picco, meno 1V di caduta sul diodo fanno 12V. 2V di ripple andiamo a 10V, tensione di ingresso minima ai regolatori 7V, ci sono 3V di buono per le variazioni della tensione di rete e per il fatto che la corrente assorbita e` a impulsi, di valore elevato, e la tensione del trasformatore, specie se di piccola potenza, puo` scendere abbastanza (regolazione di carico scarsa).
Probabilmente si puo` ancora ridurre la capacita` di livellamento, facendo lavorare i diodi con angoli di conduzione piu` grandi, riducendo i picchi di corrente, riducendo la potenza dissipata dai regolatori, e aumentando il ripple di ingresso.
Il check alla buona e` cosi`: 9V di tensione efficace di secondario, 13V di picco, meno 1V di caduta sul diodo fanno 12V. 2V di ripple andiamo a 10V, tensione di ingresso minima ai regolatori 7V, ci sono 3V di buono per le variazioni della tensione di rete e per il fatto che la corrente assorbita e` a impulsi, di valore elevato, e la tensione del trasformatore, specie se di piccola potenza, puo` scendere abbastanza (regolazione di carico scarsa).
Probabilmente si puo` ancora ridurre la capacita` di livellamento, facendo lavorare i diodi con angoli di conduzione piu` grandi, riducendo i picchi di corrente, riducendo la potenza dissipata dai regolatori, e aumentando il ripple di ingresso.
Per usare proficuamente un simulatore, bisogna sapere molta più elettronica di lui
Plug it in - it works better!
Il 555 sta all'elettronica come Arduino all'informatica! (entrambi loro malgrado)
Se volete risposte rispondete a tutte le mie domande
Plug it in - it works better!
Il 555 sta all'elettronica come Arduino all'informatica! (entrambi loro malgrado)
Se volete risposte rispondete a tutte le mie domande
13 messaggi
• Pagina 1 di 2 • 1, 2
Chi c’è in linea
Visitano il forum: Nessuno e 60 ospiti

Elettrotecnica e non solo (admin)
Un gatto tra gli elettroni (IsidoroKZ)
Esperienza e simulazioni (g.schgor)
Moleskine di un idraulico (RenzoDF)
Il Blog di ElectroYou (webmaster)
Idee microcontrollate (TardoFreak)
PICcoli grandi PICMicro (Paolino)
Il blog elettrico di carloc (carloc)
DirtEYblooog (dirtydeeds)
Di tutto... un po' (jordan20)
AK47 (lillo)
Esperienze elettroniche (marco438)
Telecomunicazioni musicali (clavicordo)
Automazione ed Elettronica (gustavo)
Direttive per la sicurezza (ErnestoCappelletti)
EYnfo dall'Alaska (mir)
Apriamo il quadro! (attilio)
H7-25 (asdf)
Passione Elettrica (massimob)
Elettroni a spasso (guidob)
Bloguerra (guerra)





