Cos'è ElectroYou | Login Iscriviti

ElectroYou - la comunità dei professionisti del mondo elettrico

Filtro Sallen Key passa-basso frequenza di taglio

Elettronica lineare e digitale: didattica ed applicazioni

Moderatori: Foto Utentecarloc, Foto Utenteg.schgor, Foto UtenteBrunoValente, Foto UtenteIsidoroKZ

0
voti

[1] Filtro Sallen Key passa-basso frequenza di taglio

Messaggioda Foto Utenteireon » 22 apr 2015, 9:46

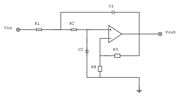
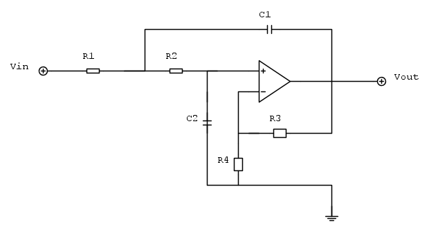
Avrei un problema nel calcolo della frequenza di taglio di un filtro passa-basso Sallen-Key a guadagno finito, la cella base del secondo ordine. Il circuito è il seguente:



Sul libro ho che la formula per calcolare la frequenza di taglio è:

w_{n}=\frac{1}{\sqrt{R1R2C1C2}}

Scegliendo R1=R2=R=2.27k \Omega e C1=C2=C=70nF ottengo che:

w_{n}=\frac{1}{RC}=1kHz

Volendo un fattore di merito Q=0.7071 si settano opportunamente i due resistori R3 e R4 quindi:

R4=5.6k \Omega
R3=3.3k \Omega

Ottenendo un guadagno K=1.586

Disegnando e simulando il circuito in PSpice utilizzando un op-amp TL084 con i valori dei componenti calcolati effettivamente ottengo un filtro di Butterworth con il guadagno e la pulsazione di taglio ottenuti sopra. Ora il mio dubbio è il seguente. Considerando la formula:

w_{n}=\frac{1}{\sqrt{R1R2C1C2}}

Scegliendo sempre C1=C2=C=70nF ma raddoppiando un resistore e dimezzando l'altro in modo tale da mantenere il prodotto costante, quindi:

R1=4.54k \Omega
R2=1.135k \Omega

Teoricamente si ottiene sempre w_{n}=1kHz, con stesso guadagno, ma con Q differente, ma simulando in Pspice ottengo un filtro con stesso guadagno, ma la pulsazione di taglio si sposta a w_{n}=1.05kHz e aumentando ancora i resistori quadruplicando una e l'altra 1/4, anche se teoricamente la pulsazione di taglio dovrebbe rimanere costante, si sposta ancora di più a w_{n}=697Hz. qual è il problema? Cosa mi sfugge? Non riesco a capire..
Avatar utente
Foto Utenteireon
14 1 2 6
Frequentatore
Frequentatore
 
Messaggi: 237
Iscritto il: 24 ott 2010, 12:21

1
voti

[2] Re: Filtro Sallen Key passa-basso frequenza di taglio

Messaggioda Foto Utenteg.schgor » 22 apr 2015, 10:22

Il filtro originale non comprende R3 ed R4
(vedi ad es questo).
Avatar utente
Foto Utenteg.schgor
57,8k 9 12 13
G.Master EY
G.Master EY
 
Messaggi: 16971
Iscritto il: 25 ott 2005, 9:58
Località: MILANO

0
voti

[3] Re: Filtro Sallen Key passa-basso frequenza di taglio

Messaggioda Foto Utenteireon » 22 apr 2015, 10:34

Si lo so, ma non utilizzando questi due resistori si pone il guadagno a 1. Comunque utilizzando questo sito i conti mi tornano, mantendo costante il prodotto tra i due resistori la pulsazione di taglio non cambia, mentre in PSpice si e non capisco perché..
Avatar utente
Foto Utenteireon
14 1 2 6
Frequentatore
Frequentatore
 
Messaggi: 237
Iscritto il: 24 ott 2010, 12:21

1
voti

[4] Re: Filtro Sallen Key passa-basso frequenza di taglio

Messaggioda Foto Utenteg.schgor » 22 apr 2015, 10:40

Il partitore aggiunto non varia solo il guadagno, ma influisce anche sulle prestazioni del filtro.
Avatar utente
Foto Utenteg.schgor
57,8k 9 12 13
G.Master EY
G.Master EY
 
Messaggi: 16971
Iscritto il: 25 ott 2005, 9:58
Località: MILANO

0
voti

[5] Re: Filtro Sallen Key passa-basso frequenza di taglio

Messaggioda Foto Utenteireon » 22 apr 2015, 10:56

Comunque il problema si pone anche non inserendo il partitore e lasciando il guadagno unitario. Come faccio a mantenere la pulsazione costante variando il fattore Q del filtro? Dovrei graficare in PSpice l'andamento del fattore Q, mantenendo pulsazione di taglio e guadagno costante, ma non riesco a farlo, perché anche scalando opportunamente i due resistori R1 e R2 mi varia la pulsazione di taglio..
Avatar utente
Foto Utenteireon
14 1 2 6
Frequentatore
Frequentatore
 
Messaggi: 237
Iscritto il: 24 ott 2010, 12:21

1
voti

[6] Re: Filtro Sallen Key passa-basso frequenza di taglio

Messaggioda Foto Utenteg.schgor » 22 apr 2015, 14:07

poiché il link citato al post[2] permette il calcolo immediato dei risultati,
consiglierei di usarlo per vedere se è possibile modificare i rapporti delle resistenze
in modo da mantenere costante la frequenza di taglio.
Avatar utente
Foto Utenteg.schgor
57,8k 9 12 13
G.Master EY
G.Master EY
 
Messaggi: 16971
Iscritto il: 25 ott 2005, 9:58
Località: MILANO

1
voti

[7] Re: Filtro Sallen Key passa-basso frequenza di taglio

Messaggioda Foto Utenteireon » 22 apr 2015, 14:45

Ho capito il mio errore, praticamente effettivamente la frequenza di taglio non varia se il prodotto dei resistori è mantenuto costante, ma variando Q non si ottiene più un filtro di Butterworth e quindi in PSpice non bisogna andare a vedere la frequenza di taglio a -3dB, ma risulterà spostata rispetto al filtro di Butterworth, che si ottiene solo per Q=0.7071.
Avatar utente
Foto Utenteireon
14 1 2 6
Frequentatore
Frequentatore
 
Messaggi: 237
Iscritto il: 24 ott 2010, 12:21

0
voti

[8] Re: Filtro Sallen Key passa-basso frequenza di taglio

Messaggioda Foto Utenteg.schgor » 22 apr 2015, 15:10

:ok:
Avatar utente
Foto Utenteg.schgor
57,8k 9 12 13
G.Master EY
G.Master EY
 
Messaggi: 16971
Iscritto il: 25 ott 2005, 9:58
Località: MILANO

0
voti

[9] Re: Filtro Sallen Key passa-basso frequenza di taglio

Messaggioda Foto Utenteireon » 1 mag 2015, 11:42

Senza che apro un'altra discussione posto direttamente in questa. Avrei un dubbio.. Per quanto riguarda il filtro Sallen Key, ho visto che è possibile realizzare filtri di Butterworth e Chebyshev di qualsiasi ordine connettendo in cascata le varie celle del secondo ordine e aggiungendo una cella del primo ordine quando l'ordine è dispari. Per vedere i valori di Q e della frequenza di taglio basta guardare le relative tabelle. Quindi ad esempio considerando un Butterworth del terzo ordine vado a vedere i due valori di Q che realizzano le due celle del secondo ordine, per Chebyshev invece oltre ai due valori di Q bisogna considerare anche i due valori della frequenza di taglio per le due celle. Ora stavo guardando i filtri ellittici con le relative tabelle e le cose mi sembrano un po' diverse, perché ad esempio considerando una cella del secondo ordine non mi vengono forniti i valori di Q, ma considerando la funzione ellittica del secondo ordine:

N(s)=H\prod_{i} \frac{s^2+c_{i}}{s^2+a_{i}s+b_{i}}

Mi viene fornita la seguente tabella:

Immagine

Quindi come faccio a costruirmi un filtro ellittico del secondo ordine passa-basso utilizzando la configurazione Sallen Key?
Avatar utente
Foto Utenteireon
14 1 2 6
Frequentatore
Frequentatore
 
Messaggi: 237
Iscritto il: 24 ott 2010, 12:21

1
voti

[10] Re: Filtro Sallen Key passa-basso frequenza di taglio

Messaggioda Foto UtenteDarwinNE » 1 mag 2015, 12:26

Per ottenere un filtro ellittico, devi inserire degli zeri nella funzione di trasferimento.
Una cellula Sallen-Key passa basso non va quindi bene, è probabile che si debba passare a topologie più complesse, come la cellula di Friend o STAR.
Follow me on Mastodon: @davbucci@mastodon.sdf.org
Avatar utente
Foto UtenteDarwinNE
31,0k 7 11 13
G.Master EY
G.Master EY
 
Messaggi: 4420
Iscritto il: 18 apr 2010, 9:32
Località: Grenoble - France

Prossimo

Torna a Elettronica generale

Chi c’è in linea

Visitano il forum: Google Adsense [Bot] e 41 ospiti