Cos'è ElectroYou | Login Iscriviti

ElectroYou - la comunità dei professionisti del mondo elettrico

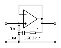
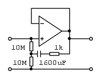
resistenza da 100Gigaohm

Elettronica lineare e digitale: didattica ed applicazioni

Moderatori: Foto Utentecarloc, Foto Utenteg.schgor, Foto UtenteBrunoValente, Foto UtenteIsidoroKZ

4
voti

[51] Re: resistenza da 100Gigaohm

Messaggioda Foto UtenteBrunoValente » 7 mag 2015, 16:08

No, non chiedermi queste cose, non so utilizzare il simulatore fino a quel punto, sarà la seconda- terza volta che lo uso :( .

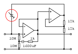
Ho messo a confronto il circuito in prova con un filtro passa alto passivo avente la stessa costante di tempo ma con valori più normali (1uF-100k invece di 1pF-100G) alimentandoli con lo stesso generatore e la risposta è praticamente la stessa, sotto 0.5Hz si inizia a notare qualche differenza ma è normale perché il bootstrap inizia a cedere.

Ho anche provato con l'onda quadra, non si nota nulla di diverso da quello passivo, nessuna oscillazione sui fronti.

Credo che essendo unitario il guadagno dell'inseguitore non ci si debba preoccupare per la stabilità: il guadagno di anello mi pare sia inferiore all'unità a qualsiasi frequenza.
Avatar utente
Foto UtenteBrunoValente
39,6k 7 11 13
G.Master EY
G.Master EY
 
Messaggi: 7796
Iscritto il: 8 mag 2007, 14:48

4
voti

[52] Re: resistenza da 100Gigaohm

Messaggioda Foto UtenteBrunoValente » 7 mag 2015, 16:28

..se trovo due resistenze da 100M lo provo dal vivo, al diavolo i simulatori! non mi sono mai stati simpatici..appartengo ad un'altra epoca.
Avatar utente
Foto UtenteBrunoValente
39,6k 7 11 13
G.Master EY
G.Master EY
 
Messaggi: 7796
Iscritto il: 8 mag 2007, 14:48

1
voti

[53] Re: resistenza da 100Gigaohm

Messaggioda Foto Utenteangel99 » 7 mag 2015, 17:35

BrunoValente ha scritto:al diavolo i simulatori!

Se si conosce l'elettronica sono più che utili, indispensabili. E mi pare che tu l'elettronica la conosca. ;-)

Per fare una simulazione corretta devi usare dei modelli anche per i passivi, almeno per i parametri che possono influenzare il circuito. Il leakage di un elettrolitico a bassa perdita è circa 0,0075 x C x V e lo puoi simulare con una resistenza in parallelo.

Ho però l'impressione che sia ordini di grandezza oltre l'accettabile.
Avatar utente
Foto Utenteangel99
3.516 1 5 11
Master
Master
 
Messaggi: 1148
Iscritto il: 23 gen 2015, 19:39

1
voti

[54] Re: resistenza da 100Gigaohm

Messaggioda Foto UtenteIsidoroKZ » 7 mag 2015, 19:22

angel99 ha scritto:
BrunoValente ha scritto:al diavolo i simulatori!

Se si conosce l'elettronica sono più che utili, indispensabili. E mi pare che tu l'elettronica la conosca. ;-)

E con questo concorri per l'understatement piu` under del decennio :-)
Per usare proficuamente un simulatore, bisogna sapere molta più elettronica di lui
Plug it in - it works better!
Il 555 sta all'elettronica come Arduino all'informatica! (entrambi loro malgrado)
Se volete risposte rispondete a tutte le mie domande
Avatar utente
Foto UtenteIsidoroKZ
121,2k 1 3 8
G.Master EY
G.Master EY
 
Messaggi: 21059
Iscritto il: 17 ott 2009, 0:00

8
voti

[55] Re: resistenza da 100Gigaohm

Messaggioda Foto UtenteBrunoValente » 7 mag 2015, 21:55

..non ho trovato resistenze da 100M ma l'ho provato lo stesso: l'ho ridimensionato per resistenze da 10M.



e, udite udite, ho utilizzato due elettrolitici da 1000uF in parallelo ?%

Ho fatto prove molto spannometriche e perciò non posso assicurare che funzioni alla perfezione ma poso dire con certezza che funzionicchia molto molto meglio di quanto mi fossi mai aspettato.

Dopo ogni accensione va premuto il pulsante che avevo evidenziato nell'altro schema, dopo di che la continua in uscita rimane nulla senza accennare a derivare anche per lunghi periodi, durante le varie prove l'ho tenuto acceso continuativamente anche per più di mezz'ora senza notare derive.

Ho utilizzato un segnale molto ampio di una decina di volt, mi sono volutamente messo sopra al livello del rumore a 50Hz che comunque si vedeva in sottofondo, non avrei potuto fare diversamente visto il montaggio volante e senza schermature.

con un paio di picofarad in serie all'ingresso il segnale di uscita risulta in fase con quello di ingresso fino a circa 1Hz e si sfasa progressivamente di circa 45°scendendo sotto a 0.2-0.3Hz che, grosso modo, è in accordo con le previsioni.

L'effetto indesiderato più evidente è un'attenuazione costante del segnale a tutte le frequenze che dipende dal valore del condensatore messo in serie all'ingresso e che evidentemente è dovuta alla presenza di una capacità parassita in parallelo all'ingresso che fa partitore con quella in serie e che ho stimato essere di circa 5pF.

Ho anche provato a compensarla con una capacità negativa tramite una reazione positiva aggiungendo un secondo stadio e si riesce quasi ad estinguerla completamente prima che inizi ad oscillare ma non credo che questa sia una soluzione praticabile.



Una riduzione della capacità parassita di ingresso si potrà senz'altro ottenere sostituendo l'operazionale con uno più idoneo, quello in prova è un TL084.

Insomma, farlo funzionare bene con i segnali deboli è tutta un'altra storia ma mi sono ricreduto, forse non è un'impresa impossibile.
Avatar utente
Foto UtenteBrunoValente
39,6k 7 11 13
G.Master EY
G.Master EY
 
Messaggi: 7796
Iscritto il: 8 mag 2007, 14:48

11
voti

[56] Re: resistenza da 100Gigaohm

Messaggioda Foto UtentePietroBaima » 8 mag 2015, 2:09

Oggi ho avuto una giornata un po' meno massacrante di ieri, quindi eccomi a scrivere un breve report su quello che Steve mi ha detto circa la realizzazione di un EMG senza contatto.

Un amplificatore con una resistenza di ingresso di 10M\Omega è già sufficiente, non serve andare oltre. Si può usare l'INA116, dice che va bene.
Dice che serve realizzare un amplificatore di tipo chopper, con il quale si può implementare un trucco per spostare la banda del segnale tramite battimento.
Dice che il problema della resistenza di ingresso non è il segnale piccolo che si viene a catturare, piuttosto invece il polo introdotto dalla capacità fra cute e resistenza di ingresso, che andrà cancellato in seguito andando a filtrare in modo da esaltare la banda attenuata dal filtro. (tipo Dolby, per capirci)
Questo problema, secondo lui, è un punto molto noioso che va necessariamente corretto, perché se si mettono resistenze alte per avere il polo in bassa frequenza poi succede che il rumore catturato diventa inaccettabile.
Per farlo è però necessario conoscere la capacità, che non è nota e variabile nel tempo.
Questo problema è risolubile in analogico andando ad iniettare, sempre per via capacitiva, vicino al rilevatore, un segnale fuori banda ECG, da rilevare con un amplificatore apposito. Si ricava un segnale in tensione col quale è possibile pilotare il chopper e realizzare un battimento col segnale di ingresso che ne sposti la banda. Facendo passare questo segnale per un altro filtro si può dimesionare il sistema per ottenere una correzione del polo di ingresso.
Questa probabilmente è la parte più difficile.
Il circuito può essere utilizzato anche per capire quando gli elettrodi sono stati posizionati male, cioè lo strato di vestiti del soggetto è troppo spesso, oppure si sono allontanati troppo dalla cute.
Avendo una impedenza di ingresso "bassa" è inoltre possibile inserire dei diodi per effettuare una protezione degli ingressi, che vanno necessariamente protetti da sovratensioni esterne (mi ha fatto l'esempio di un soggetto che viene defibrillato mentre gli viene monitorato il cuore con un elettrocardiografo di questo tipo).
Bisogna usare diodi a basse correnti di saturazione inversa, che vanno polarizzati prendendo parte del segnale di uscita, in modo da renderli veloci e poco rumorosi rispetto agli ingressi.
Serve necessariamente schermare il circuito di ingresso in una scatola metallica, sulla quale riportare il segnale medio di ogni sensore utilizzato, in modo da creare un riferimento comune con il quale circondare anche gli anelli di guardia.

Un altro problema piuttosto noioso è la 50 o 60 Hz, che va tolta perché è spesso dominante rispetto al segnale.
Non è possibile fare dei notch (anche se ogni tanto per ECG vengono fatti, ma con pessimi risultati, tanto che il medico può attivarlo o disattivarlo, su un normale elettrocardiografo) perché il segnale a 50 o 60 Hz è parte dello spettro del segnale ECG.
Esiste un metodo per eliminare anche questo contributo.
Il trucco consiste nel catturare la frequenza di rete tramite il segnale medio degli elettrodi (che non dovrebbe contenere segnale ECG) e farci agganciare un PLL sopra.
Si avrà quindi disponibile un segnale a 50 o 60 Hz con la sua fase corretta, con il quale cancellare la maggior parte del contributo a frequenza di rete presente nel segnale ECG.
Se ho capito bene quindi il sistema si comporta un po' come un ricevitore FM.
Ora si ha un segnale pulito e ripetibile.
Volendo migliorare ancora è possibile utilizzare un filtro adattato, poiché esistono diversi modelli del segnale EMG e del suo spettro.

In definitiva, Foto Utentenaide91, se Steve dice di lasciar perdere, direi che bisogna proprio credergli.
Non a caso è un ingegnere che ha 40 anni di progettazione analogica al suo attivo.
Si è un po' innervosito a vedere quegli articoli, invece gli è piaciuto molto il circuito di Bruno.

Con questo è tutto!
Ciao a tutti,
Pietro.
Generatore codice per articoli:
nomi
Sul forum:
[pigreco]=π
[ohm]=Ω
[quadrato]=²
[cubo]=³
Avatar utente
Foto UtentePietroBaima
90,7k 7 12 13
G.Master EY
G.Master EY
 
Messaggi: 12206
Iscritto il: 12 ago 2012, 1:20
Località: Londra

0
voti

[57] Re: resistenza da 100Gigaohm

Messaggioda Foto UtenteEcoTan » 8 mag 2015, 8:20

PietroBaima ha scritto:il problema della resistenza di ingresso

Triodi nisba? Peccato che hanno una certa capacità di ingresso.

(ringrazio per questo thread, anche se a me non serve è meraviglioso)
Avatar utente
Foto UtenteEcoTan
7.720 4 12 13
Expert EY
Expert EY
 
Messaggi: 5422
Iscritto il: 29 gen 2014, 8:54

3
voti

[58] Re: resistenza da 100Gigaohm

Messaggioda Foto UtenteBrunoValente » 8 mag 2015, 9:36

Grazie Pietro, tutto molto interessante, mi fanno molto piacere gli apprezzamenti del tuo autorevole amico Steve al mio circuito che in fondo non è niente di speciale, ringrazialo.

E' una faccenda molto intrigante, mi sa che continuerò a giocarci un po', avrei altre ideucce da sperimentare.
Avatar utente
Foto UtenteBrunoValente
39,6k 7 11 13
G.Master EY
G.Master EY
 
Messaggi: 7796
Iscritto il: 8 mag 2007, 14:48

1
voti

[59] Re: resistenza da 100Gigaohm

Messaggioda Foto UtentePietroBaima » 8 mag 2015, 13:55

EcoTan ha scritto:Triodi nisba? Peccato che hanno una certa capacità di ingresso.

Intendi tubi a vuoto?
Capisco che potrebbero essere una soluzione percorribile, ma non ne colgo i vantaggi rispetto ad un INA116, per esempio. Non so.

Ciao,
Pietro.
Generatore codice per articoli:
nomi
Sul forum:
[pigreco]=π
[ohm]=Ω
[quadrato]=²
[cubo]=³
Avatar utente
Foto UtentePietroBaima
90,7k 7 12 13
G.Master EY
G.Master EY
 
Messaggi: 12206
Iscritto il: 12 ago 2012, 1:20
Località: Londra

3
voti

[60] Re: resistenza da 100Gigaohm

Messaggioda Foto UtentePietroBaima » 8 mag 2015, 14:08

BrunoValente ha scritto:Grazie Pietro, tutto molto interessante, mi fanno molto piacere gli apprezzamenti del tuo autorevole amico Steve al mio circuito che in fondo non è niente di speciale, ringrazialo.

Lo farò. :-)
Se può consolarti dice che, in questo caso specifico, il simulatore serve a poco.
Si fa molto prima a montare un prototipo.

BrunoValente ha scritto:E' una faccenda molto intrigante,

davvero! Questa faccenda è riuscita ad incuriosirmi, sebbene io, di elettronica analogica, non sia certo una cima.
Mi aspettavo che potesse non essere semplice, ma non mi aspettavo che fosse una cosa così articolata.
Mi è stato detto che gli ECG senza contatto sono stati esplorati a lungo e poi abbandonati perché non avevano particolari vantaggi rispetto a quelli tradizionali ed erano costosi. Oggi sono tornati un po' di moda perché gira l'idea di volerli integrare nei vestiti e collegare allo smartphone a fini sportivi o nei sedili delle automobili per migliorare le segnalazioni da inviare come pronto soccorso.
Nel primo caso si parla di giocattoli e si può fare un front-end più snello, nel secondo molto meno e conviene fare qualcosa di serio.

BrunoValente ha scritto:mi sa che continuerò a giocarci un po', avrei altre ideucce da sperimentare.

Caspita! Se vuoi, se hai tempo, pubblicale qui! Ho solo da imparare da te.

Ciao,
Pietro.
Generatore codice per articoli:
nomi
Sul forum:
[pigreco]=π
[ohm]=Ω
[quadrato]=²
[cubo]=³
Avatar utente
Foto UtentePietroBaima
90,7k 7 12 13
G.Master EY
G.Master EY
 
Messaggi: 12206
Iscritto il: 12 ago 2012, 1:20
Località: Londra

PrecedenteProssimo

Torna a Elettronica generale

Chi c’è in linea

Visitano il forum: Nessuno e 58 ospiti