Sono alle prese con esercizi sui trasformatori trifase e avevo un dubbio in quanto alcuni esercizi svolti.
Non riesco a capire quando devo usare le tensioni concatenate o le tensioni stellate e lo stesso per le correnti di linea o le correnti di fase.
Quando svolgo gli esercizi mi danno i dati di targa, quindi mi basta capire quei dati in un sistema trifase a cosa corrispondono su un generico collegamento trifase
1)
sapendo che
la corrente menzionata è quella di linea?2)
e
sono i valori efficaci delle tensioni concatenate al primario e al secondario?3)
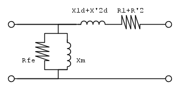
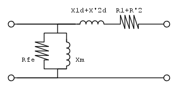
è il valore efficace della tensione a vuoto, anche questa è una tensione concatenata? perché di questa molti esercizi, che ho visto, calcolano la stellata per poter ottenere la resistenza che tiene conto delle perdite nel ferro?perché
è una potenza attiva e si calcola come 3 volte il quadrato della tensione a vuoto per la resistenza? 4)Stessa domanda per le altre grandezze
(in questo caso gli esercizi la lasciano così per calcolarsi l'impedenza di corto circuito),
(di questa non si calcolano la corrente di fase)
(anche per questa vale lo stesso discorso, calcolano la corrente di fase)
,
sono potenze e penso valga quello che ho scritto nel primo puntoè giusto il ragionamento?

Elettrotecnica e non solo (admin)
Un gatto tra gli elettroni (IsidoroKZ)
Esperienza e simulazioni (g.schgor)
Moleskine di un idraulico (RenzoDF)
Il Blog di ElectroYou (webmaster)
Idee microcontrollate (TardoFreak)
PICcoli grandi PICMicro (Paolino)
Il blog elettrico di carloc (carloc)
DirtEYblooog (dirtydeeds)
Di tutto... un po' (jordan20)
AK47 (lillo)
Esperienze elettroniche (marco438)
Telecomunicazioni musicali (clavicordo)
Automazione ed Elettronica (gustavo)
Direttive per la sicurezza (ErnestoCappelletti)
EYnfo dall'Alaska (mir)
Apriamo il quadro! (attilio)
H7-25 (asdf)
Passione Elettrica (massimob)
Elettroni a spasso (guidob)
Bloguerra (guerra)



ho riportato male il dato....
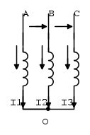
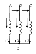
devo tenere conto del collegamento e sfruttare le relazioni tra le grandezze di linea e quelle di fase.


















?
, sarà:
