Cos'è ElectroYou | Login Iscriviti

ElectroYou - la comunità dei professionisti del mondo elettrico

Attivare ULN2803 con unico segnale

hi-fi, luci, suoni, effetti speciali, palcoscenici...

Moderatore: Foto UtenteIsidoroKZ

2
voti

[11] Re: Attivare ULN2803 con unico segnale

Messaggioda Foto UtenteOrionis » 5 giu 2015, 14:22

Ciao,
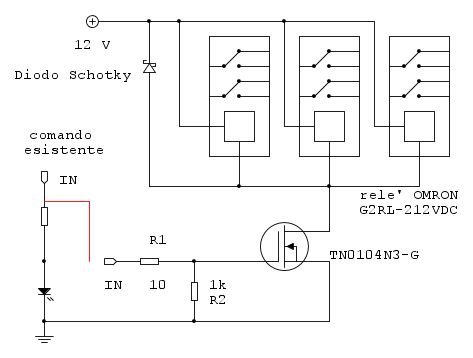
ho fatto anch'io il mio bel circuitino:


Non ho chiaro se prelevi il segnale di comando da un Led gia' esistente oppure da un semplice interruttore.
Nello schema prevedo che lo prendi da un led, quindi usi il collegamento rosso per portarlo al mosfet.
Se così non fosse, metti Led + resistenza in serie da 1k in parallelo ai rele'.

Il mosfet li trovi qui http://www.tme.eu/it/details/tn0104n3-g/transistori-con-canale-n-tht/microchip-technology/#t39ec0e8b7a7c82d11749ae9b05bea1af
I relé, a doppio scambio da 12 V, sono qui: http://www.tme.eu/it/details/g2rl-2-12dc/rele-elettromagnetici-miniaturizzati/omron/g2rl-2-12vdc/#t2eaa7180523cd287bd3a9574190e8474

Ho ripensato all'uso degli analog switch invece dei relé: forse non vale la pena, oppure bisogna parlarne.
I modelli 'vecchi' vogliono un'alimentazione doppia (+/-) per non troncare il segnale negativo; quelli nuovi hanno incorporato questa funzione, ma sono tutti in formati assurdi, tipo WGA e Bump.
O_/
Nemmeno gli Dei possono nulla contro la stupidità umana ?
Avatar utente
Foto UtenteOrionis
2.083 1 6 13
Expert
Expert
 
Messaggi: 103
Iscritto il: 16 mag 2015, 10:33
Località: Bergamo

1
voti

[12] Re: Attivare ULN2803 con unico segnale

Messaggioda Foto UtenteFrenzi » 5 giu 2015, 15:01

Grazie mille per lo sbattimento che ti sei fatto a fare il circuito :D :D
Pensavo che ogni relè dovesse avere il suo diodo , invece ne basta uno solo..
il circuito così è facilmente realizzabile.
Per questioni di spazio , ho comunque valutato la storia degli analog switch; prendendo spunto dal tuo consiglio del max4729 (che è a scambio singolo), ho cercato un DPDT invece che un SPDT e ho trovato l'ADG888. Nel datasheet specificano che ha ottime prestazioni proprio in applicazioni audio ( http://www.mouser.com/ds/2/609/ADG888-246520.pdf ) quindi non dovrebbe introdurre rumore di fondo. Con il package TSSOP-16 non dovrei avere particolari problemi nella realizzazione.. ho provato a realizzare un circuito..



Valutando i costi..
Gli ADG888 su mouser stanno a 4,11€ cad. , quindi dato che me ne servono 6 (3 per canale) vengono in totale circa 25€.. facciamo 30 con la spedizione.

Con i relè e i mosfet(sui link che mi hai mandato ) verrei a spendere leggermente meno.. circa 23€ + spedizione..

Cosa mi consigli di fare?
Avatar utente
Foto UtenteFrenzi
201 6
Frequentatore
Frequentatore
 
Messaggi: 136
Iscritto il: 4 giu 2015, 11:52

0
voti

[13] Re: Attivare ULN2803 con unico segnale

Messaggioda Foto UtenteOrionis » 5 giu 2015, 16:29

Ti rispondo al volo perché ora e da qui non posso fare altro.
Spero di poterti scrivere stasera.

Frenzi ha scritto: ho trovato l'ADG888

Attenzione che é a singola alimentazione; questo richiede un ragionamento.
Comunque, dal tuo schema, ne bastano 2 per canale, perché hai 4 switch per IC.

Frenzi ha scritto:Con il package TSSOP-16 non dovrei avere particolari problemi nella realizzazione

Beato te...vuol dire che non sei proprio agli inizi :D
Ricordati anche che tutti gli IC, specialmente quelli veloci come questo, devono aver un condensatore da 100nF direttamente sui pin di alimentazione.

A presto
Nemmeno gli Dei possono nulla contro la stupidità umana ?
Avatar utente
Foto UtenteOrionis
2.083 1 6 13
Expert
Expert
 
Messaggi: 103
Iscritto il: 16 mag 2015, 10:33
Località: Bergamo

0
voti

[14] Re: Attivare ULN2803 con unico segnale

Messaggioda Foto Utentesimo85 » 5 giu 2015, 16:30

Scusate se mi intrometto, ma a questo punto perché non collegare il transistore cosi ?

Avatar utente
Foto Utentesimo85
30,9k 7 12 13
Disattivato su sua richiesta
 
Messaggi: 9927
Iscritto il: 30 ago 2010, 4:59

0
voti

[15] Re: Attivare ULN2803 con unico segnale

Messaggioda Foto UtenteFrenzi » 5 giu 2015, 16:52

Orionis ha scritto:Attenzione che é a singola alimentazione; questo richiede un ragionamento.
Comunque, dal tuo schema, ne bastano 2 per canale, perché hai 4 switch per IC.


Quella della singola alimentazione non l'ho capita.. intendi che ognuno va alimentato per conto suo? Nel senso che per esempio dovrei alimentare a 9v o 12v 3 regolatori di tensione (tipo dei 7805) e che ognuno di loro regoli la tensione di cisacun intregrato?

Comunque il condensatore da 100nF va in parallelo tra alimentazione e massa in modo da fare da "filtro" o in parallelo al positivo dell'alimentazione stessa? (Non capisco cosa intendi per direttamente)

In qualsiasi caso 2 integrati non bastano, perché per ogni potenziometro mi servono 2 switch, in quanto il piedino 3 del pot va a massa, mentre sia l'uno che il 2 sono da switchare (quindi per ogni pot mi servono: 4 in (piedino 1 e 2 di ognuno dei due pot) e 2 out (piedino 1 e 2 che vanno alla PCB dell'ampli) quindi per un pot mi serve mezzo IC, quindi di fatto avendo 5 pot mi servono 3 IC (di uno rimane libero mezzo integrato)

X Simo85.. non ho capito la differenza del tuo schema con quello postato prima da Orionis
Avatar utente
Foto UtenteFrenzi
201 6
Frequentatore
Frequentatore
 
Messaggi: 136
Iscritto il: 4 giu 2015, 11:52

0
voti

[16] Re: Attivare ULN2803 con unico segnale

Messaggioda Foto Utentesimo85 » 5 giu 2015, 16:59

Frenzi ha scritto:X Simo85.. non ho capito la differenza del tuo schema con quello postato prima da Orionis

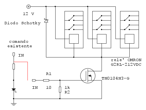
Il Gate del MOSFET è collegato prima della resistenza limitatrice del LED.

Non ho capito perché accendere un MOS a 2.5 (saranno poi 2.5 :?: ) invece che a o comunque una tensione un po' più elevata che permette al transistore di accendersi meglio.

Ho abbassato le resistenze sul Gate. In questo modo il transistorio di accensione e spegnimento dovrebbe essere più veloce.
Avatar utente
Foto Utentesimo85
30,9k 7 12 13
Disattivato su sua richiesta
 
Messaggi: 9927
Iscritto il: 30 ago 2010, 4:59

0
voti

[17] Re: Attivare ULN2803 con unico segnale

Messaggioda Foto UtenteFrenzi » 5 giu 2015, 17:53

Scusami non ci avevo fatto caso :lol:

Comunque in un post precedente avevo già fatto questa considerazione. . Il segnale del led a monte della resistenza è da 4.7v (infatti nello schema con l'adg888 ho messo 4.7v come segnale di attivazione)..
il transistorio di accensione e spegnimento e comunque trascurabile per l'uso che ne faccio io (siamo nell'ordine dei nanosecondi no?) dato che non devo switchare ogni secondo.. durante i vari brani della scaletta capiterà di switchare qualche volta ma poi il canale rimane selzionato comunque per un bel po..

Lo schema con l'adg888 come ti sembra?
Secondo te qual'e il migliore dal punto di vista funzionale?
(Chiaramente con l'integrato guadagno spazio, ma aumenta leggermente la spesa e la difficoltà di realizzazione)
Avatar utente
Foto UtenteFrenzi
201 6
Frequentatore
Frequentatore
 
Messaggi: 136
Iscritto il: 4 giu 2015, 11:52

0
voti

[18] Re: Attivare ULN2803 con unico segnale

Messaggioda Foto UtenteOrionis » 5 giu 2015, 19:22

Eccomi, di corsa!
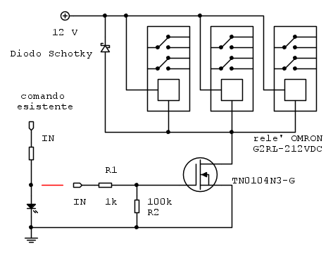
Innanzitutto per Foto Utentesimo85: hai ragione sul collegamento del Gate.
Il mio schema non era chiaro su questo punto; la linea rossa stava ad indicare che il Gate deve prendere il segnale di abilitazione, giustamente il piu' alto possibile. Dallo schema sembra invece collegarsi tra resistenza e Led (sbagliato).

Per Foto UtenteFrenzi
Spiego meglio il concetto di alimentazione singola.
Se usi un IC alimentato dai soli 5 V e il segnale analogico che applichi allo switch non ha una componente continua positiva, rischi che le semionde negative del segnali siano tagliate via, con evidente distorsione del segnale.
Le soluzioni sono 2:
1. aggiungere una componente continua in ingresso (es. 2.5V) e rimuoverla in uscita mediante un condensatore (brutto e scomodo).
2. alimentare lo switch con un +/-5V. Chiaramente l'IC deve permettere questa alimentazione. Lo svantaggio é che devi procurarti un -5V, magari con un inversore di polarita' tipo MAX660.
------------------------------

Condensatori di filtro:
il condensatore che ti ho suggerito é da applicare sui pin di alimentazione (+5, -5) dell'IC, il più vicino possibile ai pin stessi; serve per filtrare i picchi di assorbimento dell'IC durante le commutazioni. Ne serve uno per ogni IC.
-----------------------------

Visto che non hai problemi con gli SMD, allora ti suggerisco lo ADG633 di Analog Devices (provo a inserire lo schema).
Ha 3 switch per cui commuti 3 fili per ciascun integrato.
Costa 2 Euro da TME (distributore che suggerisco).
Lavora con +/-5 V (richiede quindi il MAX660 - ne basta una 1 per tutti gli switch).
Ha ottime caratteristiche audio (-90dBm di crosstalk).
Appena riesco ti mando lo schema applicativo.
----------------------------
Per quanto riguarda i fili da commutare, pensavo volessi usare uno schema cosi'


Hai il solo svantaggio che la sorgente del segnale vede 2 potenziometri in parallelo, ma non credo sia un problema.

Ci aggiorniamo
Allegati
ADG633.jpg
ADG633.jpg (8.75 KiB) Osservato 7029 volte
Nemmeno gli Dei possono nulla contro la stupidità umana ?
Avatar utente
Foto UtenteOrionis
2.083 1 6 13
Expert
Expert
 
Messaggi: 103
Iscritto il: 16 mag 2015, 10:33
Località: Bergamo

0
voti

[19] Re: Attivare ULN2803 con unico segnale

Messaggioda Foto UtenteFrenzi » 5 giu 2015, 20:05

C'è molta carne al fuoco di cui parlare.. andando con ordine:

- Ho capito il "problema" dell'alimentazione (tra l'altro ho già a casa qualche MAX660 perché avevo già realizzato circuiti che richiedevano alimentazione duale), però (se non ricordo male) negli integrati che la supportano di solito nel datasheet si trova Vcc+ e Vcc- (al posto di Vcc+ e GND) vedi per esempio la famiglia del TL072, mentre sia nel datasheet dell'ADG888 sia del 633 si trova sempre Vcc e GND (però anche qui c'è degll'ignoranza da parte mia, quindi può essere benissimo che si possa usare l'alimentazione duale). Detto questo (contando che dei datasheet so leggere poco e niente) mi sembra che alla fine i 2 integrati siano praticamente identici se non per il numero di switch al loro interno e il modo in cui sono collegati (uno ha 3 SPDT , l'altro 2 DPDT ), ma dato che il segnale di attivazione è comunque singolo mi va meglio l'888 che ha 4 switch al suo interno, quindi risparmio spazio (a patto che gli altri "valori" di cui sono ignorante , ad esempio non so cosa sia il crosstalk, restino invariati).

- Il collegamento dei potenziometri... Utilizzando i potenziometri come mi hai suggerito, utilizzo la metà degli switch , però (non ne conosco il motivo teorico) per esperienza so che questo tipo di collegamento porta a un sacco di rumori indesiderati, e una maggiore "suscettibilità" alle interferenze esterne (per esempio il campo elettromagnetico del cellulare... ovvio che essendo un apparecchio valvolare, e comunque audio in generale ne risente molto, ma in questo modo ne risente molto di più. Poi magari ho detto un sacco di cavolate :lol: :lol:
Dovrei fare una prova applicando al circuito uno switch con il potenziometro e vedere se effettivamente cambia qualcosa o se sono solo fisime.
Comunque per farti comprendere meglio qua c'è lo schema dell'ampli in questione (tieni presente che è un ampli da chitarra, non hi-fi) http://www.prowessamplifiers.com/schematics/images/6505112.pdf (il mio non è peavey.. è bugera, ma è un clone di questo ampli, ma dato che è cinesissimo ed è un clone [salvo il sistema di switch #-o ] , lo schema è veramente molto confuso.. comunque il link allo schema dei cinesi è qui http://bmamps.com/Schematics/Bugera/6262_Rev_F_schematic.pdf .. e sinceramente pre e finale a parte , il sistema di switch e di led non si capisce come sia fatto.. o io perlomeno non ci riesco)
Comunque noi stiamo lavorando sul pre, più precisamente sul canale clean/crunch, nella fattispecie sui 5 potenziometri che ne fanno parte. (vorrei poi ripetere il tutto sul canale lead).

EDIT: aggiungo un disegno super ignorante fatto con paint per far capire (ma forse è anche peggio) l'idea che ho in testa applicata direttamente allo schema vero e proprio (quest'idea va poi applicata a tutti i pot)
Allegati
BUGERA SWITCH.jpg
Avatar utente
Foto UtenteFrenzi
201 6
Frequentatore
Frequentatore
 
Messaggi: 136
Iscritto il: 4 giu 2015, 11:52

0
voti

[20] Re: Attivare ULN2803 con unico segnale

Messaggioda Foto UtenteFrenzi » 5 giu 2015, 22:06

Mi sono ricordato di un altro ampli su cui ho suonato qualche tempo fa che aveva 2 master diversi , selezionabili via footswitch, l'engl Fireball.
Qui c'e lo schema http://milas.spb.ru/~kmg/files/schematics/Engl/625/engl-fireball-amplifier-schematic_new.gif.. ho notato che in questo caso hanno utilizzato un rele collegando i 2 pot come detto da Orionis, quindi switchando semplicemente il piedino 2 del potenziometro. Ho visto che in serie al piedino 1 c'è una resistenza da 100k, ma non so se serva proprio perché ci sono i 2 potenziometri per ovviare in qualche modo al problema della rumorosità (anche se non credo.. dato che una resistenza in ingresso non "filtra" il segnale in nessun modo) o se faccia proprio parte del circuito dell'ampli (nel senso che ci sarebbe comunque , anche con un solo master volume).
Comunque, a onor del vero, è un ampli con parecchio rumore di fondo, anche se credo che dipenda più dal progetto stesso del pre (o da problemi di schermatura/trasformatori/non lo so) più che dai due master in se.

Quindi, concludendo, alla luce di questo penso che non ci siano problemi ad utilizzare il collegamento proposto da Orionis, ma deciderò comunque dopo aver provato entrambi i metodi direttamente sull'ampli. Se non verranno fuori differenze sostanziali in quanto a rumori di fondo e vari rompimenti adotterò sicuramente la soluzione più semplice . Resta solo da scegliere il metodo di switch più appropiato :lol: :lol: :lol:
Avatar utente
Foto UtenteFrenzi
201 6
Frequentatore
Frequentatore
 
Messaggi: 136
Iscritto il: 4 giu 2015, 11:52

PrecedenteProssimo

Torna a Elettronica e spettacolo

Chi c’è in linea

Visitano il forum: Nessuno e 21 ospiti