Cos'è ElectroYou | Login Iscriviti

ElectroYou - la comunità dei professionisti del mondo elettrico

Progetto d'esame: Alimentatore solare USB

Elettronica lineare e digitale: didattica ed applicazioni

Moderatori: Foto Utentecarloc, Foto Utenteg.schgor, Foto UtenteBrunoValente, Foto UtenteIsidoroKZ

1
voti

[21] Re: Progetto d'esame: Alimentatore solare USB

Messaggioda Foto Utentemarco438 » 14 giu 2015, 18:57

Allinizio del thread hai scritto:
LightSoul94 ha scritto:Come avrete capito si tratta di un semplice stabilizzatore lineare con uscita USB.
È alimentato da un pannello solare che nel contempo carica una batteria ricaricabile da 9V in modo che l'alimentatore possa lavorare anche di notte.

Ora, se la cella solare deve ricaricare la batteria, e' necessario che ai poli della stessa arrivino almeno 10.5/11V; quindi la cella deve fornire una tensione ancora superiore che sopperisca anche alla caduta sul diodo.
Questo sempre che tu voglia rispettare le specifiche del progetto.
Ci sarebbe poi da vedere se la cella, collegata in quel modo, possa effettivamente ricaricare la batteria nel giusto modo.
marco
Avatar utente
Foto Utentemarco438
37,1k 7 11 13
-EY Legend-
-EY Legend-
 
Messaggi: 16323
Iscritto il: 24 mar 2010, 15:09
Località: Versilia

0
voti

[22] Re: Progetto d'esame: Alimentatore solare USB

Messaggioda Foto UtenteLightSoul94 » 14 giu 2015, 18:59

ah ok, questa non la sapevo
Avatar utente
Foto UtenteLightSoul94
21 3
New entry
New entry
 
Messaggi: 74
Iscritto il: 13 giu 2015, 0:25

1
voti

[23] Re: Progetto d'esame: Alimentatore solare USB

Messaggioda Foto UtenteTardoFreak » 14 giu 2015, 21:24

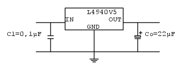
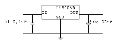
Potresti utilizzare un L4940V5
La caduta di tensione sul regolatore non arriva ad 1V nelle peggiori condizioni.

Il 7805 è un dinosauro!
"La follia sta nel fare sempre la stessa cosa aspettandosi risultati diversi".
"Parla soltanto quando sei sicuro che quello che dirai è più bello del silenzio".
Rispondere è cortesia, ma lasciare l'ultima parola ai cretini è arte.
Avatar utente
Foto UtenteTardoFreak
73,9k 8 12 13
-EY Legend-
-EY Legend-
 
Messaggi: 15754
Iscritto il: 16 dic 2009, 11:10
Località: Torino - 3° pianeta del Sistema Solare

0
voti

[24] Re: Progetto d'esame: Alimentatore solare USB

Messaggioda Foto UtenteLightSoul94 » 14 giu 2015, 22:22

non è che poi devo cambiare i condensatori? oppure posso usare questi? (0,33uF e 0,1uF)
Avatar utente
Foto UtenteLightSoul94
21 3
New entry
New entry
 
Messaggi: 74
Iscritto il: 13 giu 2015, 0:25

2
voti

[25] Re: Progetto d'esame: Alimentatore solare USB

Messaggioda Foto UtenteTardoFreak » 14 giu 2015, 22:30

Forse ... ma non è detto.
Bisognerebbe verificare leggendo il datasheet di cui ho postato il link.
"La follia sta nel fare sempre la stessa cosa aspettandosi risultati diversi".
"Parla soltanto quando sei sicuro che quello che dirai è più bello del silenzio".
Rispondere è cortesia, ma lasciare l'ultima parola ai cretini è arte.
Avatar utente
Foto UtenteTardoFreak
73,9k 8 12 13
-EY Legend-
-EY Legend-
 
Messaggi: 15754
Iscritto il: 16 dic 2009, 11:10
Località: Torino - 3° pianeta del Sistema Solare

0
voti

[26] Re: Progetto d'esame: Alimentatore solare USB

Messaggioda Foto UtenteLightSoul94 » 14 giu 2015, 22:36

non sapevo che esistessero altri regolatori lineari di tensione fissa positiva... questo che mi hai dato resiste in ingresso fino a 30V! impressionante!

Questi sono i parametri in un sistema DC secondo il datasheet che mi hai dato:
Avatar utente
Foto UtenteLightSoul94
21 3
New entry
New entry
 
Messaggi: 74
Iscritto il: 13 giu 2015, 0:25

0
voti

[27] Re: Progetto d'esame: Alimentatore solare USB

Messaggioda Foto Utentedanielepower » 15 giu 2015, 0:08

(Grazie, mi hai dato una bella idea per l'esame di l'anno prossimo)

Attenzione: sulla cella fotovoltaica misuri qualche volt in piú perché stai misurando tensione a vuoto!
..mi chiedo poi come hai fatto a misurare 1,3mA..

per 25€ o meno su energiasolare100.com compri un bel pannellino FV (25x15cm) da 10/15/20W (ora non ricordo preciso) con 12Vnominali.

Buona fortuna O_/
Avatar utente
Foto Utentedanielepower
597 4 6
Sostenitore
Sostenitore
 
Messaggi: 515
Iscritto il: 6 dic 2014, 17:58

0
voti

[28] Re: Progetto d'esame: Alimentatore solare USB

Messaggioda Foto UtenteLightSoul94 » 15 giu 2015, 0:17

Lusingato ;-)

Calcolare la corrente è stato uno scherzo.
Legge di ohm in DC
V = R x I
I = V/R (ho misurato la resistenza e la tensione. I cavi non misurano la corrente non so perché)
P = V x I

V = 5,71V
R = 4,2 kohm

Ps. Grazie per il sito :D
Avatar utente
Foto UtenteLightSoul94
21 3
New entry
New entry
 
Messaggi: 74
Iscritto il: 13 giu 2015, 0:25

0
voti

[29] Re: Progetto d'esame: Alimentatore solare USB

Messaggioda Foto Utentedanielepower » 15 giu 2015, 0:27

Ah ecco :D c'è differenza tra "misurato" e "calcolato".

Non capisco cosa intendi per "i cavi non misurano la corrente"..quali cavi? Del multimetro?


P.s. come hai fatto a misurare la resistenza di una cella fotovoltaica? Penso che in base al flusso luminoso che riceve varia anche la sua resistenza interna(?)
Ultima modifica di Foto Utentedanielepower il 15 giu 2015, 0:44, modificato 1 volta in totale.
Avatar utente
Foto Utentedanielepower
597 4 6
Sostenitore
Sostenitore
 
Messaggi: 515
Iscritto il: 6 dic 2014, 17:58

0
voti

[30] Re: Progetto d'esame: Alimentatore solare USB

Messaggioda Foto Utenteclaudiocedrone » 15 giu 2015, 0:42

:( ...
"Non farei mai parte di un club che accettasse la mia iscrizione" (G. Marx)
Avatar utente
Foto Utenteclaudiocedrone
21,3k 4 7 9
Master EY
Master EY
 
Messaggi: 15302
Iscritto il: 18 gen 2012, 13:36

PrecedenteProssimo

Torna a Elettronica generale

Chi c’è in linea

Visitano il forum: Nessuno e 58 ospiti