Buona Sera,
vi contatto per chiedere come si potrebbe realizzare l'accensione di un led accompagnato da una piccola cassa audio che emetta un biip?
led acustico
Moderatori:
carloc,
g.schgor,
BrunoValente,
IsidoroKZ
44 messaggi
• Pagina 1 di 5 • 1, 2, 3, 4, 5
0
voti
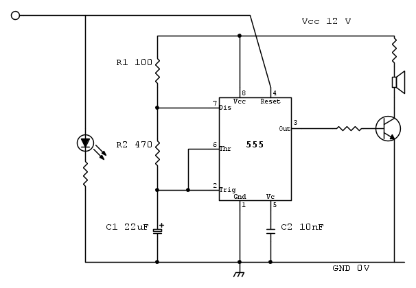
puoi ad es usare un Timer 555 (Astabile, ad una frequenza di 1KHz) da collegare allo speaker.
Puoi usare il piedino 'reset' del timer per accendere o disattivare il suono, in accordo al segnale che comanda il LED
Puoi usare il piedino 'reset' del timer per accendere o disattivare il suono, in accordo al segnale che comanda il LED
0
voti
Salve,
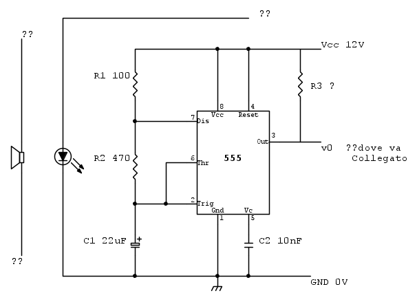
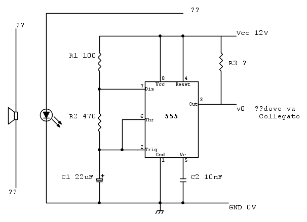
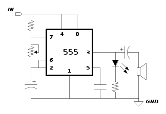
Provo allegare un inizio schema tutto da definire per vedere se si riuscira a completarlo, pultrppo non ho i valori esatti dei relativi condensatori e resistenze.
Provo allegare un inizio schema tutto da definire per vedere se si riuscira a completarlo, pultrppo non ho i valori esatti dei relativi condensatori e resistenze.
0
voti
[5] Re: LED acustico
Vendono i ripetitori ottico acustici per l'antincendio tipo questo:
http://www.fpmelettronica.it/cooper-csa ... 82551.html
Di solito vanno a 24 o 12 Vcc
Ciao
Giovanni
http://www.fpmelettronica.it/cooper-csa ... 82551.html
Di solito vanno a 24 o 12 Vcc
Ciao
Giovanni
0
voti
[6] Re: LED acustico
Se è per un cicalino di segnalazione con annesso LED, si potrebbe usare un oscillatore a transistor semplice semplice. Più o meno con 4 transitor te la dovresti cavare...
Oppure anche con delle porte logiche ad esempio un quad-NAND...
Oppure anche con delle porte logiche ad esempio un quad-NAND...
"La teoria attrae la pratica come il magnete attrae il ferro" C. Gauss
Seguitemi anche su youtube, un saluto da AT
https://www.youtube.com/c/atlaboratory
Seguitemi anche su youtube, un saluto da AT
https://www.youtube.com/c/atlaboratory
0
voti
[8] Re: LED acustico
scusa ma te questo led e questo beep come vuoi pilotarli?
vuoi connettere i 12V (con eventualmente interruttore) e che istantanemanete parta il suono?
o vuoi che mediante un segnale logico relativo allo stato di altra elettronica, ti si attivi il LED acustico?
vuoi connettere i 12V (con eventualmente interruttore) e che istantanemanete parta il suono?
o vuoi che mediante un segnale logico relativo allo stato di altra elettronica, ti si attivi il LED acustico?
0
voti
[9] Re: LED acustico
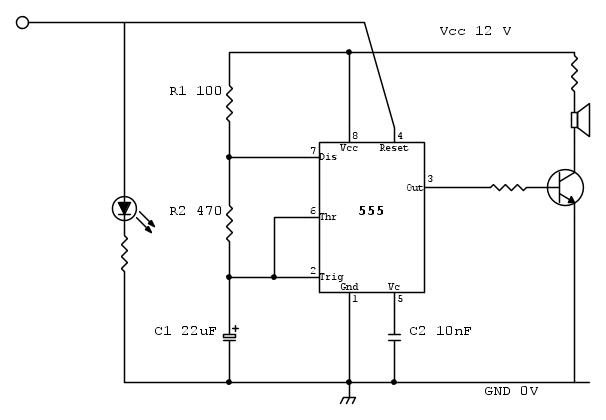
Anch'io, ancora non ho capito che cosa l'OP voglia fare ma immagino ( e se del caso attendo correzioni) che voglia far accendere un led ad una certa frequenza e contemporaneamente sentire un bip in un piccolo altoparlante.
Se ci ho indovinato e se l'altoparlante e' di picola potenza (0.2/0.5W) si puo' adottare il seguente schema:
Ho omesso volutamente i valori dei componenti visto che non e' stata indicata la tensione di alimentazione e la frequenza di lampeggio; con i valori esposti nello schema precedente la frequenza sarebbe intorno ai 60Hz per cui il led sarebbe visibilmente sempre acceso.
Se ci ho indovinato e se l'altoparlante e' di picola potenza (0.2/0.5W) si puo' adottare il seguente schema:
Ho omesso volutamente i valori dei componenti visto che non e' stata indicata la tensione di alimentazione e la frequenza di lampeggio; con i valori esposti nello schema precedente la frequenza sarebbe intorno ai 60Hz per cui il led sarebbe visibilmente sempre acceso.
marco
44 messaggi
• Pagina 1 di 5 • 1, 2, 3, 4, 5
Chi c’è in linea
Visitano il forum: Nessuno e 225 ospiti

Elettrotecnica e non solo (admin)
Un gatto tra gli elettroni (IsidoroKZ)
Esperienza e simulazioni (g.schgor)
Moleskine di un idraulico (RenzoDF)
Il Blog di ElectroYou (webmaster)
Idee microcontrollate (TardoFreak)
PICcoli grandi PICMicro (Paolino)
Il blog elettrico di carloc (carloc)
DirtEYblooog (dirtydeeds)
Di tutto... un po' (jordan20)
AK47 (lillo)
Esperienze elettroniche (marco438)
Telecomunicazioni musicali (clavicordo)
Automazione ed Elettronica (gustavo)
Direttive per la sicurezza (ErnestoCappelletti)
EYnfo dall'Alaska (mir)
Apriamo il quadro! (attilio)
H7-25 (asdf)
Passione Elettrica (massimob)
Elettroni a spasso (guidob)
Bloguerra (guerra)











