Ok capito.
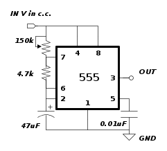
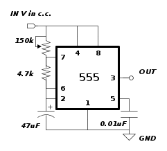
Proverei con questi valori che ti assicurano un'uscita alta per tempi che oscillano tra meno di un secondo a circa 5 secondi, regolabile tramite il trimmer.
Provalo su breadboard e, se c'e' qualcosa che non va, lo rivediamo.
P.S. Usa un trimmer multigiri, su genere di questo, altrimenti diventi matto per la regolazione.
Non so se questo progetto è alla mia portata
Moderatori:
carloc,
g.schgor,
BrunoValente,
IsidoroKZ
0
voti
Quello che avevo realizzato io mi permetteva di avere il segnale per un tot di tempo e farlo mancare solo per un piccolissimo intervallo. Quindi il duty cycle era molto elevato.
Con l'oscillatore che ho messo su grazie al tuo schema, sempre che io l'abbia fatto bene, ottengo un duty del 50% fisso. Posso regolare tramite il trimmer la durata degli stati, ma restano comunque uguali. Ad esempio 5 secondi ON e 5 secondi OFF.
A me serve qualcosa come 5 secondi ON e 100 ms OFF.
Grazie ancora.

Più so e più mi accorgo di non sapere.
Qualsiasi cosa abbia scritto, tieni presente che sono ancora al mio primo rocchetto di stagno.
Qualsiasi cosa abbia scritto, tieni presente che sono ancora al mio primo rocchetto di stagno.
0
voti
Dimenticavo:
Ho usato un trimmer normale che il multigiri non me lo trovavo, ma non credo cambi il succo dell'esperimento.

P.S. Usa un trimmer multigiri, su genere di questo, altrimenti diventi matto per la regolazione.
Ho usato un trimmer normale che il multigiri non me lo trovavo, ma non credo cambi il succo dell'esperimento.

Più so e più mi accorgo di non sapere.
Qualsiasi cosa abbia scritto, tieni presente che sono ancora al mio primo rocchetto di stagno.
Qualsiasi cosa abbia scritto, tieni presente che sono ancora al mio primo rocchetto di stagno.
1
voti
Non so se questo progetto è alla mia portata
Il primo metro per capire se lo è o meno, è la ricerca di qualche difficoltà da sormontare. Se vedi nel progetto almeno una o più difficoltà che ti sembra di non sapere affrontare, e ti rendi conto che dovrai farti consigliare od aiutare da altri, probabilmente è alla tua portata, perché rendendoti conto delle difficoltà a cui devi andare incontro probabilmente studierai ed affronterai i problemi nel modo corretto.
Se invece non vi vedrai alcuna difficoltà e ti cimenterai nella sua realizzazione senza pensarci sopra parecchie volte, allora non è alla tua portata perché non sai vedere le difficoltà del caso e quando ci sbatterai dentro, ti arrenderai ed il progetto resterà un nulla di fatto.
0
voti
Avevo individuato nel progetto delle difficoltà, ma non riuscivo a capire se erano sormontabili con un aiuto via-forum (preziosissimo e ben fornito) oppure era meglio "tornare sui libri" e rimandare la realizzazione.
Per fortuna, grazie all'aiuto degli amici di EY sono riuscito a superare le difficoltà iniziali, a divertirmi, e ormai sono ad un passo dalla realizzazione della lampada RGB con MP3.

Più so e più mi accorgo di non sapere.
Qualsiasi cosa abbia scritto, tieni presente che sono ancora al mio primo rocchetto di stagno.
Qualsiasi cosa abbia scritto, tieni presente che sono ancora al mio primo rocchetto di stagno.
0
voti
Allora non ci eravamo proprio capiti.
Comunque un duty cycle esasperato con quella configurazione e' difficile da ottenere; prova con queste varianti e vedi se funziona.
Cosi' avresti un DC massimo del 97% circa un TON di circa 5" ed un TOff di 0.15".
Altrimenti proveremo ad aggiungere un diodo in parallelo ad R2.
Comunque un duty cycle esasperato con quella configurazione e' difficile da ottenere; prova con queste varianti e vedi se funziona.
Cosi' avresti un DC massimo del 97% circa un TON di circa 5" ed un TOff di 0.15".
Altrimenti proveremo ad aggiungere un diodo in parallelo ad R2.
marco
0
voti
Ok, lo proverò.
Ora siccome ho appena abbrustolito il lettore MP3 perché gli ho buttato dentro 12V dovrò aspettare per il nuovo.
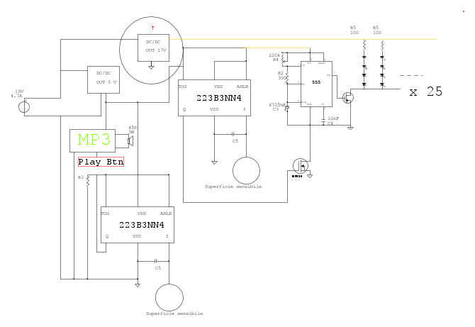
E allora mi studio meglio la tua soluzione 2 con 2 DC/DC converter, così faccio serie da 4 resistenze. E verrà fuori un progetto migliore.
La fumata nera è venuta dall'integrato a 8 pin vicino ai morsetti. Ma sopra non c'è scritto nulla. Dato il costo non credo convenga mettermi a ripararlo, ma se volessi farlo avete qualche idea di cosa può essere?
http://www.ebay.it/itm/311321616222?_tr ... EBIDX%3AIT
Ora siccome ho appena abbrustolito il lettore MP3 perché gli ho buttato dentro 12V dovrò aspettare per il nuovo.
E allora mi studio meglio la tua soluzione 2 con 2 DC/DC converter, così faccio serie da 4 resistenze. E verrà fuori un progetto migliore.
La fumata nera è venuta dall'integrato a 8 pin vicino ai morsetti. Ma sopra non c'è scritto nulla. Dato il costo non credo convenga mettermi a ripararlo, ma se volessi farlo avete qualche idea di cosa può essere?
http://www.ebay.it/itm/311321616222?_tr ... EBIDX%3AIT
Più so e più mi accorgo di non sapere.
Qualsiasi cosa abbia scritto, tieni presente che sono ancora al mio primo rocchetto di stagno.
Qualsiasi cosa abbia scritto, tieni presente che sono ancora al mio primo rocchetto di stagno.
0
voti
Allora, come vi dicevo capita che la mia compagna viene a trovarmi nel laboratorio e io per fare lo sborone volevo mettere su un po di musica, così ho mandato dentro l'MP3 12 V e si è fritto per bene!!!
Quindi mi sono dedicato allo studio della soluzione 2 di
marco438 ed ho ordinato quello che serve. Tale soluzione prevedeva l'uso di due DC/DC converter e spero di averla interpretata bene.
In realtà ho un dubbio sull'alimentazione del 555 che lui mi suggerisce a 5V. Io non so bene come impostare il circuito quindi ci provo, ma vi chiedo di controllarlo.
Questo sarebbe il circuito con il 555 alimentato a 17V, ma si friggerebbe secondo me perché ha una PD di 1180 mW, mentre i led ne bevono di più. Non so se ho ragione, ma vorrei capire come trasferire l'azione del 555 ai led, forse con un altro MOSFET?
Ho anche provato a stringere lo schema, ma di più non riesco.
nota sull'oscillatore per
marco438: ho provato il tuo circuito e ovviamente funziona, però la fase "off" dura troppo e si avverte un lampeggio della lampada troppo evidente. Ho quindi giocato, non so se bene, con il condensatore e la resistenza trovando l'ottimo nei tempi. Mi piacerebbe sapere che ne pensi, perché la mia è stata una prova empirica.
Come al solito un sentito ringraziamento a tutti i partecipanti! Buona illuminazione zen!

Quindi mi sono dedicato allo studio della soluzione 2 di
Questo sarebbe il circuito con il 555 alimentato a 17V, ma si friggerebbe secondo me perché ha una PD di 1180 mW, mentre i led ne bevono di più. Non so se ho ragione, ma vorrei capire come trasferire l'azione del 555 ai led, forse con un altro MOSFET?
Ho anche provato a stringere lo schema, ma di più non riesco.
Come al solito un sentito ringraziamento a tutti i partecipanti! Buona illuminazione zen!

Più so e più mi accorgo di non sapere.
Qualsiasi cosa abbia scritto, tieni presente che sono ancora al mio primo rocchetto di stagno.
Qualsiasi cosa abbia scritto, tieni presente che sono ancora al mio primo rocchetto di stagno.
0
voti
Allora, per quanto attiene il collegamento delle alimentazioni, ti ho corretto lo schema:
Purtroppo non ho seguito molto il thread e certe cose non le ho approfondite; stamani, guardando meglio il tutto mi sono reso conto che, in effetti, il secondo converter e' inutile. I led possono essere pilotati direttamente dall'alimentatore ricalcolando le resistenze.
Il converter che hai comprato (se hai preso quello che ti ho indicato), adoperalo per i 5V e per il resto, visto che e' piu' performante di quello che avevi.
Come vedi ho aggiunto un mosfet ma potrebbe essere benissimo un BJT da un paio di ampere; lo decideremo alla fine. Il 555 non puo' pilotare quel carico.
Per quanto attiene l'oscillatore, se mi dici che modifiche hai fatto, ti posso dare un parere.
Comunque se per te il risultato e' soddisfacente........
Purtroppo non ho seguito molto il thread e certe cose non le ho approfondite; stamani, guardando meglio il tutto mi sono reso conto che, in effetti, il secondo converter e' inutile. I led possono essere pilotati direttamente dall'alimentatore ricalcolando le resistenze.
Il converter che hai comprato (se hai preso quello che ti ho indicato), adoperalo per i 5V e per il resto, visto che e' piu' performante di quello che avevi.
Come vedi ho aggiunto un mosfet ma potrebbe essere benissimo un BJT da un paio di ampere; lo decideremo alla fine. Il 555 non puo' pilotare quel carico.
Per quanto attiene l'oscillatore, se mi dici che modifiche hai fatto, ti posso dare un parere.
Comunque se per te il risultato e' soddisfacente........
marco
0
voti
Ciao
marco438, ammetti di essere in affari con il cinese che mi ha venduto il DC/DC! Così ogni pollo che gli mandi te ne regala uno!
(si scherza ovviamente)
Le modifiche fatte all'oscillatore sono quelle che vedi nello schema. Ho preso il tuo schema e ho modificato i valori della resistenza e del condensatore. Spero di non aver esasperato il duty cycle del 555 così, però funziona.
Mantenendo le serie da 4 led, ottengo una resistenza di 153 ohm e li collego direttamente all'alimentatore.
Direi che ci siamo, non trovi? Devo solo aspettare qualche pezzo montare.

Le modifiche fatte all'oscillatore sono quelle che vedi nello schema. Ho preso il tuo schema e ho modificato i valori della resistenza e del condensatore. Spero di non aver esasperato il duty cycle del 555 così, però funziona.
Mantenendo le serie da 4 led, ottengo una resistenza di 153 ohm e li collego direttamente all'alimentatore.
Direi che ci siamo, non trovi? Devo solo aspettare qualche pezzo montare.

Più so e più mi accorgo di non sapere.
Qualsiasi cosa abbia scritto, tieni presente che sono ancora al mio primo rocchetto di stagno.
Qualsiasi cosa abbia scritto, tieni presente che sono ancora al mio primo rocchetto di stagno.
Chi c’è in linea
Visitano il forum: Nessuno e 80 ospiti

Elettrotecnica e non solo (admin)
Un gatto tra gli elettroni (IsidoroKZ)
Esperienza e simulazioni (g.schgor)
Moleskine di un idraulico (RenzoDF)
Il Blog di ElectroYou (webmaster)
Idee microcontrollate (TardoFreak)
PICcoli grandi PICMicro (Paolino)
Il blog elettrico di carloc (carloc)
DirtEYblooog (dirtydeeds)
Di tutto... un po' (jordan20)
AK47 (lillo)
Esperienze elettroniche (marco438)
Telecomunicazioni musicali (clavicordo)
Automazione ed Elettronica (gustavo)
Direttive per la sicurezza (ErnestoCappelletti)
EYnfo dall'Alaska (mir)
Apriamo il quadro! (attilio)
H7-25 (asdf)
Passione Elettrica (massimob)
Elettroni a spasso (guidob)
Bloguerra (guerra)






