Progetto d'esame: Alimentatore solare USB
Moderatori:
carloc,
g.schgor,
BrunoValente,
IsidoroKZ
1
voti
Potresti fare uno schema veloce di come hai collegato il tutto? Così, curiosità mia :).
"640K ought to be enough for anybody" Bill Gates (?) 1981
Qualcosa non ha funzionato...
Lo sapete che l'arroganza in informatica si misura in nanodijkstra?
Qualcosa non ha funzionato...
Lo sapete che l'arroganza in informatica si misura in nanodijkstra?
-

fairyvilje
15,0k 4 9 12 - G.Master EY

- Messaggi: 3047
- Iscritto il: 24 gen 2012, 19:23
0
voti
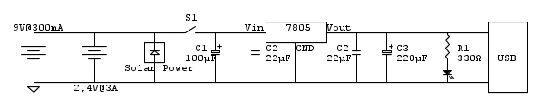
(Aspettate lo devo fare con FidoCadJ...)
Vi assicuro che funziona l'ho consegnato alla commissione e hanno detto che va più che bene.
Edit: caricato sul server.
-

LightSoul94
21 3 - New entry

- Messaggi: 74
- Iscritto il: 13 giu 2015, 0:25
1
voti
Ormai l'esame è fatto per carità, e se dici che funziona ti credo. Non so per quanto funzionerà. C'è un problema molto grave in quel circuito, come puoi mettere due batterie con caratteristiche così diverse in parallelo?
"640K ought to be enough for anybody" Bill Gates (?) 1981
Qualcosa non ha funzionato...
Lo sapete che l'arroganza in informatica si misura in nanodijkstra?
Qualcosa non ha funzionato...
Lo sapete che l'arroganza in informatica si misura in nanodijkstra?
-

fairyvilje
15,0k 4 9 12 - G.Master EY

- Messaggi: 3047
- Iscritto il: 24 gen 2012, 19:23
0
voti
fairyvilje ha scritto:come puoi mettere due batterie con caratteristiche così diverse in parallelo?
"Non farei mai parte di un club che accettasse la mia iscrizione" (G. Marx)
-

claudiocedrone
21,3k 4 7 9 - Master EY

- Messaggi: 15302
- Iscritto il: 18 gen 2012, 13:36
0
voti
datosi che il pannello mi fornisce poca energia ho posto questa soluzione "temporanea" e loro hanno accettata come soluzione valida
comunque ecco qui lo schema con FidoCADJ in modo che possiate riutilizzarlo:
comunque ecco qui lo schema con FidoCADJ in modo che possiate riutilizzarlo:
-

LightSoul94
21 3 - New entry

- Messaggi: 74
- Iscritto il: 13 giu 2015, 0:25
0
voti
Oltre a quello detto da
fairyvilje , se le pile stilo sono messe in serie avrai si 2,4V ma erogabili non 3 ma circa 1A


Ultima modifica di
danielepower il 29 giu 2015, 16:23, modificato 1 volta in totale.
-

danielepower
597 4 6 - Sostenitore

- Messaggi: 515
- Iscritto il: 6 dic 2014, 17:58
0
voti
si ma per evitare un sovraccarico ho fatto così, non ci scordiamo che sono 3 generatori... comunque ovviamente è una soluzione momentanea, e datosi che è solo un prototipo è accettabile come soluzione ripeto "temporanea"
-

LightSoul94
21 3 - New entry

- Messaggi: 74
- Iscritto il: 13 giu 2015, 0:25
0
voti

"Non farei mai parte di un club che accettasse la mia iscrizione" (G. Marx)
-

claudiocedrone
21,3k 4 7 9 - Master EY

- Messaggi: 15302
- Iscritto il: 18 gen 2012, 13:36
0
voti
Io sarei stato un po' più diplomatico visto che ha passato gli esami e finalmente può respirare
.
Però
claudiocedrone ha sostanzialmente ragione. Saluti :)
Però
"640K ought to be enough for anybody" Bill Gates (?) 1981
Qualcosa non ha funzionato...
Lo sapete che l'arroganza in informatica si misura in nanodijkstra?
Qualcosa non ha funzionato...
Lo sapete che l'arroganza in informatica si misura in nanodijkstra?
-

fairyvilje
15,0k 4 9 12 - G.Master EY

- Messaggi: 3047
- Iscritto il: 24 gen 2012, 19:23
Chi c’è in linea
Visitano il forum: Google [Bot] e 266 ospiti

Elettrotecnica e non solo (admin)
Un gatto tra gli elettroni (IsidoroKZ)
Esperienza e simulazioni (g.schgor)
Moleskine di un idraulico (RenzoDF)
Il Blog di ElectroYou (webmaster)
Idee microcontrollate (TardoFreak)
PICcoli grandi PICMicro (Paolino)
Il blog elettrico di carloc (carloc)
DirtEYblooog (dirtydeeds)
Di tutto... un po' (jordan20)
AK47 (lillo)
Esperienze elettroniche (marco438)
Telecomunicazioni musicali (clavicordo)
Automazione ed Elettronica (gustavo)
Direttive per la sicurezza (ErnestoCappelletti)
EYnfo dall'Alaska (mir)
Apriamo il quadro! (attilio)
H7-25 (asdf)
Passione Elettrica (massimob)
Elettroni a spasso (guidob)
Bloguerra (guerra)
