Salve a tutti, sto ideando un caricatore per batterie ricaricabili da 9V@300mA.
Non sono sicuro della posizione del fusibile. Qualcuno mi ha detto che si mette in serie tra la presa e il primo avvolgimento del trasformatore confermate?
So che per calcolare il potere di apertura di un fusibile bisogna considerare la potenza massima del carico ponendola nella classica forma della legge di ohm:
I=V/P
Quindi se da rete ho a disposizione 230V e la potenza del mio apparecchio è di circa 3W il fusibile deve avere un potere di apertura di 85mA???? Ho capito bene?
Caricatore pila 9V aiuto per il fusibile
Moderatori:
carloc,
g.schgor,
BrunoValente,
IsidoroKZ
20 messaggi
• Pagina 1 di 2 • 1, 2
1
voti
A parte il fusibile, vedo che non hai ancora capito che per caricare una pila da 9V la tensione deve essere superiore e non uguale a quella nominale della batteria.
marco
0
voti
Vero... quindi 7812... ritornando al fusibile, come si dimensiona?
-

LightSoul94
21 3 - New entry

- Messaggi: 74
- Iscritto il: 13 giu 2015, 0:25
1
voti
Il fusibile posto sul circuito primario del trafo protegge solamente da un eventuale corrente di cortocircuito,e in quel caso deve anche considerare la corrente di inserzione del trafo stesso. Per una protezione da sovraccarico il fusibile va inserito nel circuito secondario considerando il valore della corrente nominale di assorbimento del carico con un valore superiore per evitare interventi imprevisti da eventuali picchi di inserimento.
Pertanto nel caso in questione se il carico assorbe un'intensità di corrente di 300mA un fusibile di tipo F di 400 mA è sufficiente.
Pertanto nel caso in questione se il carico assorbe un'intensità di corrente di 300mA un fusibile di tipo F di 400 mA è sufficiente.
0
voti
Ok. Quindi come l'ho messo io il fusibile protegge il sistema da cortocircuito. nel caso in cui volessi proteggerlo da sovraccarico basta porlo sempre in serie nell'avvolgimento secondario.
Ma nel caso in cui volessi prevenire entrambi i casi avrei bisogno di inserire due fusibili uno al primario e uno al secondario?
Ma nel caso in cui volessi prevenire entrambi i casi avrei bisogno di inserire due fusibili uno al primario e uno al secondario?
-

LightSoul94
21 3 - New entry

- Messaggi: 74
- Iscritto il: 13 giu 2015, 0:25
0
voti
Entrambi dello stesso valore cioè in questo caso fusibili di tipo F 400mA?
-

LightSoul94
21 3 - New entry

- Messaggi: 74
- Iscritto il: 13 giu 2015, 0:25
0
voti
Forse e' meglio se, invece di preoccuparti dei fusibili, pensi ad un progetto migliore.
Quello non puo' funzionare nemmeno con un regolatore a 12V.
Quello non puo' funzionare nemmeno con un regolatore a 12V.
marco
0
voti

"Non farei mai parte di un club che accettasse la mia iscrizione" (G. Marx)
-

claudiocedrone
21,3k 4 7 9 - Master EY

- Messaggi: 15302
- Iscritto il: 18 gen 2012, 13:36
0
voti
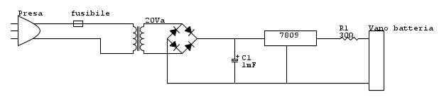
Sarebbe anche interessante sapere che cosa sta ad indicare quel 20Va sul trasformatore in schema e il valore del condensatore elettrolitico 1mF.
marco
20 messaggi
• Pagina 1 di 2 • 1, 2
Chi c’è in linea
Visitano il forum: Nessuno e 213 ospiti

Elettrotecnica e non solo (admin)
Un gatto tra gli elettroni (IsidoroKZ)
Esperienza e simulazioni (g.schgor)
Moleskine di un idraulico (RenzoDF)
Il Blog di ElectroYou (webmaster)
Idee microcontrollate (TardoFreak)
PICcoli grandi PICMicro (Paolino)
Il blog elettrico di carloc (carloc)
DirtEYblooog (dirtydeeds)
Di tutto... un po' (jordan20)
AK47 (lillo)
Esperienze elettroniche (marco438)
Telecomunicazioni musicali (clavicordo)
Automazione ed Elettronica (gustavo)
Direttive per la sicurezza (ErnestoCappelletti)
EYnfo dall'Alaska (mir)
Apriamo il quadro! (attilio)
H7-25 (asdf)
Passione Elettrica (massimob)
Elettroni a spasso (guidob)
Bloguerra (guerra)


