Cos'è ElectroYou | Login Iscriviti

ElectroYou - la comunità dei professionisti del mondo elettrico

Dinamica del primo ordine in presenza di interruttori

Circuiti, campi elettromagnetici e teoria delle linee di trasmissione e distribuzione dell’energia elettrica

Moderatori: Foto Utenteg.schgor, Foto UtenteIsidoroKZ

0
voti

[1] Dinamica del primo ordine in presenza di interruttori

Messaggioda Foto UtenteLondoneye » 2 lug 2015, 11:15

Salve a tutti ragazzi/e O_/

volevo porvi un dubbio e se è possibile avere qualche chiarimento in merito.
Allora, sto facendo un esercizio sulla dinamica del primo ordine in cui è presente un interruttore.
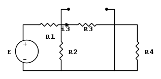
Di seguito il testo:



R_1=R_2 = 10 \Omega
R_3= 5 \Omega ; R_4=10 \Omega
C=50 mF; E=30V

Il circuito è in regime stazionario per t<0, prima dell'apertura dell'interruttore. Determinare l'andamento dell'intensità di corrente i_3(t), per t<0 e t\geq 0.

Allora ho iniziato a fare questo ragionamento: Sono in regime stazionario, quindi il mio condensatore si comporta come un circuito aperto e l'interruttore prima dell'istante t=0 risulta chiuso. Quindi ho questo circuito da studiare:



v_c=v_3=R_3i_3

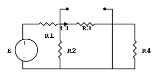
Opero le riduzioni serie-parallelo dove opportuno, R_4 è in parallelo con un cortocircuito, per cui non la considero nel calcolo della resistenza equivalente.
R_a= (R_2||R_3) = 3.33 \Omega

Lavoro sul seguente circuito :


Applico il partitore per trovare la tensione:
v_c0= E \frac{R_a}{R_a+R_1} \cong 7,5V


Adesso sorge il mio dubbio: devo calcolare la tensione per t\geq 0; sono ancora in regime stazionario. Come devo considerare l'interruttore in questo caso? Aperto? Se si, il resistore R_4 come si comporta, cioè qual è l'effetto dell'interruttore aperto su di esso?

Spero di non aver scritto qualche amenità finora nel procedimento.
Grazie a tutti per l'aiuto.
Avatar utente
Foto UtenteLondoneye
120 7
Frequentatore
Frequentatore
 
Messaggi: 108
Iscritto il: 8 ago 2012, 13:32

1
voti

[2] Re: Dinamica del primo ordine in presenza di interruttori

Messaggioda Foto Utentelillo » 2 lug 2015, 12:06

posso risponderti al volo, purtroppo non posso essere al momento più esaustivo:
in t<0 hai trovato quelle che sono le condizioni iniziali.
dal disegno si capisce che in t=0 l'interruttore apre, quindi il circuito passa ad una nuova configurazione.
con il tasto aperto R4 non è più così inutile....
appena il tasto vi è un evoluzione dinamica del circuito, insomma un transitorio, durante il quale cambieranno le grandezze (tensione e corrente) sui vari componenti.
al termine del transitorio il circuito torna in regime stazionario, con le considerazioni del caso.
comunque un metodo semplice è quello di trovare l'equivalente di Thevenin ai capi del condensatore, il tutto si riduce a un circuito RC elementare, risolvibile con una semplice eq, differenziale del primo ordine.
in definitiva qualsiasi circuito del primo ordine avrà una soluzione di questo tipo:

v(t)=(v(0)-v(\infty))\text{e}^{-t/\tau}+v(\infty)

con
\tau=CR_{eq}
dove Req è la resistenza vista dal condensatore

ma ultimamente sono strafatto... aspetta conferme :lol:
PS: metti dei pallini nei punti di connessione del circuito!
Avatar utente
Foto Utentelillo
20,5k 7 12 13
G.Master EY
G.Master EY
 
Messaggi: 4172
Iscritto il: 25 nov 2010, 11:30
Località: Nuovo Mondo

1
voti

[3] Re: Dinamica del primo ordine in presenza di interruttori

Messaggioda Foto UtenteIsidoroKZ » 2 lug 2015, 13:51

Proseguo la risposta di Foto Utentelillo, supponendo che possa usare la formula indicata nel post precedente.

Conviene lavorare sulla tensione sul condensatorem che non ha gradini e salti dato che e` una variabile di stato, poi la tensione sul condensatore divisa per la resistenza R3 ti da` I3. In questo circuito parlare di tensione sul condensatore o di corrente attraverso R3 e` la stessa cosa, a meno del fattore R3.
In altri componenti invece, quando si ha un interruttore che si apre o chiude, puoi avere un salto di tensione ai loro capi. Ad esempio se volessi calcolare la tensione su R4 avresti un salto fra t^- e t^+

Nella formula di lillo, il valore di v_c(\infty) o anche i_{R3}(\infty) lo trovi considerando una situazione a regime con il condensatore aperto e anche l'interruttore aperto. Questa corrente e` piu` piccola di quella che avevi per t<0.

La tensione iniziale sul condensatore, subito dopo che hai aperto l'interruttore, e` uguale a quella che c'era sul condensatore subito prima che aprissi l'interruttore e questo vuol dire che anche la corrente attraverso R3 un attimo dopo aver aperto l'interruttore e` uguale a quella che c'era subito prima che aprissi l'interruttore: i_{R3}(0^-)=i_{R3}(0^+).

L'evoluzione della corrente vale quindi i_{R3}=(i_{R3}(0^+)-i_{R3}(\infty)\text{e}^{-t/\tau}+i_{R3}(\infty)
I due valori delle correnti li trovi facilmente, anzi uno mi pare lo abbia gia` calcolato, la costante di tempo ti e` gia` stato detto come trovarla, e sei a posto.

Da notare che per preferenze personali non ho usato l'equivalente Thevenin, ma va benissimo anche quello.
Per usare proficuamente un simulatore, bisogna sapere molta più elettronica di lui
Plug it in - it works better!
Il 555 sta all'elettronica come Arduino all'informatica! (entrambi loro malgrado)
Se volete risposte rispondete a tutte le mie domande
Avatar utente
Foto UtenteIsidoroKZ
121,2k 1 3 8
G.Master EY
G.Master EY
 
Messaggi: 21059
Iscritto il: 17 ott 2009, 0:00

0
voti

[4] Re: Dinamica del primo ordine in presenza di interruttori

Messaggioda Foto UtenteLondoneye » 2 lug 2015, 16:48

Foto UtenteIsidoroKZ, Foto Utentelillo

grazie per le dritte. La soluzione proposta dal prof è questa:

v_c\infty= \frac{E}{R_1+R_2||(R_3+R_4)} \frac{R_2}{R_2+R_3+R_4}R_3

solo che onestamente non ho capito bene cosa ha fatto...
o meglio io vedo "corrente nel circuito",corrente su i3 tutto moltiplicato per il resistore R3 ma non ne sono sicura.
Avatar utente
Foto UtenteLondoneye
120 7
Frequentatore
Frequentatore
 
Messaggi: 108
Iscritto il: 8 ago 2012, 13:32

1
voti

[5] Re: Dinamica del primo ordine in presenza di interruttori

Messaggioda Foto UtenteIsidoroKZ » 2 lug 2015, 17:12

La corrente in R3 dopo che l'interruttore e` aperto da tanto tempo e` quella che calcoli da questo circuito

Se guardi l'espressione che hai scritto vedi che il primo fattore

I_E= \frac{E}{R_1+R_2||(R_3+R_4)}

e` la corrente che esce dal generatore, ottenuta come E/resistenza vista dal generatore.

Il secondo fattore

\frac{R_2}{R_2+R_3+R_4}

e` il partitore di corrente fra R2 (ramo che non ti interessa) e R3+R4, ramo che ti interessa. Una volta che hai la corrente attraverso R3, moltiplichi questa corrente per R3 e hai la tensione su R3, e quindi anche su C quando t->oo.
Per usare proficuamente un simulatore, bisogna sapere molta più elettronica di lui
Plug it in - it works better!
Il 555 sta all'elettronica come Arduino all'informatica! (entrambi loro malgrado)
Se volete risposte rispondete a tutte le mie domande
Avatar utente
Foto UtenteIsidoroKZ
121,2k 1 3 8
G.Master EY
G.Master EY
 
Messaggi: 21059
Iscritto il: 17 ott 2009, 0:00

0
voti

[6] Re: Dinamica del primo ordine in presenza di interruttori

Messaggioda Foto UtenteLondoneye » 2 lug 2015, 17:16

Foto UtenteIsidoroKZ

grazie mi è più chiaro, termino e posto l'esercizio completo.
Avatar utente
Foto UtenteLondoneye
120 7
Frequentatore
Frequentatore
 
Messaggi: 108
Iscritto il: 8 ago 2012, 13:32

0
voti

[7] Re: Dinamica del primo ordine in presenza di interruttori

Messaggioda Foto UtenteLondoneye » 2 lug 2015, 19:30

Studio il circuito per t\geq 0




la tensione v_c è calcolata in maniera analoga al caso t<0 con la differenza che adesso, essendo aperto l'interruttore, c'è anche il contributo del resistore R_4

v_3=R_3i_3
Calcolo la corrente vista dal generatore E:
I_E= \frac{E }{(R_1+R_2)||(R_3+R_4)}= 3.5A

Calcolo ora la corrente nel ramo R_3
i_3= I_E \frac{R_2}{R_2+R_3+R_4}=1.4A

La tensione: v_C= R_3i_3=7V

L'espressione generale della soluzione è data da: V_c(t)=A^{ \frac{-1}{ReqC}t}+ v_c\propto
dove Req= R_3||[R4+(R_1+R_2)]=3.75 \Omega e \frac{1}{ReqC}=5.33

Imponendo la condizione iniziale, calcolo la costante A:
A +7.5=7 
 A=-7.5+7=-0.5

quindi v_c(t)=-0.5 e^{-5.33t} +7

in definitiva: i_{R_3}(t)=\frac{V_c(t)}{R_3}

Spero non aver fatto errori.
Avatar utente
Foto UtenteLondoneye
120 7
Frequentatore
Frequentatore
 
Messaggi: 108
Iscritto il: 8 ago 2012, 13:32

0
voti

[8] Re: Dinamica del primo ordine in presenza di interruttori

Messaggioda Foto UtenteIsidoroKZ » 2 lug 2015, 20:04

Non va. Hai scritto R1+R2, che vuol dire che R1 e` in serie ad R2.

QUando due bipoli sono in serie?

Prova a seguire questi passi

1) Come sono collegate R3 ed R4?

prendiamo queste due resistenze: insieme avranno un valore di resistenza R34.

2) Come sono collegate R34 ed R2?

Mettiamo insieme R34 ed R2: la resistenza totale la chiamo R234

3) Come sono collegate R1 ed R234?
Per usare proficuamente un simulatore, bisogna sapere molta più elettronica di lui
Plug it in - it works better!
Il 555 sta all'elettronica come Arduino all'informatica! (entrambi loro malgrado)
Se volete risposte rispondete a tutte le mie domande
Avatar utente
Foto UtenteIsidoroKZ
121,2k 1 3 8
G.Master EY
G.Master EY
 
Messaggi: 21059
Iscritto il: 17 ott 2009, 0:00

0
voti

[9] Re: Dinamica del primo ordine in presenza di interruttori

Messaggioda Foto UtenteLondoneye » 2 lug 2015, 21:32

in realtà ho sbagliato a scrivere, perché sul quaderno avevo fatto

Req= R_3||[R4+(R_1||R_2)]=3.75 \Omega

è l'unico errore della resistenza equivalente?
Avatar utente
Foto UtenteLondoneye
120 7
Frequentatore
Frequentatore
 
Messaggi: 108
Iscritto il: 8 ago 2012, 13:32

1
voti

[10] Re: Dinamica del primo ordine in presenza di interruttori

Messaggioda Foto UtenteIsidoroKZ » 2 lug 2015, 22:42

La resistenza equivalente vista dal condensatore, quella che serve per calcolare la costante di tempo, e` giusta.
Per usare proficuamente un simulatore, bisogna sapere molta più elettronica di lui
Plug it in - it works better!
Il 555 sta all'elettronica come Arduino all'informatica! (entrambi loro malgrado)
Se volete risposte rispondete a tutte le mie domande
Avatar utente
Foto UtenteIsidoroKZ
121,2k 1 3 8
G.Master EY
G.Master EY
 
Messaggi: 21059
Iscritto il: 17 ott 2009, 0:00

Prossimo

Torna a Elettrotecnica generale

Chi c’è in linea

Visitano il forum: Nessuno e 5 ospiti