Comunque per non creare confusione se
Montaggio Crepuscolare, collegamento cavi
Moderatori:
sebago,
MASSIMO-G,
lillo,
Mike
28 messaggi
• Pagina 2 di 3 • 1, 2, 3
0
voti
Comunque per non creare confusione se
MCSA Windows Server 2012 R2
Cisco CCNA R&S - Cisco CCNA Security - Cisco CCNA Cyber Ops
CompTia A+ - CompTia Linux+ - CompTIA Systems Support Specialist CSSS
CompTia Pentest+ LPIC-1 - VCP VMware - Cisco CCNP Enterprise
Cisco CCNA R&S - Cisco CCNA Security - Cisco CCNA Cyber Ops
CompTia A+ - CompTia Linux+ - CompTIA Systems Support Specialist CSSS
CompTia Pentest+ LPIC-1 - VCP VMware - Cisco CCNP Enterprise
0
voti
non lo metto in dubbio, ma in quel modo (disegno di orionis) non ha senso
Ognuno sta solo sul cuor della terra
trafitto da un raggio di sole:
ed è subito sera
Salvatore Quasimodo
trafitto da un raggio di sole:
ed è subito sera
Salvatore Quasimodo
0
voti
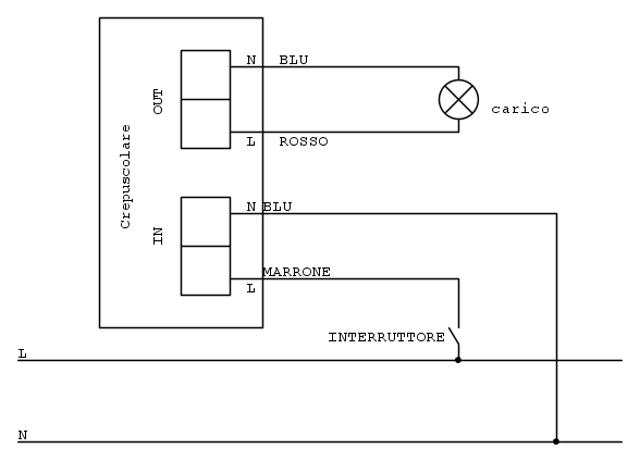
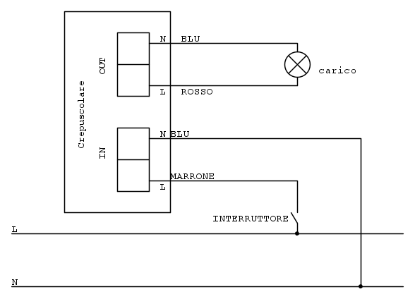
Su questo non c'è dubbio anche perché il dispositivo non prevede l' out del neutro
MCSA Windows Server 2012 R2
Cisco CCNA R&S - Cisco CCNA Security - Cisco CCNA Cyber Ops
CompTia A+ - CompTia Linux+ - CompTIA Systems Support Specialist CSSS
CompTia Pentest+ LPIC-1 - VCP VMware - Cisco CCNP Enterprise
Cisco CCNA R&S - Cisco CCNA Security - Cisco CCNA Cyber Ops
CompTia A+ - CompTia Linux+ - CompTIA Systems Support Specialist CSSS
CompTia Pentest+ LPIC-1 - VCP VMware - Cisco CCNP Enterprise
0
voti
intanto ciao di nuovo a tutti e grazie a MassimoB e Orionis!!
Sono andato a parlare con un addetto nel reparto di elettronica, che mi sembrava preparato...credo,
e mi ha detto che come ho il mio impianto di luci ora, nel senso come ho attaccato le luci (vedi immagine allegata) non lo posso usare a meno che io aggiunga un cavo che parta dall'ultima luce per tornare all'interruttore...sinceramente non ho capito!
Comunque mi ha disegnato il diagramma di come dovrebbe essere fatto un impianto del genere,
e lo riporto sempre nell'immagine allegata, dove mostro anche quello attuale dove i cavi blu e marrone sono stati attaccati alla luce per poi ripartire per la prossima luce, fino ad arrivare all'ultima.
mi ha detto che non sarebbe mai funzionato sull'impianto attuale.
siccome avrei messo il sensore vicino alla casetta di legno portaattrezzi, ho preso il cavo dopo l'interruttore, l'ho tagliato ed ogni estremità, con un piccolo foro, l'ho fatta entrare nella casetta di legno. Alle rispettive 2 estremità ho attaccato due prese di corrente (un maschio e una femmina) ed ho attaccato una presa temporizzata, quella con le levette che abbassi per capirci, il tutto ora funziona.
Avrei preferito quella con il crepuscolare, ma non mi andava di cambiare/rifare l'impianto!
PS: tanto per curiosità, aveva ragione? cosi come era l'impianto avrebbe funzionato?
grazie id nuovo per il vostro contributo

Sono andato a parlare con un addetto nel reparto di elettronica, che mi sembrava preparato...credo,
e mi ha detto che come ho il mio impianto di luci ora, nel senso come ho attaccato le luci (vedi immagine allegata) non lo posso usare a meno che io aggiunga un cavo che parta dall'ultima luce per tornare all'interruttore...sinceramente non ho capito!
Comunque mi ha disegnato il diagramma di come dovrebbe essere fatto un impianto del genere,
e lo riporto sempre nell'immagine allegata, dove mostro anche quello attuale dove i cavi blu e marrone sono stati attaccati alla luce per poi ripartire per la prossima luce, fino ad arrivare all'ultima.
mi ha detto che non sarebbe mai funzionato sull'impianto attuale.
siccome avrei messo il sensore vicino alla casetta di legno portaattrezzi, ho preso il cavo dopo l'interruttore, l'ho tagliato ed ogni estremità, con un piccolo foro, l'ho fatta entrare nella casetta di legno. Alle rispettive 2 estremità ho attaccato due prese di corrente (un maschio e una femmina) ed ho attaccato una presa temporizzata, quella con le levette che abbassi per capirci, il tutto ora funziona.
Avrei preferito quella con il crepuscolare, ma non mi andava di cambiare/rifare l'impianto!
PS: tanto per curiosità, aveva ragione? cosi come era l'impianto avrebbe funzionato?
grazie id nuovo per il vostro contributo
1
voti
Attilio ha scritto:Orionis, a che crepuscolare fa riferimento il tuo disegno?
il morsetto "N" (passante) sull'uscita credo di non averlo mai visto, di solito sono dispositivi a 3 morsetti
e comunque quel collegamento non ha senso, il neutro sul morsetto "out" si va a ricollegare alla linea e quindi è un "in"
Non ricordo il modello; posso controllare stasera quello installato, oppure se riesco a trovarla dovrei avere ancora la confezione con il foglio. Comunque, di certo ha 2 gruppi da 2 morsetti l'uno.
Per il disegno, mi scuso ma come detto non sono esperto in questi schemi.
Se ho capito bene l'osservazione, forse doveva essere fatto cosi':
Nemmeno gli Dei possono nulla contro la stupidità umana ?
0
voti
Ho dimenticato l'allegato prima!
Ma state parlando tra di voi????
Comunque così è come ho collegato le luci
Ma state parlando tra di voi????
Comunque così è come ho collegato le luci
- Allegati
-
- image.jpg (11.29 KiB) Osservato 5853 volte
0
voti
Così come dovrebbero essere collegate!!!
0
voti
sì, forse le vecchie luminarie degli alberi di natale o delle feste paesane! (quelle più evolute avevano gli shunt per evitare che all'interruzione di una lampada si spegnessero tutte le altre)
salvo accrocchi particolari le lampade a 230 V, vanno collegate in parallelo
è possibile che con la dicitura "in serie" si volesse erroneamente esprimere il concetto "in cascata", ovvero in sequenza, una dopo l'altra
il collegamento però è sempre in entra ed esci e in parallelo
salvo accrocchi particolari le lampade a 230 V, vanno collegate in parallelo
è possibile che con la dicitura "in serie" si volesse erroneamente esprimere il concetto "in cascata", ovvero in sequenza, una dopo l'altra
il collegamento però è sempre in entra ed esci e in parallelo
Ognuno sta solo sul cuor della terra
trafitto da un raggio di sole:
ed è subito sera
Salvatore Quasimodo
trafitto da un raggio di sole:
ed è subito sera
Salvatore Quasimodo
0
voti
maxcapo ha scritto:Ma state parlando tra di voi????
Il forum serve per confrontare varie idee e nel contempo cercare la soluzione migliore per chi ha posto la domanda.
Quindi no, non parliamo tra di noi, ci confrontiamo su un argomento per cercare la soluzione migliore

MCSA Windows Server 2012 R2
Cisco CCNA R&S - Cisco CCNA Security - Cisco CCNA Cyber Ops
CompTia A+ - CompTia Linux+ - CompTIA Systems Support Specialist CSSS
CompTia Pentest+ LPIC-1 - VCP VMware - Cisco CCNP Enterprise
Cisco CCNA R&S - Cisco CCNA Security - Cisco CCNA Cyber Ops
CompTia A+ - CompTia Linux+ - CompTIA Systems Support Specialist CSSS
CompTia Pentest+ LPIC-1 - VCP VMware - Cisco CCNP Enterprise
28 messaggi
• Pagina 2 di 3 • 1, 2, 3
Torna a Impianti, sicurezza e quadristica
Chi c’è in linea
Visitano il forum: Nessuno e 85 ospiti

Elettrotecnica e non solo (admin)
Un gatto tra gli elettroni (IsidoroKZ)
Esperienza e simulazioni (g.schgor)
Moleskine di un idraulico (RenzoDF)
Il Blog di ElectroYou (webmaster)
Idee microcontrollate (TardoFreak)
PICcoli grandi PICMicro (Paolino)
Il blog elettrico di carloc (carloc)
DirtEYblooog (dirtydeeds)
Di tutto... un po' (jordan20)
AK47 (lillo)
Esperienze elettroniche (marco438)
Telecomunicazioni musicali (clavicordo)
Automazione ed Elettronica (gustavo)
Direttive per la sicurezza (ErnestoCappelletti)
EYnfo dall'Alaska (mir)
Apriamo il quadro! (attilio)
H7-25 (asdf)
Passione Elettrica (massimob)
Elettroni a spasso (guidob)
Bloguerra (guerra)




