Salve,
vi contatto perché ho provato riportare uno schemino che ho trovato in rete ma non mi funziona sicuramente sto sbagliando qualcosa.
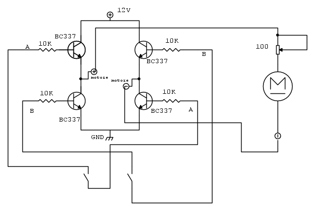
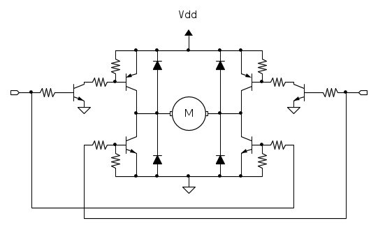
Vi allego lo schema come l'ho trovato;
inversione di marcia con regolazione giri
Moderatori:
carloc,
g.schgor,
BrunoValente,
IsidoroKZ
39 messaggi
• Pagina 1 di 4 • 1, 2, 3, 4
0
voti
Sarebbe bene che prima di fare un progetto elettronico si studi un po' di elettronica e si capisca un po' come funzionano e come si devono interfacciare i componenti.
Il primo errore (abbastanza brutto) che stai commettendo è che non stai pilotando bene i transistori. Come si accende un transistore NPN ?
Secondo, gli NPN in alto meglio sostituirli con dei PNP. Se metti gli NPN questi lavoreranno in zona attiva e scalderanno di più e si mangeranno più tensione.. Se metti i PNP potrai farli lavorare in saturazione.
Terzo, mancano di diodi di ricircolo.
A cosa serve il potenziometro ?
Il primo errore (abbastanza brutto) che stai commettendo è che non stai pilotando bene i transistori. Come si accende un transistore NPN ?
Secondo, gli NPN in alto meglio sostituirli con dei PNP. Se metti gli NPN questi lavoreranno in zona attiva e scalderanno di più e si mangeranno più tensione.. Se metti i PNP potrai farli lavorare in saturazione.
Terzo, mancano di diodi di ricircolo.
A cosa serve il potenziometro ?
0
voti
Il potenziometro dovrebbe servire a variarei giri del motore.
Per non creare ulteriore confusione ti allego il video originale.
https://www.youtube.com/watch?v=VNofNAAm2ts
Per non creare ulteriore confusione ti allego il video originale.
https://www.youtube.com/watch?v=VNofNAAm2ts
0
voti
illuminor ha scritto:Il potenziometro dovrebbe servire a variarei giri del motore.
Beh, non è sembra la scelta migliore.
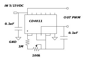
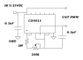
Se vuoi regolare la velocità di un motore in continua è molto meglio una regolazione PWM.
Con il potenziometro si spreca solo potenza.
Poi, l'autore del video cita i diodi di protezione e poi non li usa. Roba da matti.
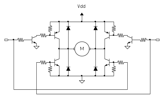
Lo schema di base a cui faccio riferimento nel mio post precedente è questo:
0
voti
Concordo con
simo85 per il "roba da matti"; sara' forse la mia avversione verso YouTube su cui si trova di tutto e.....di meno.
Ora
illuminor, se lo fai per imparare, fallo studiando sui libri e segui lo schema che ti ha proposto Simo; diversamente ci sono ponti H integrati che risolvono con minor spazio e meno costo (L293D mi pare).
Ora
marco
0
voti
La modulazione PWM è meglio farla unipolare ( cioè i transistor lavorano in modo indipendente evitando però cortocircuiti di gamba ) perche raddoppi la frequenza della tensione d'uscita facendo vibrare meno il motore... comunque è bene filtrare la tensione Vo con un filtro LC con una frequenza di taglio inferiore a quella con cui comandi gli switch (anche se il motore di suo già farà da filtro ma non sai da che frequenza in poi)...
-

andreacircuit9
93 1 2 - Messaggi: 49
- Iscritto il: 10 mag 2013, 19:49
1
voti
andreacircuit9 ha scritto:La modulazione PWM è meglio farla unipolare .....
Potresti chiarire meglio?
Comunque e come gia' detto, se non e' per studio, quel circuito si puo' fare tranquillamente con un PWM come questo:
eventualmente implementato con un BJT o un mosfet (a seconda della potenza del motore) e la commutazione puo' essere fatta con un comune deviatore DPDT.
marco
0
voti
Come schema completo realizzabile può essere coretto come lo riportato?
Ora come ci collego linteruttore che inverte la marcia ed il motore come va collegato?
Ora come ci collego linteruttore che inverte la marcia ed il motore come va collegato?
0
voti
Lo schema va implementato (l'ho gia' scritto) ma non posso dirti come se non esponi le caratteristiche del motore che ci devi collegare.
Se vuoi che continuiamo, cerca di rispondere esaurientemente alle domande, altrimenti perdiamo solo tempo inutilmente.
Poi, vediamo come collegare il deviatore ed il motore.
Se vuoi che continuiamo, cerca di rispondere esaurientemente alle domande, altrimenti perdiamo solo tempo inutilmente.
Poi, vediamo come collegare il deviatore ed il motore.
marco
0
voti
Pultroppo il motorino non ci sono dati riguardanti il tipo di motore li avrei gia segnati, le uniche cose scritte sono
la marca= lihong
il codice, credo= GTB - 18280
e la data, tutte cose che non ci servono.
A questo punto credo per proseguire se c'è un modo per trovare i dati che servono lo devo fare in qualche altro modo. Non saprei come, mi sapresti suggerire come prendere i dati che t servono?
la marca= lihong
il codice, credo= GTB - 18280
e la data, tutte cose che non ci servono.
A questo punto credo per proseguire se c'è un modo per trovare i dati che servono lo devo fare in qualche altro modo. Non saprei come, mi sapresti suggerire come prendere i dati che t servono?
39 messaggi
• Pagina 1 di 4 • 1, 2, 3, 4
Chi c’è in linea
Visitano il forum: Google [Bot], Google Adsense [Bot] e 38 ospiti

Elettrotecnica e non solo (admin)
Un gatto tra gli elettroni (IsidoroKZ)
Esperienza e simulazioni (g.schgor)
Moleskine di un idraulico (RenzoDF)
Il Blog di ElectroYou (webmaster)
Idee microcontrollate (TardoFreak)
PICcoli grandi PICMicro (Paolino)
Il blog elettrico di carloc (carloc)
DirtEYblooog (dirtydeeds)
Di tutto... un po' (jordan20)
AK47 (lillo)
Esperienze elettroniche (marco438)
Telecomunicazioni musicali (clavicordo)
Automazione ed Elettronica (gustavo)
Direttive per la sicurezza (ErnestoCappelletti)
EYnfo dall'Alaska (mir)
Apriamo il quadro! (attilio)
H7-25 (asdf)
Passione Elettrica (massimob)
Elettroni a spasso (guidob)
Bloguerra (guerra)







