Ciao
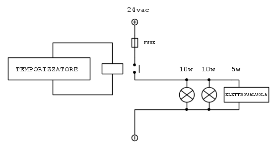
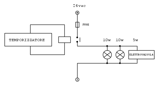
genodave, non sei stato molto dettagliato nella spiegazione, ma, se intuisco bene intendi pilotare con un relè
3 carichi a 24 volt collegati tra di loro, ottenendo qualcosa di simile.
Se è questo quello che intendi è abbastanza semplice dimensionare il fusibile. Prima di tutto devi sommare l'assorbimento totale dei carichi, ottenendo cosi 25 watt in gioco.
Dopodiché, siccome la potenza è data dal prodotto tra la tensione e la corrente ti basterà effettuare la formula inversa per trovarti la corrente passante nel circuito ovvero il quoziente tra potenza e tensione, ottenendo quindi una corrente passante di 1,041 ampere.
(se il carico è puramente resistivo la formula per ricavare la potenza in ac è analoga a quella dc)
Il tuo fusibile dovrà quindi avere una soglia di intervento non inferiore a 1,041 A.

Alla fine, non ricorderemo le parole dei nostri nemici, ma i silenzi dei nostri amici.
Martin Luther King