Salve a tutti,
purtroppo ho un quesito che è piuttosto urgente.
Sia dato un profilo di velocità di un veicolo: sia ad esempio quello del ciclo ECE in figura 1.
in cui è anche obbligatorio rispettare dei cicli di accelerazione e frenata come in figura 2
Un motore asincrono, controllato con la coppia come nel caso del Direct Torque Control con Switching Table, riesce a garantire contemporaneamente il controllo del flusso, della coppia e che la velocità del motore ascincrono abbia lo stesso andamento della velocità del veicolo (non gli stessi valori!), ipotizzando rendimenti e rapporti di trasmissione unitari e attriti molto bassi?
Posso riportare l'equazione della coppia motrice che sto utilizzando come coppia di riferimento da far seguire al motore:
Cm=Cr+Ci=mar+aJ/r
m: massa
a:accelerazione (lineare)
r: raggio di rotolamento (ruota)
J: momento di inerzia dei carichi.
Attrito ecc trascurabili, caso ideale.
HELP!
Controllo coppia- velocità
Moderatori:
SandroCalligaro,
mario_maggi,
fpalone
6 messaggi
• Pagina 1 di 1
0
voti
Alcuni leggono "Guerra e pace", e pensano che sia solamente un libro d'avventure; altri, leggendo gli ingredienti su una cartina del chewing-gum, scoprono i segreti dell'universo.
0
voti
Va bene che è un quesito cui ti serve risposta con urgenza.
E' una descrizione di cui non ho capito molto. Forse un articolo che descrive meglio il banco prova motore non guasterebbe.
Il " Direct Torque Control con Switching Table" mi pare interessante, ma non ne so nulla.
Ma il quesito quale è ? E' forse : " ipotizzando rendimenti e rapporti di trasmissione unitari e attriti molto bassi?"
visto che è seguito da un punto interrogativo.
E' una descrizione di cui non ho capito molto. Forse un articolo che descrive meglio il banco prova motore non guasterebbe.
Il " Direct Torque Control con Switching Table" mi pare interessante, ma non ne so nulla.
Ma il quesito quale è ? E' forse : " ipotizzando rendimenti e rapporti di trasmissione unitari e attriti molto bassi?"
visto che è seguito da un punto interrogativo.
0
voti
Mi dispiace ci siano problemi di chiarezza, puntualizzo:
con un controllo diretto di coppia riesco a controllare anche la velocità o ci sono dei limiti? Voglio che la velocità del motore segua l'andamento del grafico (fig.1), ci si riesce? Oppure otterrò che il motore segue la coppia che ho impostato con la formula, Cm, ma la velocità ha un profilo diverso?
con un controllo diretto di coppia riesco a controllare anche la velocità o ci sono dei limiti? Voglio che la velocità del motore segua l'andamento del grafico (fig.1), ci si riesce? Oppure otterrò che il motore segue la coppia che ho impostato con la formula, Cm, ma la velocità ha un profilo diverso?
Alcuni leggono "Guerra e pace", e pensano che sia solamente un libro d'avventure; altri, leggendo gli ingredienti su una cartina del chewing-gum, scoprono i segreti dell'universo.
0
voti
Mi pare aver capito: riguarda una autovettura su un banco a rulli con un controllo di coppia e velocità. Mi ero occupato per un poco di banchi provamotori negli anni 80.
....
Posso riportare l'equazione della coppia motrice che sto utilizzando come coppia di riferimento da far seguire al motore:
Cm=Cr+Ci=mar+aJ/r
C coppie Nm
m: massa kg
a:accelerazione (lineare) m/s2
r: raggio di rotolamento (ruota) m
J: momento di inerzia dei carichi. kg*m2
w velocità angolare rad/s
A accelerazione angolare rad/s2
Attrito ecc trascurabili, caso ideale.
HELP!
v velocità lineare m/s
v = w *r
F = m * a
C = J * A
Volevo verificare la correttezza della equazione: Cm=Cr+Ci=mar+aJ/r
ma... troppa fatica..smetto. non è più divertente. come vedi mi diletto solo un poco di problemi elettronico-controllistici.
....
Posso riportare l'equazione della coppia motrice che sto utilizzando come coppia di riferimento da far seguire al motore:
Cm=Cr+Ci=mar+aJ/r
C coppie Nm
m: massa kg
a:accelerazione (lineare) m/s2
r: raggio di rotolamento (ruota) m
J: momento di inerzia dei carichi. kg*m2
w velocità angolare rad/s
A accelerazione angolare rad/s2
Attrito ecc trascurabili, caso ideale.
HELP!
v velocità lineare m/s
v = w *r
F = m * a
C = J * A
Volevo verificare la correttezza della equazione: Cm=Cr+Ci=mar+aJ/r
ma... troppa fatica..smetto. non è più divertente. come vedi mi diletto solo un poco di problemi elettronico-controllistici.
0
voti
Però il grafico del ciclo ECE, entro cui bisogna stare con certe tolleranze, riporta in ordinate la velocità del veicolo e non la velocità angolare del motore. Quindi il ciclo completo è riportato qui http://people.mecc.polimi.it/mastinu/Co ... raccia.pdf con i vari rapporti.
La resistenza all'avanzamento del veicolo in accelerazione/decelerazione è composta da inerzia del veicolo, resistenza di rotolamento dei pneumatici, resistenza aerodinamica ed attriti delle parti rotanti. A velocità costante manca la componente inerziale.
Salvo errori e/od omissioni (vado a memoria)
PS: conoscendo l'andamento di tali resistenze all'avanzamento, i regimi motore alle varie velocità del veicolo nelle marce previste ed avendo a disposizione il piano quotato dei consumi specifici del motore rilevato al banco motore, il consumo sul ciclo si può calcolare con buona approssimazione (ma non è accettato a norma ECE).
La resistenza all'avanzamento del veicolo in accelerazione/decelerazione è composta da inerzia del veicolo, resistenza di rotolamento dei pneumatici, resistenza aerodinamica ed attriti delle parti rotanti. A velocità costante manca la componente inerziale.
Salvo errori e/od omissioni (vado a memoria)
PS: conoscendo l'andamento di tali resistenze all'avanzamento, i regimi motore alle varie velocità del veicolo nelle marce previste ed avendo a disposizione il piano quotato dei consumi specifici del motore rilevato al banco motore, il consumo sul ciclo si può calcolare con buona approssimazione (ma non è accettato a norma ECE).
-

FedericoSibona
5.022 3 5 8 - Master

- Messaggi: 3951
- Iscritto il: 19 mar 2013, 11:43
0
voti
Non capisco quale è il problema , la domanda.
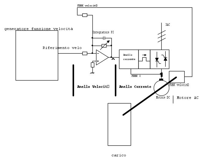
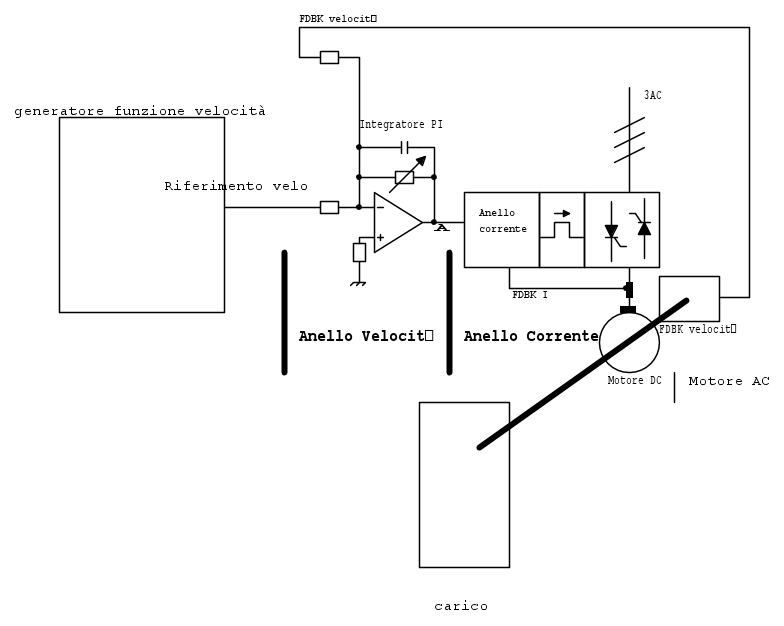
Se hai un profilo di velocità da seguire , con variazioni di velocità , va da se che se sei in controllo di velocità , a ogni varizaione di velocità insorge una coppia di accelerazione o di decelerazione in modo automatico nell'annello di controllo , non devi seguire alcun riferimento di coppia , al limite devi limitare la coppia massima erogabile dall'azionamento al motore per non sovraccaricarlo.
Il classico anello di regolazione , anello esterno di velocità , anello interno di corrente (coppia).
All'uscita dell'anello di velocità pt A avrai il riferimento di coppia che nasce dall'errore dell'anello stesso , che imporrà la coppia necessaria al motore.In pratica al pt A avrai esattamente il grafico delle accelerazioni o coppie.
Se hai un profilo di velocità da seguire , con variazioni di velocità , va da se che se sei in controllo di velocità , a ogni varizaione di velocità insorge una coppia di accelerazione o di decelerazione in modo automatico nell'annello di controllo , non devi seguire alcun riferimento di coppia , al limite devi limitare la coppia massima erogabile dall'azionamento al motore per non sovraccaricarlo.
Il classico anello di regolazione , anello esterno di velocità , anello interno di corrente (coppia).
All'uscita dell'anello di velocità pt A avrai il riferimento di coppia che nasce dall'errore dell'anello stesso , che imporrà la coppia necessaria al motore.In pratica al pt A avrai esattamente il grafico delle accelerazioni o coppie.
Scopo principale della nostra vita , è dare prosieguo alla vita , come tutti gli esseri viventi fanno.
6 messaggi
• Pagina 1 di 1
Chi c’è in linea
Visitano il forum: Nessuno e 30 ospiti

Elettrotecnica e non solo (admin)
Un gatto tra gli elettroni (IsidoroKZ)
Esperienza e simulazioni (g.schgor)
Moleskine di un idraulico (RenzoDF)
Il Blog di ElectroYou (webmaster)
Idee microcontrollate (TardoFreak)
PICcoli grandi PICMicro (Paolino)
Il blog elettrico di carloc (carloc)
DirtEYblooog (dirtydeeds)
Di tutto... un po' (jordan20)
AK47 (lillo)
Esperienze elettroniche (marco438)
Telecomunicazioni musicali (clavicordo)
Automazione ed Elettronica (gustavo)
Direttive per la sicurezza (ErnestoCappelletti)
EYnfo dall'Alaska (mir)
Apriamo il quadro! (attilio)
H7-25 (asdf)
Passione Elettrica (massimob)
Elettroni a spasso (guidob)
Bloguerra (guerra)




